AVO METER ANALOG Persiapan Awal AVO Meter Analog


























































- Slides: 58
AVO METER ANALOG
Persiapan Awal AVO Meter Analog 1. Baca dengan teliti buku petunjuk penggunaan (manual instruction) Multimeter yang dikeluarkan oleh pabrik pembuatnya. 2. Posisi saklar jangkauan ukur harus pada posisi yang sesuai dengan besaran yang akan diukur. 3. Batas ukur (range) Multimeter harus berada posisi angka yang lebih besar dari nilai besaran listrik yang akan diukur.
Persiapan Awal AVO Meter Analog 4. Sekrup pengatur posisi jarum (preset) digunakan untuk mengatur posisi jarum pada angka nol. 5. Tombol pengatur jarum pada posisi angka nol (zero adjustment) digunakan untuk meletakkan jarum pada posisi angka nol sebelum Multimeter digunakan untuk pengukuran nilai tahanan/resistans (resistance). Untuk keperluan ini, ujung dari kedua kabel penyidik disatukan, tombol diputar- putar untuk memperoleh posisi jarum pada angka nol. 6. Setelah selesai pemakaian posisikan saklar jangkauan ke OFF
Fungsi Volt-meter Tegangan listrik adalah perbedaan potensial listrik antara dua titik dalam rangkaian listrik, dan dinyatakan dalam satuan volt. Besaran ini mengukur energi potensial dari sebuah medan listrik yang mengakibatkan adanya aliran listrik dalam sebuah konduktor listrik
Transformator adalah komponen elektronik yang dirancang untuk dapat memindahkan Tegangan Arus Listrik Bolak Balik/Alternating Current Voltage (ACV) dari gulungan primer (P) ke gulungan skunder (S) tanpa ada hubungan langsung antara kedua gulungan tersebut
Transformator
RESUME 1. Dengan Multimeter yang memiliki batas ukur (range); 10 -50 -250 -500, dan 1000 DCV/ACV, Anda ditugaskan mengukur tegangan listrik bolak-balik pada jala/jaringan listrik dari PLN yang ada di lab. Langkah- langkah pengukuran yang harus Anda lakukan adalah. 2. Dengan alat yang sama seperti pada butir 1, Anda ditugaskan mengukur ACV 9 Volt yang dihasilkan oleh gulungan skunder dari sebuah transformator penyesuai tegangan (transformator adaptor). Uraikan langkah-langkah pengukuran yang Andalakukan. 3. Masih dengan alat yang sama seperti pada butir 1, Anda ditugaskan mengukur DCV 6 Volt yang dihasilkan oleh sebuah catu daya (power supply). Langkahlangkah pengukuran yang harus Anda lakukanadalah. 4. Dengan alat yang sama seperti pada butir 1, Anda ditugaskan mengukur tegangan pada sebuah baterai kering (dry cell) tipe UM-1. Langkah-langkah pengukuran yang harus Anda lakukan adalah.
Fungsi Ohm-Meter • Resistansi Listrik (Electrical Resistance) adalah kemampuan suatu bahan benda untuk menghambat atau mencegah aliran arus listrik. • Resistor adalah komponen Elektronika Pasif yang memiliki nilai resistansi atau hambatan tertentu yang berfungsi untuk membatasi dan mengatur arus listrik dalam suatu rangkaian Elektronika. • Resistor atau dalam bahasa Indonesia sering disebut dengan Hambatan atau Tahanan dan biasanya disingkat dengan Huruf “R”. Satuan Hambatan atau Resistansi Resistor adalah OHM (Ω). Sebutan “OHM” ini diambil dari nama penemunya yaitu Georg Simon Ohm yang juga merupakan seorang Fisikawan Jerman.
• Pengecekan trafo • • • Batas ukur (range) pada posisix 1, x 10, atau k. W, sesuaikebutuhan. Ujung dari kedua kabel penyidik (probes)dipertemukan. Menggunakan tombol pengatur posisi jarum pada angka nol (zero adjustment), atur posisi jarum pada papan skala hingga menunjukkan angkanol. Mengacu pada gambar letakkan ujung kabel penyidik (probes) secara sembarang (acak) ke titik-titik terminal dari gulungan primer(P). Jarumpadapapanskalabergerakkekanan, ar tinya: gulunganprimer(P) transformator masih baik dan dapat digunakan. • Letakkan ujung kabel penyidik (probes) secara sembarang (acak) ke titik- titik terminal dari gulungan skunder(S). • Jarum pada papan skala bergerak ke kanan, artinya : gulungan skunder(S) • transformator masih baik dan dapat digunakan. • Letakkan ujung kabel penyidik (probes) secara sembarang (acak) ketitik terminal dari gulungan primer (P) dan gulungan titik terminal gulungan skunder(S). • Jarum pada papan skala tidak bergerak, artinya : isolator yang mengisolasi gulungan primer (P) dari gulungan skunder (S) masih berfungsi, transformator masih baik dan dapat digunakan.
Pengecekan coil A C V DCm. A • • Atur saklar jangkauan ukur pada posisi. W. Batas ukur (range) pada posisi x 1, x 10, atau k. W, sesuaikebutuhan. Ujung dari kedua kabel penyidik (probes)dipertemukan. Menggunakan tombol pengatur posisi jarum pada angka nol (zero adjustment), atur posisi jarum pada papan skala hingga menunjukkan angkanol. Mengacu pada gambar 28, letakkan ujung kabel penyidik (probes) secara sembarang (acak) terminal dari gulungan(coil/winding). Jarumpada papan skala bergerak ke kanan, artinya : gulungan (coil/winding) masih baik dan dapat digunakan. Jarum pada papan skala tidak bergerak ke kanan, artinya : gulungan (coil/winding) sudah rusak dan tidak dapatdigunakan.
Fungsi-fungsi Resistor 1. 2. 3. 4. Sebagai Pembatas Arus listrik Sebagai Pengatur Arus listrik Sebagai Pembagi Tegangan listrik Sebagai Penurun Tegangan listrik
1. RESISTOR TETAP/Fixed Resistor yang nilainya tetap
HI-CO-ME-O-KU-HI-BI-U-A-P-E-P
Bentuk dan Simbol Fixed Resistor
Carbon Composition Resistor (Resistor Komposisi Karbon) • Terbuat dari komposisi karbon halus yang dicampur dengan bahan isolasi bubuk sebagai pengikatnya (binder) agar mendapatkan nilai resistansi yang diinginkan. Semakin banyak bahan karbonnya semakin rendah pula nilai resistansi atau nilai hambatannya. • Composistion Resistor ini biasanya berkisar dari 1Ω sampai 200 MΩ dengan daya 1/10 W sampai 2 W.
Carbon Film Resistor (Resistor Film Karbon) • Terdiri dari filem tipis karbon yang diendapkan Subtrat isolator yang dipotong berbentuk spiral. Nilai resistansinya tergantung pada proporsi karbon dan isolator. Semakin banyak bahan karbonnya semakin rendah pula nilai resistansinya. Keuntungan Carbon Film Resistor ini adalah dapat menghasilkan resistor dengan toleransi yang lebih rendah dan juga rendahnya kepekaan terhadap suhu jika dibandingkan dnegan Carbon Composition Resistor. • Nilai Resistansi Carbon Film Resistor yang tersedia di pasaran biasanya berkisar diantara 1Ω sampai 10 MΩ dengan daya 1/6 W hingga 5 W. Karena rendahnya kepekaan terhadap suhu, Carbon Film Resistor dapat bekerja di suhu yang berkisar dari -55°C hingga 155°C.
Metal Film Resistor (Resistor Film Logam) • Metal Film Resistor adalah jenis Resistor yang dilapisi dengan Film logam yang tipis ke Subtrat Keramik dan dipotong berbentuk spiral. Nilai Resistansinya dipengaruhi oleh panjang, lebar dan ketebalan spiral logam. • Secara keseluruhan, Resistor jenis Metal Film ini merupakan yang terbaik diantara jenis-jenis Resistor yang ada (Carbon Composition Resistor dan Carbon Film Resistor).
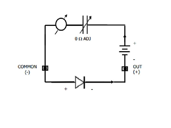
LANGKAH PENGUKURAN R TETAP 1. 2. 3. 4. 5. 6. 7. Atur saklar jangkauan ukur pada posisi . Batas ukur (range) pada posisi x 1, x 10 atau k , tergantung dari nilai resistor yang akan diukur. Ujung dari kedua kabel penyidik (probes) dipertemukan. Menggunakan tombol pengatur posisi jarum pada angka nol (zero adjustment), atur posisi jarum pada papan skala hingga menunjukkan angka nol. Letakkan secara sembarang (acak) kedua ujung kabel penyidik (probes) pada kaki komponen yang akan diukur. Jarum pada papan skala bergerak ke kanan menunjukkan nilai satuan Ohm yang sama (atau mendekati) dengan nilai satuan Ohm dari resistor berdasarkan pita warna, artinya : resistor masih baik dan dapat digunakan. Bandingkan hasil pengukuran dengan nilai resistor berdasarkan pita warna yang ada di badan resistor tersebut.
2. RESISTOR VARIABEL Variabel resistor adalah resistor yang dapat berubah nilai satuan Ohm-nya dengan cara memutar tuas pemutar atau sekrup yang menggerakkan kontak geser/penyapu (wiper) yang terdapat di dalam resistor tersebut.
LANGKAH PENGUKURAN R VARIABEL Atur saklar jangkauan ukur pada posisi Batas ukur (range) pada posisi x 1, x 10, atau k , tergantung dari nilai variabel resistor yang akan diukur. 3. Ujung dari kedua kabel penyidik (probes)dipertemukan. 4. Menggunakan tombol pengatur posisi jarum pada angka nol (zero adjustment), atur posisi jarum pada papan skala hingga menunjukkan angkanol. 5. letakkan kedua ujung kabel penyidik (probes) pada terminal a dan b dari variabel resistor. 6. Putar tuas pemutar searah jarum jam (untuk preset gunakan obeng minus). 7. Jarum pada papan skala ikut bergerak ke kanan, artinya : variabel resistor masih baik dan dapat digunakan. 8. Letakkan kedua ujung kabel penyidik (probes) pada terminal b dan c dari variabel resistor. 9. Putar tuas pemutar searah jarum jam (untuk preset gunakan obeng minus). 10. Jarum pada papan skala ikut bergerak ke kiri, artinya : variabel resistor masih baik dan dapat digunakan. 1. 2.
3. RESISTOR PEKA CAHAYA Resistor Peka Cahaya/Light Dependence Resistor (LDR) adalah sebuah resistor yang berfungsi sebagai input transducer (sensor) dimana nilai satuan Ohm-nya dipengaruhi oleh cahaya yang jatuh di permukaan LDR tersebut. Sebagai acuan, ditempat gelap, nilai satuan Ohm dari LDR = 1 MΩ (1 Mega Ohm/1000. 000Ω). Ditempat terang nilai satuan Ohm dari LDR = 100Ω.
LANGKAH PENGUKURAN LDR Atur saklar jangkauan ukur pada posisi . Batas ukur (range) pada posisi x 1, x 10, atau k. W, sesuaikebutuhan. Ujung dari kedua kabel penyidik (probes)dipertemukan. Menggunakan tombol pengatur posisi jarum pada angka nol (zero adjustment), atur posisi jarum pada papan skala hingga menunjukkan angkanol. 5. Letakkan kedua ujung kabel penyidik (probes) secara sembarang (acak) pada kedua kaki. LDR. 6. Menggunakan lampu senter (flashlight) sinari permukaan LDR, jarum bergerak ke kanan, menunjukkan nilai satuan Ohm yang kecil, artinya : LDR masih baik dan dapatdigunakan. 7. Tutuplah permukaan LDR, jarum pada papan skala bergerak ke kiri, artinya : LDR masih dapat digunakan. Catatan, ditempat gelap, nilai satuan Ohm dari LDR = 1 M (1 Mega Ohm), ditempat terang nilai satuan Ohm dari LDR = 100 Ohm. 1. 2. 3. 4.
4. Mengukur Thermistor (Thermally sensitive resistor) adalah sebuah resistor yang dirancang khusus untuk peka terhadap suhu. 1. Negative Temperature Coefficient Resistor (NTCR), jika mendapat panas, nilai satuan Ohm-nya berkurang, misal pada suhu 250 C nilai satuan Ohm-nya = 47 kilo Ohm (47 k. W). 2. Positive Temperature Coefficient Resistor (PTCR), jika mendapat panas, nilai satuan. Ohm- nya bertambah.
A C V DCm. A
LANGKAH PENGUKURAN THERMISTOR 1. 2. 3. 4. 5. 6. 7. Atur saklar jangkauan ukur pada posisi . Batas ukur (range) pada posisi x 1, x 10, atau k. W sesuaikebutuhan. Ujung dari kedua kabel penyidik (probes)dipertemukan. Menggunakan tombol pengatur posisi jarum pada angka nol (zero adjustment), atur posisi jarum pada papan skala hingga menunjukkan angkanol. Mengacu pada gambar 16, letakkan kedua ujung kabel penyidik (probes) secara sembarang (acak) pada kedua kaki thermistor (NTCR atau. PTCR). Pada pengukuran NTCR; dengan korek api, panasi NTCR, jarum pada papan skala menunjukkan nilai satuan Ohm yang kecil, artinya : NTCR masih baik dan dapatdigunakan. Pada pengukuran PTCR; dengan korek api, panasi PTCR, jarum pada papan skala menunjukkan nilai satuan Ohm yang besar, artinya : NTCR masih baik dan dapat digunakan.
5. Mengukur Kapasitor • Kapasitor adalah komponen elektronik yang dirancang untuk dapat menyimpan dan membuang Tegangan Arus. Listrik Searah(Direct Current. Voltage/DCV). • Kapasitor terbagi dalam dua jenis. Pertama, kapasitor yang memiliki kutub positip (+) dan negatip (-). Dalam teknik elektronika disebut kapasitor polar (polarised capacitor). Kedua, kapasitor yang tidak memiliki kutub positip (+) dan negatip (-). Disebut kapasitor non polar (unpolarised capacitor).
Kegunaan kapasitor dlm rangkaian 1. 2. 3. 4. Sebagai Penyimpan arus atau 5. tegangan listrik 6. Sebagai Konduktor yang dapat melewatkan arus AC 7. (Alternating Current) 8. Sebagai Isolator yang menghambat arus DC (Direct Current) Sebagai Filter dalam Rangkaian Power Supply (Catu Daya) Sebagai Kopling Sebagai Pembangkit Frekuensi dalam Rangkaian Osilator Sebagai Penggeser Fasa Sebagai Pemilih Gelombang Frekuensi (Kapasitor Variabel yang digabungkan dengan Spul Antena dan Osilator)
A C V DCm. A 1. Atur saklar jangkauan ukur pada posisi . 2. Batas ukur (range) pada posisi x 1, x 10 atau k sesuaik ebutuhan. 3. Ujung dari kedua kabel penyidik (probes)dipertemukan. 4. Menggunakan tombol pengatur posisi jarum pada angka nol (zero adjustment), atur posisi jarum pada papan skala hingga menunjukkan angkanol. 5. Mengacu pada gambar , letakkan kabel penyidik (probes) warna merah (+) pada kaki positip (+) kapasitor non polar (kaki positip biasanya berukuran lebih panjang KAPASITORNON POLAR ketimbang kaki negatip), kabel penyidik (probes) warna hitam (-) ke kakinegatip.
6. Jarum pada papan skala bergerak jauh ke kanan untuk kemudian kembali ke kiri, artinya : kapasitor polar masih baik dan dapat digunakan. (Jika jarum pada papan skala bergerak ke kanan dan tidak kembali lagi ke kiri, artinya : kapasitor polar sudah rusak dan tidak dapatdigunakan). 7. Perhatikan kembali gambar letakkan ujung kabel penyidik (probes) warna merah (+) dan kabel penyidik (probes) warna hitam (-) secara sembarang (acak) ke kaki kapasitor nonpolar. 8. Jarum pada papan skala tidak bergerak (atau bergerak sedikit), artinya : kapasitor non polar masih baik dan dapat digunakan. (Jika jarum pada papan skala bergerak jauh ke kanan, artinya : kapasitor non polar sudah rusak dan tidak dapatdigunakan).
6. Mengukur Dioda • Dioda adalah komponen elektronik yang memiliki dua elektroda yaitu; (1) Anoda (a), dan (2) Katoda (k). Mengikuti anak panah pada simbol dioda (gambar 23), arus listrik mengalir hanya satu arah yaitu dari Anoda ke Katoda. • Arus listrik tidak akan mengalir dari Katoda ke Anoda.
Berdasarkan Fungsi Dioda terdiri dari: 1. 2. 3. 4. 5. 6. 7. 8. Dioda Biasa atau Dioda Penyearah yang umumnya terbuat dari Silikon dan berfungsi sebagai penyearah arus bolak balik (AC) ke arus searah (DC). Dioda Zener (Zener Diode) yang berfungsi sebagai pengamanan rangkaian setelah tegangan yang ditentukan oleh Dioda Zener yang bersangkutan. Tegangan tersebut sering disebut dengan Tegangan Zener. LED (Light Emitting Diode) atau Diode Emisi Cahaya yaitu Dioda yang dapat memancarkan cahaya monokromatik. Dioda Foto (Photo Diode) yaitu Dioda yang peka dengan cahaya sehingga sering digunakan sebagai Sensor. Dioda Shockley (SCR atau Silicon Control Rectifier) adalah Dioda yang berfungsi sebagai pengendali. Dioda Laser (Laser Diode) yaitu Dioda yang dapat memancar cahaya Laser. Dioda Laser sering disingkat dengan LD. Dioda Schottky adalah Dioda tegangan rendah. Dioda Varaktor adalah dioda yang memiliki sifat kapasitas yang berubah sesuai dengan tegangan yang diberikan.
1. 2. 3. 4. 5. 6. 7. 8. Atur saklar jangkauan ukur pada posisi . Batas ukur (range) pada posisi x 1, x 10, atau k. W sesuaikebutuhan. Ujung dari kedua kabel penyidik (probes)dipertemukan. Menggunakan tombol pengatur posisi jarum pada angka nol (zero adjustment), atur posisi jarum pada papan skala hingga menunjukkan angkanol. Mengacu pada gambar 24, letakkan ujung kabel penyidik (probes) warna merah (+) pada kaki Anoda dari dioda, ujung kabel penyidik (probes) warna hitam (-) diletakkan pada kaki Katoda daridioda. Jarum pada papan skala bergerak ke kanan, artinya : dioda masih baik dan dapatdigunakan. Perhatikan kembali gambar 24, letakkan ujung kabel penyidik (probes) warna merah (+) pada kaki Katoda dari dioda, ujung kabel penyidik (probes) warna hitam (-) diletakkan pada kaki Anoda daridioda. Jarum pada papan skala bergerak ke kanan, artinya : dioda sudah rusak dan tidak dapatdigunakan.
7. Mengukur Transistor BJT • Transistor pada dasarnya adalah dua buah dioda yang disambung secara berbalikan. • Dioda yang pertama dibentuk oleh Emitor-Basis, dioda yang kedua dibentuk oleh Basis-Kolektor. • Pada transistor tipe PNP, Emitor dan Kolektor berfungsi sebagai Anoda (+) terhadap Basis, sementara Basis berfungsi sebagai Katoda (-) terhadap Emitor dan Emitor. • Pada transistor tipe NPN, Basis berfungsi sebagai Anoda (+) terhadap Emitor dan Kolektor, sementara Emitor dan Kolektor berfungsi sebagai Katoda (-) terhadap Basis
Fungsi Transistor 1. sebagai Penyearah, 2. sebagai Penguat tegangan daya, 3. sebagai Stabilisasi tegangan, 4. sebagai Mixer, 5. sebagai Osilator 6. sebagai Switch (Pemutus dan Penyambung Sirkuit)
Menetapkan Kaki dari Transistor Untuk Transistor Tipe PNP. 1. 2. 3. 4. 5. 6. 7. 8. 9. 10. 11. Atur saklar jangkauan ukur pada posisi . Batas ukur (range) pada posisi x 1. Ujung dari kedua kabel penyidik (probes)dipertemukan. Menggunakan tombol pengatur posisi jarum pada angka nol (zero adjustment), atur posisi jarum pada papan skala hingga menunjukkan angka nol. Letakkan kedua kabel penyidik (probes) secara bergantian di ketiga kaki transistor. Misalkan, kabel penyidik (probes) warna merah diletakkan pada titik A dari kaki transistor. Kabel penyidik (probes) warna hitam diletakkan secara bergantian di titik B dan C, jarum pada papan skala menunjukkan nilai tahanan (resistance) yang hampir sama berarti kaki transistor pada titik A = kaki Basis. Batas ukur pada posisi 100 K Kabel penyidik warna merah tempatkan di titik B sambil dipegang dengan tangan dan kabel penyidik hitam tempatkan di titik C tempelkan jari lain ke titik A (kaki basis) perhatikan pergerakan jarumnya. Kabel penyidik warna merah tempatkan di titik C sambil dipegang dengan tangan dan kabel penyidik hitam tempatkan di titik B tempelkan jari lain ke titik A (kaki basis) perhatikan pergerakan jarumnya. Jika nilai tahanan (resistance) dari hasil pengukuran pada langkah 9, nilai hambatannya LEBIH BESAR (jaum bergerak lebih sedikit ke kanan) dibanding dengan nilai resistan dari hasil pengukuran pada langkah 10 kaki transistor pada titik B adalah kaki Emitor, titik C adalah kaki Kolektor
Menetapkan Kaki dari Transistor Untuk Transistor Tipe NPN. 1. 2. 3. 4. 5. 6. 7. 8. 9. 10. 11. Atur saklar jangkauan ukur pada posisi . Batas ukur (range) pada posisi x 1. Ujung dari kedua kabel penyidik (probes)dipertemukan. Menggunakan tombol pengatur posisi jarum pada angka nol (zero adjustment), atur posisi jarum pada papan skala hingga menunjukkan angka nol. Letakkan kedua kabel penyidik (probes) secara bergantian di ketiga kaki transistor. Misalkan, kabel penyidik (probes) warna hitam diletakkan pada titik A dari kaki transistor. Kabel penyidik (probes) warna merah diletakkan secara bergantian di titik B dan C, jarum pada papan skala menunjukkan nilai tahanan (resistance) yang hampir sama berarti kaki transistor pada titik A = kaki Basis. Batas ukur pada posisi 100 K Kabel penyidik warna hitam tempatkan di titik B sambil dipegang dengan tangan dan kabel penyidik merah tempatkan di titik C tempelkan jari lain ke titik A (kaki basis) perhatikan pergerakan jarumnya. Kabel penyidik warna hitam tempatkan di titik C sambil dipegang dengan tangan dan kabel penyidik merah tempatkan di titik B tempelkan jari lain ke titik A (kaki basis) perhatikan pergerakan jarumnya. Jika nilai tahanan (resistance) dari hasil pengukuran pada langkah 9, nilai hambatannya LEBIH BESAR (jaum bergerak lebih sedikit ke kanan) dibanding dengan nilai resistan dari hasil pengukuran pada langkah 10 kaki transistor pada titik B adalah kaki Emitor, titik C adalah kaki Kolektor