ENGG METROLOGY INSTRUMENTATION UNIT I METROLOGY UNITS AND




























































- Slides: 60
ENGG METROLOGY & INSTRUMENTATION
UNIT- I METROLOGY UNITS AND MEASUREMENTS
Metrology defines as the Science of pure measurement. But in engineering purposes, it in restricted to measurements of length and angles and other qualities which are expressed in linear or angular terms.
Units and Standards • • Units of Measurement: C. G. S. System of Units Centimeter – Gram – Second system of unit M. K. S. System of Units: Meter – kilogram – second system of units International System (SI) of Units: the meter (m), kilogram (k), second (s), and ampere (A) of the MKSA system and, in addition, the Kelvin (K) and the candela (cd) as the units of temperature and luminous
Terminology in instrumentation • Precision Degree of repetitiveness. If an instrument is not precise it will give different results for the same dimension for the repeated readings. • Accuracy The maximum amount by which the result differ from true value(ie) Closeness to true value
• Calibration • is the process of establishing the relationship between a measuring device and the units of measure. This is done by comparing a devise or the output of an instrument to a standard having known measurement characteristics. • Sensitivity • It is ratio between output signal to input signal
• Readability is a measure of an instrument's ability to display incremental changes in its output value. • True size Theoretical size of a dimension which is free from errors. • Actual size obtained through measurement with permissible error
• Repeatability is the variation in measurements taken by a single person or instrument on the same item and under the same conditions. A measurement may be said to be repeatable when this variation is smaller than some agreed limit. • Reproducibility is one of the main principles of the scientific method, and refers to the ability of a test or experiment to be accurately reproduced, or replicated, by someone else working independently.
• Methods of measurement. • 1. Direct Method • 2. Indirect Method • 3. Comparison Method • 4. Coincidence Method. • Classification of measuring instruments. • 1. Angle measuring instruments • 2. Length measuring instruments • 3. Instruments for surface finish • 4. Instruments for deviations.
Sources of error • Controllable Errors • Calibration Errors , ambient Conditions , Stylus pressure, avoidable errors • Random Errors • These occur randomly and the specific causes of such errors cannot be determined, but likely sources of this type of error are small variations in the position of setting standards and workpiece, slight displacement of lever joints in the measuring instrument,
Parallax Error : • On most dials the indicating finger or pointer lies in a plane parallel to the scale but displaced a small distance away to allow free movement of the pointer. It is then essential to observe the pointer along a line normal to the scale otherwise a reading error will occur.
Line and End standard measurements • Line standard • Length is expressed as the distance between two lines. • End standard • Length is expressed as the distance between two flat parallel faces
Linear measuring instruments • • Straight edge. Outside caliper. Inside caliper. Vernier caliper Screw gauge vernier height gauge vernier depth gauge Dial gauges
Comparators • • • Classification of comparators Mechanical Electrical and Electronics comparators Optical comparators Pneumatic comparators Fluid displacement comparators Projection comparators. Multi check comparators Automatic Gauging Machines Electro-Mech. Comparators.
. Classification of measuring Instruments. According to the functions: Length measuring instrument Angle measuring instrument Instrument for checking deviation from geometrical forms • Instrument for determining the quality of surface finish. • •
• According to the accuracy. • 1. Most accurate instruments Example - light interference instrument • 2. Less accurate instrument Example - Tool room Microscope, Comparators, Optimizer • 3. Still less accurate instrument Example - Dial indicator, vernier caliper.
Angular measurements • Measuring the angle of Taper. • • 1. Vernier bevel Protractor • 2. Tool room microscope • 3. Sine bar and dial gauge • 4. Auto Collimator • 5. Taper measuring machine • 6. Roller, Slip gauge, and micrometer.
• • • Angle measurement Sine bar Sine Centre: Sine Table Taper Measurement Using Precisions Balls and Rollers: -
• • Slip Gauges Direct precise measurement, where the accuracy of the work piece demands it. For checking accuracy of venire calipers, micro metes, and such other measuring instruments. Setting up a comparator to specific dimension. For measuring angle of work piece and also for angular setting in conjunction with a sine bar. The distances of plugs, spigots, etc. on fixture are often best measured with the slip gauges or end bars for large dimensions. To check gap between parallel locations such as in gap gauges or between two mating parts. Slip gauges are rectangular blocks of high grade steel with exceptionally close tolerances. These blocks are suitably hardened though out to ensure maximum resistance to wear. They are then stabilized by heating and cooling successively in stages so that hardening stresses are removed.
Surface finish measurement • Surface finish refers to the quality finish or roughness over the surface. • Surface texture : • Repetitive or random deviations form the normal surface which form the pattern of the surface. Surface texture include roughness, waveness, lay and flows. • . Primary texture : This refers to the roughness of a surface, as opposed to its waviness (secondary texture)
Methods of measuring surface finish • . • • • 1) Surface Inspection (or) comparison method 2. Direct Instrument a) Touch Inspection b) Visual Inspection c) Scratch Inspection d) Microscopic Inspection e) Surface photograph f) Micro - Interferometer g) Wallace surface Dynamometer h) Reflected light Intensity
Roughness measurement • Maximum Peak to Valley. Height of Roughness. • Root Mean Square Value (R. M. S. Value). . • Centre Line Average Method (C. L. A. Value)
Surface finish measuring instruments • Profilometer. • The Tomlinson Surface Meter • Taylor-Hobson Talysurf.
UNIT IV TEMPERATUREMEASUREMENTS
CLASSIFICATION OF TEMPERATUREMEASURING EQUIPMENTS • • • • Classification based on the Nature of Change Produced. 1. Glass thermometers 2. Pressure gauge thermometers 3. Differential expansion thermometers 4. Electrical resistance thermometers 5. Thermo couples 6. Optical pyrometers 7. Radiation pyrometers 8. Fusion pyrometers 9. Calorimetric pyrometers Based on Electrical and non-electrical Principles 1. Primarily electrical or electronic in nature 2. Not primarily electrical or electronic in nature.
Bimetallic Thermometers: • Principle Involved : These use the principles of metallic expansion when temperature changes. • A bimetallic strip is shown in figure which is straight initially. When temperature changes, its shape also changes into an arc.
BIMETALIC THERMOMETER USE • The displacement of the free end can be converted into an electric signal through use of secondary transducers like variable resistance, inductance and capacitance transducers. Figure shows a strip of bimetal in the form of a spiral. The curvature of the strip varies with temperature. This causes the pointer to deflect. A scale is provided which has been calibrated to show the temperature directly. • • This kind of spiral is mostly used in devices measuring ambient temperature and air-conditioning thermostats. • • Advantages of Bimetallic Thermometers • • 1. Simple • 2. Inexpensive • 3. Accuracy of 0. 5% to 2%
RESISTANCE THERMOMETERS • Basic principle of resistance thermometers? • When an electric conductor is subjected to temperature change the resistance of the conductor changes. This change in resistance of the conductor becomes a measure of the change in temperature when calibrated.
Thermocouples • Principles Involved : When heat is applied to the junction of two dissimilar metals, an e. m. f. is generated. (Figure)
Thermistors: • Thermistor is a temperature sensitive variable resistor made of a ceramic like semiconducting material. They are made of metal oxides and their mixtures like oxides of cobalt, copper, nickel, etc. Unlike metals, thermistors respond negatively to temperature. They behave as resistors with a high negative temperature coefficient of resistance. Typically, for each 1 C rise in temperature, the resistance of a thermistor decreases by about 5%. This high sensitivity to temperature changes makes thermistor useful in precision temperature measurements. The resistance of thermistors vary from 0. 5 to 0. 75 M . Variation of resistivity with temperature is shown in figure.
UNIT III FLOW MEASUREMENT
FLOW METERS • • • Flow meter measures the actual flow rate. TYPES OF FLOWMETERS VENTURIMETER PITOT TUBE FLOW NOZZLE ORIFICE PLATE
VENTURIMETER • USES • 1. Low head loss about 10% of differential pressure head. • 2. High co-efficient of discharge. • 3. Capable of measuring high flow rates in pipes having very large diameter. • 4. Characteristics are well established so they are extensively used in process and other industries.
VENTURI PRINCIPLE • This is just like an orifice meter. It has three distinct parts, namely convergent cone, throat and divergent cone. A manometer measures the pressure difference between two sections as shown in figure. • • Let a 1 Area at the inlet (1 -1) • A 2 Area at the section (2 -2) • x Pressure head difference • Cd Discharge coefficient • •
Orifice METER • Let a 1 – Area at section I-I • a 0 – Area of orifice • Cd – Discharge coefficient • • Then, Flow rate
ROTO METERS • Rotameter: • A rotameter is a variable area type flow meter. It consists of a vertical tapered tube with a float which is free to move within the tube. The fluid goes from the bottom to the top. When no fluid flows, the float rests at the bottom of the tube. The float is made of such a diameter that it completely blocks the inlet. When flow starts in the pipeline and fluid reaches the float, the buoyant effect of fluid makes the float lighter. The float passage remains closed until the pressure of the flowing material plus the buoyance effect exceeds the downward pressure due to the float weight. Thus, depending on flow, the float assumes a position. Thus the float gives the reading of flow rate.
Pitot Tube • Principle: “Transformation of kinetic energy of a liquid into potential energy in the form of a static head”. • Figure shows a pitot tube installed in a pipeline where it acts like a probe. The tube consists of two concentric tubes, the inner tube with its open ends ‘faces’ the liquid.
Pitot tube principle • outer tube has a closed end and has four to eight holes in its wall. The pressure in the outer tube is the static pressure in the line. Total pressure is sum of static pressure and the pressure due to the impact of fluid. • If • • P Ps - Pressure at inlet (Stagnation pressure) Static pressure Density, then • Velocity v = from which flow rate is determined.
UNIT V FORCE MEASUREMENT
FORCE MEASUREMENT • Force. • The mechanical quantity which changes or tends to change the motion or shape of a body to which it is applied is called force. • . Force measureing equipments • load cells • Load cells are devices used force measurement through indirect methods.
Force measuring equipments • Scale and balance • a. Equal arm balance • b. Unequal arm balance • c. Pendulum scale • 2. Elastic force meter – Proving ring • 3. Load cell • a. Strain gauge load cell • b. Hydraulic load cell • c. Pneumatic load cell
Torque measuring equipments – Mechanical torsion meter – Optical torsion meter – Electrical torsion meter – Strain gauge torsion meter
Types of strain gauges. • • • Unbonded strain gauge Bonded strain gauge Fine wire strain gauge Metal foil strain gauge Piezo-resistive strain gauge
PROVING RING • • Use of proving Rings Proving rings are steel rings used for calibration of material testing machines in situations where, due to their bulkness, dead weight standards cannot be used. P ring is a circular ring of rectangular section and may support tensile or comprehensive force across its diameter. the change in radius in the direction of force, is given by where d is the outer diameter of the ring and K is stiffness. Deflection of the ring is measured using a precision micrometer. To get precise measurements, one edge of the micrometer is mounted on a vibrating reed which is plucked to obtain a vibratory motion. The micrometer contact is then moved forward until a noticeable damping of the vibration is observed.
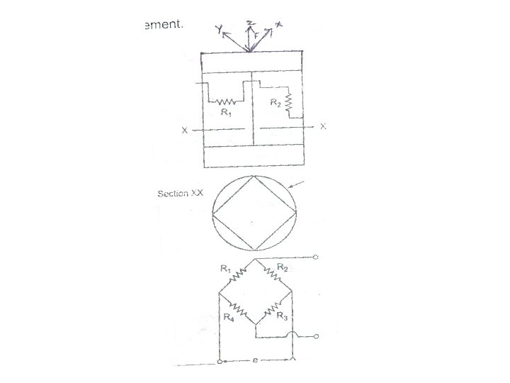
LOAD CELLS • Use of Load Cell • Force transducers intended for weighing purposes are called load cells. Instead of using total deflection as a measure of load, strain gauge load cells measure load in terms of unit strains. A load cell utilizes an elastic member as the primary transducer and strain gauges as secondary transducer. Figure shows one such load cell arrangement.
DYNAMO METERS • • • Mechanical Dynamometer: These come under the absorption type. An example for this kind is prony brake. In Prony brake, mechanical energy is converted into heat through dry friction between the wooden brake blocks and the flywheel (pulley) of the machine. One block carries a lever arm. An arrangement is provided to tighten the rope which is connected to the arm. Rope is tightened so as to increase ht frictional resistance between the blocks and the pulley. If F – Load applied and Power dissipated r - Lever arm N – Speed of flywheel (rpm) Torque T = F. r The capacity of Prony brake is limited because: Due to wear of wooden blocks, friction coefficient varies. So, unsuitable for large powers when used for long periods. To limit temperature rise, cooling is to be ensured.
D. C. Dynamometer • D. C. dynamometer is usable as an absorption as well as transmission dynamometer. So, it finds its use in I. C. Engines, steam turbines and pumps. A d. c. dynamometer is basically a d. c. motor with a provision to run it as a d. c. generator where the input mechanical energy, after conversion to electrical energy, can either be dissipated through a resistance grid or recovered for use. When used as an absorption dynamometer it acts as d. c. generator. (figure) Cradling in trunnion bearings permits the determination of reaction torque.
Eddy CURRENT DYNAMOMETER • • Current or Inductor Dynamometers: This is an example for absorption type dynamometers. Principle: When a conducting material moves through a magnetic flux field, voltage is generated, which causes current to flow. If the conductor is a wire forming a part of a complete circuit will be caused to flow through that circuit, and with some form of commutating device a form of a. c. or d. c. generator may result. An eddy current dynamometer is shown in figure. It consists of a metal disc or wheel which is rotated in the flux of a magnetic field. The field if produced by field elements or coils excited by an external source and attached to the dynamometer housing which is mounted in trunnion bearings. As the disc turns, eddy currents are generated. Its reaction with the magnetic field tends to rotate the complete housing in the trunnion bearings. Water cooling is employed.