TLFESZLTSGVDELEM MSZ 274 1 4 MSZ EN 62305













































- Slides: 45
TÚLFESZÜLTSÉGVÉDELEM MSZ 274 -1… 4, MSZ EN 62305 -1… 4 szabványok figyelembevételével Dr. SZANDTNER Károly címzetes egyetemi docens Debreceni Egyetem Kísérleti Fizika Tanszék, 4026 Debrecen Bem tér 18/a. , tel. : 06 -30 -9902 -265 e-mail: sandter. karoly@chello. hu
Túlfeszültség • Az igénybevételek megítélésénél célszerű a hálózat legnagyobb feszültségéhez tartozó csúcsértékből (Um) kiindulni. Háromfázisú rendszerben értelmezett túlfeszültség: • Utúl 2 Uüzemi = 2 (Uvonali/ 3). • Egyfázisú rendszerben: • Utúl 2 Ufázis.
Belső eredetű túlfeszültségek • Ezek kapcsolási eredetű túlfeszültségek, amelyeknek időtartama kb. 10 -3… 10 -2 s, azaz 1… 10 ms nagyságrendű. • Felléphetnek pl. földzárlat alkalmával, kis induktív és kapacitív áramok megszakításakor, olvadóbiztosítók működésekor, tirisztorok kapcsolásakor.
Külső, ún. légköri eredetű túlfeszültségek • Légköri eredetű túlfeszültségre elsősorban közvetlen villámcsapás során számíthatunk, pl. visszacsapás (feszültségemelkedés a földelőn lefolyó villámáram miatt), a villámáram hirtelen változó mágneses tere miatt. Az igénybevétel időtartama általában 10 -6 s, azaz s nagyságrendű.
Külső eredetű túlfeszültségnek minősül még • Az elektrosztatikus feltöltődés és kisülés következtében előálló túlfeszültség, amelynek az időtartama 10 -8… 10 -7 s, azaz 10… 100 ns nagyságrendű. • A következő ábrán ez a túlfeszültség látható.
Védelmi eszközök • Szikraköz • Oltócső • Si. C (szilíciumkarbid) túlfeszültséglevezető • Fémoxid (pl. Zn. O=cinkoxid) túlfeszültség korlátozó (KIF változat=varisztor) • Szelén (Se) túlfeszültség korlátozó • Méretezett R-C csillapító tagok • Lavina vagy szuppresszor dióda
Szikraköz
Lavina vagy szuppresszor dióda
Elektromágneses villámimpulzus elleni védelem • A villámimpulzus csatolási módjai: o Vezetési (villamos áramvezetők segítségével), o Induktív (elektromágneses csatolással), o Kapacitív (vezetők közötti, illetve vezetők és föld közötti kapacitások révén).
Számszerű számítási példák: • Ha az épület villámvédelmi földelésének értéke RF = 1 és a levezetett villámáram értéke iv = 30 k. A, akkor: u = iv RF = 30 1 = 30 k. V. • Ha viszont az épület villámvédelmi földelésének értéke RF = 25 és a levezetett villámáram értéke az előbbivel megegyező érték iv = 30 k. A, akkor: u = iv RF = 30 25 = 750 k. V.
Számítási példák: • 1. példa: - a hurok oldalhossza: a=10 m, - a levezető távolsága: d= 1 m, - kölcsönös indukció: M=4, 8 H (táblázat), - villámáram meredeksége: di/dt=150 k. A/ s, - indukált feszültség: u=720 k. V. • 2. példa: - a hurok oldalhossza: a=50 cm, - a levezető távolsága: d= 10 m, - kölcsönös indukció: M=4, 9. 10 -3 H (táblázat), - villámáram meredek. : di/dt=150 k. A/ s, - indukált feszültség: u=0, 735 k. V=735 V.
Hurok átütés utáni számítás: • 1. példa: - a hurok oldalhossza: a=10 m, - a levezető távolsága: d= 1 m, - indukciós csatolási tény. : M/L=0, 07 (táblázat), - villámáram csúcsértéke: iv=150 k. A, - indukált hurokáram: ih=10, 5 k. A. • 2. példa: - a hurok oldalhossza: a=50 cm, - a levezető távolsága: d= 10 m, - indukciós csatolási tény. : M/L=0, 002027 (tábl. ), - villámáram csúcsértéke: iv=150 k. A, - indukált hurokáram: ih=0, 304 k. A=304 A.
Villámvédelmi zónák • LPZ OA: Közvetelen villámcsapás veszély van. • LPZ OB: Nincs közvetlen villámcsapási veszély. Elektromágneses erőtér van! • LPZ 1: Nincs villámcsapás veszély, korlátozott elektromágneses erőtér van. • LPZ 2: Az elektromágneses tér további védőeszközökkel korlátozva van. További korlátozás is lehet. • Összecsatolás: Védendő térben a fémalkatrészek összekötése, potenciálkülönbség csökkentése. • Árnyékolás: Elektromágneses tér behatolásának korlátozása: Hb= Hk/D, ahol D=árnyékolási tényező.
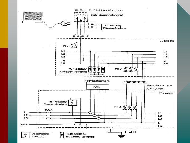
Durva túlfeszültségvédelmi fokozat (villámáram levezető) • „B osztályú” (I. köv. oszt. ) védelem főbb műszaki adatai: § üzemi feszültség 255/440 V, § védelmi szint (1, 2/50 s) 3, 5… 4 k. V, § levezetőképesség (10/350 s) 60… 100 k. A, § megszólalási idő 100 ns.
Közepes túlfeszültségvédelmi fokozat • „C osztályú” (II. köv. oszt. ) védelem főbb műszaki adatai: § üzemi feszültség 230/400 V, § védelmi szint (8/20 s, 15 k. A) 1, 5… 2, 5 k. V, § levezetőképesség (8/20 s) 15… 20 k. A, § megszólalási idő 25 ns.
Finom túlfeszültségvédelmi fokozat • „D osztályú” (III. köv. oszt. ) védelem főbb műszaki adatai: § üzemi feszültség 230/400 V, § védelmi szint (8/20 s, 5 k. A) 1… 1, 5 k. V, § levezetőképesség (8/20 s) 5 k. A, § megszólalási idő 1 ns < tmeg < 25 ns. § Megjegyzés: A leggyorsabb védelmi elemeknél akár tmeg = 10 ps = 0, 01 ns is lehet.
Többlépcsős védelem működése • A fénysebességgel haladó hullám a végéről – tehát visszafelé - indítja a védelmet, mert annak az elemnek a legkisebb a megszólalási feszültsége és a megszólalási ideje. • Ettől az elemtől kell átvenni a vezetést az előtte lévőnek (uvar. <uszupp. +i. Z), ahol Z=vezeték impedancia, vagy műimpedancia). • A szikraköz begyújtása hasonlóan történik (uszik. <uvar. +i. Z, ahol Z=vezeték impedancia, vagy műimpedancia).
Köszönöm a megtisztelő figyelmüket és várom kérdéseiket, hozzászólásukat.