Computeraided Hazard Identification Paul Chung p w h




























![CHECKOP Plant Description instance(tank 101 isa tank, [content info [reactant. A], outports info [out CHECKOP Plant Description instance(tank 101 isa tank, [content info [reactant. A], outports info [out](https://slidetodoc.com/presentation_image/45e3837bade9f3b01ea14e2d8b4c38ed/image-29.jpg)









- Slides: 38
Computer-aided Hazard Identification Paul Chung (p. w. h. chung@lboro. ac. uk) Department of Computer Science
Hazards and Operability (HAZOP) Studies • Established and widely used technique in the process industry for hazard identification • Time consuming, labour intensive process: – Tedious – Expensive
Computer-aided HAZOP • Different levels of support: – Electronic report form – Electronic data (on plant, on fluids, etc. ) – Automated Hazard Identification • Continuous operation • Batch operation
Automated Hazard Identification • Continuous operation – From basic research to commercial product – HAZID – Basic technology • Signed directed graph (SDG) representation • Fault propagation – Go through a list of deviations systematically and identify the faults that cause the deviations and the consequences that result from the faults and deviations
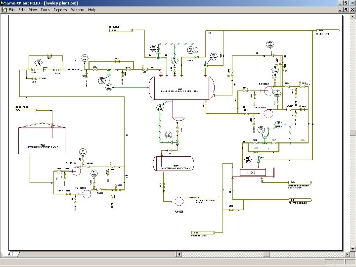
HAZID Overview • Automated extraction of plant design from a CAD system, e. g. Intergraph Smart. Plant P&ID • Convenient forms for adding any missing process specific information • Tick boxes for selecting analysis options: – Deviations, e. g. more flow, less flow, etc. – Items to HAZOP, etc.
HAZID Overview • HAZOP style output in different output formats – XML, with HTML web page view. – Excel spreadsheet. • Query facility for viewing analysis results – e. g. viewing faults and consequences relating to a particular plant item – e. g. viewing the propagation path between a particular fault and consequence • Compare facility for viewing the difference between two HAZID runs – Useful for after making a change to the design
7 Hazid Operation Select SP P+ID From Smart. Plant Run Hazid data wizard, Extract plant data from SP database: *Plant Items *Piping, valves, fittings *Controls *Fluids information: Temperature Pressure Fluid name Hazid maps SP icons to Hazop “Process” models Converts P+I diagram to Analysis model Hazid analyses plant and generates Hazop Report
7 Hazid Operation Select SP P+ID From Smart. Plant Run Hazid data wizard, Extract plant data from SP database: *Plant Items *Piping, valves, fittings *Controls *Fluids information: Temperature Pressure Fluid name Hazid maps SP icons to Hazop “Process” models Converts P+I diagram to Analysis model Hazid analyses plant and generates Hazop Report
7 Hazid Operation Select SP P+ID From Smart. Plant Run Hazid data wizard, Extract plant data from SP database: *Plant Items *Piping, valves, fittings *Controls *Fluids information: Temperature Pressure Fluid name Hazid maps SP icons to Hazop “Process” models Converts P+I diagram to Analysis model Hazid analyses plant and generates Hazop Report
7 Hazid Operation Select SP P+ID From Smart. Plant Run Hazid data wizard, Extract plant data from SP database: *Plant Items *Piping, valves, fittings *Controls *Fluids information: Temperature Pressure Fluid name Hazid maps SP icons to Hazop “Process” models Converts P+I diagram to Analysis model Hazid analyses plant and generates Hazop Report
8 Mapping Smart. Plant to Hazid models Smart. Plant Database References Mapping created by user for all company, then mapping is >95% automatic Automatic mapping by Hazid: Hazid Model Types = = Centrifugal Pump = ? ? ? Mixer Stripper Absorber Reactor Valve User makes choice **This User mapping is required only once for the whole Project**
9 Checking Automatic Nozzle Mapping Hazid model is process function: But P+ID is piping: N 4 Vapour Out Port Vapour/Liquid In Port Vapour N 1 N 3 Liquid Out Port N 5 N 2 User confirms nozzle functions: N 1 is vapour/liquid in port, N 2 and N 3 are liquid out ports, N 4 is a vapour out port N 5 is Cleanout liquid in port.
7 Hazid Operation Select SP P+ID From Smart. Plant Run Hazid data wizard, Extract plant data from SP database: *Plant Items *Piping, valves, fittings *Controls *Fluids information: Temperature Pressure Fluid name Hazid maps SP icons to Hazop “Process” models Converts P+I diagram to Analysis model Hazid analyses plant and generates Hazop Report
Equipment Knowledge Base Knowledge about behaviour of equipment Interaction between Faults, Deviations and Consequences Consequence Fault These links are called “arcs” in Hazid Deviation Fault - can cause Consequence Fault - can cause Deviation to process variable Deviation – can cause another Deviation – can cause Consequence
Equipment Knowledge Base Knowledge about Faults and Consequences This is mainly engineering knowledge and experience Out In Fault – Bearing failure Consequences • Casing damage • Seal damage and leakage • Loss of discharge pressure • Flow disturbance • Pump stops
7 Hazid Operation Select SP P+ID From Smart. Plant Run Hazid data wizard, Extract plant data from SP database: *Plant Items *Piping, valves, fittings *Controls *Fluids information: Temperature Pressure Fluid name Hazid maps SP icons to Hazop “Process” models Converts P+I diagram to Analysis model Hazid analyses plant and generates Hazop Report
HAZOP Style Output from HAZID
HAZID Viewer Queries • Standard format questions: – What causes could there be for a selected hazard? – What consequences are there for a given failure mode? – How is a given hazard realised? • Show a path of deviations for propagation – Display all hazards with a given severity rank or higher
Filtered Output showing Fault Paths for a given Hazard
Automated Batch Plant Hazard Identification • Batch operation – Early research prototype (CHECKOP) – Basic technology • Action representation • State-based simulation – Go through a set of operation instructions systematically and identify potential ambiguities, operating problems and hazards – Applying guidewords such as before, after, no action, etc.
CHECKOP System Overview
Simple Batch Reactor Example
CHECKOP Plant Description instance(tank 101 isa tank, [content info [reactant. A], outports info [out is [pump 101, in]]]). instance(pump 101 isa pump, [status is offline, outports info [out is [valve 101, in]]]). instance(valve 101 isa valve, [status is closed, outports info [out is [reactor 101, in 2]]]). instance(reactor 101 isa stirred_tank_reactor, [ outports info [out 1 is [valve 103, in], out 2 is [valve 106, in]], heat. Sink info [hout is [jacket 101, hin]], reaction info [reaction_ab_p] ]).
Operating instruction format • Natural language – Easy for user – Requires natural language processing – Could be ambiguous • Structured template – Easy for computer to process – Limited expressive power
Operating instruction format • Object Action – valve 101 open • Object Action until Condition – mixer on until elapsed-time 20 minute • Object 1 Action Object 2 Filler-word Fluid until Condition – reactor 101 fill-from tank 101 with reactant. A until volume 30 percent
CHECKOP Operating Procedure Input charge reactor 101 with reactant. A: { (1) valve 101 open (2) pump 101 start (3) reactor 101 fill_from tank 101 with reactant. A until volume 30 percent (4) pump 101 stop (5) valve 101 close } etc…
Deviation Generation • Combine each single action in the procedure with guide words, from: – No action – Simple omission. – Early/Late action – Sequence of procedure changed (how many steps feasible? ). – Early/Late action termination – “until” condition of action varied. • Then, simulate the effect of executing the new procedure on the plant, detect hazards.
Batch HAZOP Output Operation Keyword (3) reactor 101 No action fill from tank 101 with reactant. A until volume Early action 30 percent (-2) Late action (+3) Consequences (6) agitator running while vessel empty (17) cannot empty [reactant. A, product. P] from reactor 101 to tank 103 because content of reactor is [reactant. B]. reactor 101 cannot be filled from tank 101 because there is no flow path.
Batch HAZOP Output Operation Keyword Consequences (3) reactor 101 fill from tank 101 with reactant. A until volume 30 percent Early termination (to only 10 percent) no consequence. Late termination (to 50 percent) (17) cannot empty [reactant. A, product. P] from reactor 101 to tank 103 because content of reactor is [reactant. A, product. P]. (17) contamination in tank 103.
Future Work on CHECKOP • A formal structured language for operating instructions • More guide words – “Other” Action – change other variables of the Action model • Rules for reasonable deviations – What are the most likely mistakes in operation? • Integrate with HAZID – HAZID is strong on process hazards, CHECKOP better for operating errors, etc. – HAZOP of start-up, shutdown, maintenance, etc.
Conclusions • Automated hazard identification – continuous operation • commercial tool that can reduce the time of HAZOP – batch operation • promising area of research and development for identifying problems associated with human errors and operating procedures • Benefits: – Doing HAZOP earlier, and on modifications. – Consistent, repeatable, complete hazard identification method.
Acknowledgements • The work described in this presentation is being funded by – HAZID Technologies Ltd – Engineering and Physical Sciences Research Council, UK • Thanks are also due to my colleagues – Dr Steve Mc. Coy – Mr Dingfeng Zhou