Generic Data Acquisition GDA RCP Framework Matthew Gerring

  • Slides: 21
Download presentation
Generic Data Acquisition (GDA) RCP Framework Matthew Gerring Data Acquisition Diamond Light Source

Generic Data Acquisition (GDA) RCP Framework Matthew Gerring Data Acquisition Diamond Light Source

Introduction Includes reusable UI Components Link to hardware via name server Supports EPICS, Tango,

Introduction Includes reusable UI Components Link to hardware via name server Supports EPICS, Tango, etc. GDA 7 – Uses Swing GDA 8 – RCP framework

GDA 7 – User Interface As Richard said collaboration Diamond / Daresbury SRCG Built

GDA 7 – User Interface As Richard said collaboration Diamond / Daresbury SRCG Built on Swing Components which can be reused for a similar task. UI tightly linked to functionality Respected and in active use at Diamond

RCP Advantages Uses RCP technology based on Eclipse More productive developer tools. Fast operation

RCP Advantages Uses RCP technology based on Eclipse More productive developer tools. Fast operation due to native widgets and lazy loading architecture Completely modular design split up into ‘Editors’, ‘Views’ and ‘Actions’ (et. al. ). Plugins [Widgets look/feel nice to use! Is this really scientific software? ]

RCP Framework RCP Swing Coding Starts Here RCP Frame Work Internal frames, toolbars, editors,

RCP Framework RCP Swing Coding Starts Here RCP Frame Work Internal frames, toolbars, editors, views, etc. JFace Tables, Trees, Models, Editors, Views, etc. Swing tables, trees, models etc. SWT Widgets – Native Swing/AWT Widgets – Light Weight

RCP Disadvantages Eclipse complex to configure when deploying the RCP application Eclipse is not

RCP Disadvantages Eclipse complex to configure when deploying the RCP application Eclipse is not bug free Exceptions are not reliably thrown by the eclipse architecture unlike Swing. Internal stack traces Error Dialogs Exceptions caught and quietly dealt with

GDA 8 – RCP Framework Develop user interface components not linked to hardware. Store

GDA 8 – RCP Framework Develop user interface components not linked to hardware. Store input data in XML Develop components to interact with XML Link XML data to hardware using GDA server. Interpret data using common tools Keep UI configuration in Java

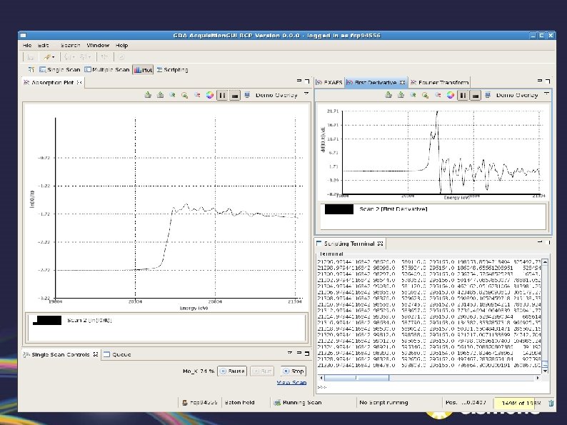
Spectroscopy Beamlines I 20, B 18, I 20_1 Develop new RCP GDA Client software

Spectroscopy Beamlines I 20, B 18, I 20_1 Develop new RCP GDA Client software Drive the server with XML files Edit and run the XML files using RCP ‘Editors’ Advanced multi-scan features Real time data analysis Professional UI development

Demonstration Questions

Demonstration Questions