Impianti elettrici per DC Progetto uso e manutenzione
































- Slides: 32
Impianti elettrici per DC Progetto, uso e manutenzione
La distribuzione elettrica • CIRCUITO: def. Parte di impianto protetto da un dispositivo di protezione (=interruttore automatico o fusibile) • Ogni volta che c’è un cambio di sezione di conduttura è necessaria una protezione= circuito. • In un impianto di distribuzione il numero dei circuiti dipende dalla topologia scelta. Il dispositivo di protezione Interruttore automatico o fusibile ha lo scopo di interrompere una corrente di guasto che può essere: - Corto circuito - Sovraccarico - Guasto a terra - Progetto elettrico
Protezione dei circuiti terminali nei rack - Corto circuito interno al PS: interviene il fusibile + interruttore a monte (molto probabilmente) - Guasto a terra nel PS: interviene il differenziale della spina blindo - Guasto su presiera o linea di alimentazione: interviene l’int. a monte Le apparecchiature informatiche installate protette dal conduttore PE e dal conduttore EQS. Con la corretta installazione Attenzione agli adattatori delle prese e ai collegamenti non corretti in cui manca il PE La spina shuko può entrare, a forza, nella presa bipasso, ma non ha il PE !
Distribuzione interna ai Rack • Prese C 13 max 10 A C 21 Shuko e IT 16 A Vanno protette da sovraccarico • Sistemi precablati e PDU • STS
Selettività delle protezioni In condizioni di guasto vogliamo che apra l’interruttore più vicino al guasto, in modo da limitare il disservizio alla parte più piccola di impianto. -> deve aprire D 2 e non D 1 Selettività in condizioni di Corto Circuito Con interruttori modulari, per avere un livello di selettività accettabile, gli interruttori a valle devono avere In molto più piccola di quelli a monte. - Interruttori di taglia simile non saranno mai selettivi (es 32 A a monte con 16 A a valle) - Una eccessiva ramificazione fa perdere la selettività Selettività in condizioni di guasto a terra con differenziali • Due differenziali ad intervento istantaneo, in serie, non saranno mai selettivi, anche se con Idn diverse. • Nel caso di protezioni differenziali in serie, usare a monte dispositivi selettivi (di tipo “S”) e/o ritardabili per ottenere la selettività.
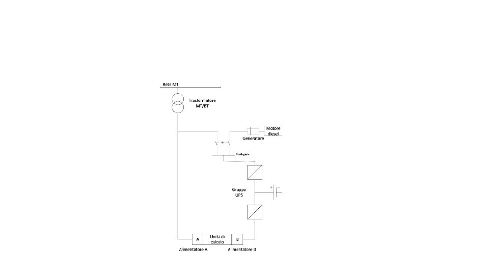
Alcuni elementi critici per la continuità di servizio Impianti elettrici • Ridondanza dei circuiti • Differenziali • Selettività delle protezioni • Falsa ridondanza per apparati di cooling ridondati • Alimentazioni ausiliari e controlli R. Ricci
Uso corretto degli alimentatori ridondati Attenzione: non è detto che una macchina con due alimentatori sia in configurazione ridondata !
I differenziali nei DC • Assicurano facilmente la protezione dai contatti indiretti • Intervengono per piccole correnti di guasto a terra, riducendo il rischio di incendio • Il differenziale con Id ≤ 30 m. A assicura la protezione addizionale dai contatti diretti Quasi indispensabili nei DC perché: - DC sono classificati luoghi MARCI –> obbligatorio il differenziale sui circuiti di distribuzione del DC per prevenzione innesco incendi. Probabilmente a monte ci sono altre protezioni da guasto a terra, quindi il differenziale sulle linee del DC è necessario almeno per ragioni di selettività con il resto dell’impianto. - Il differenziale con Id ≤ 30 m. A sulle utenze terminali è utile (non indispensabile) per la protezione addizionale dai contatti diretti, e permette la selettività: interviene solo l’interruttore sul circuito terminale (= presiere) e non il generale. Possono essere evitati: - Se il sistema è TN-S = alimentato da cabina propria, o con trasformatore di separazione BT/BT, proposto anche da alcuni fornitori in Kit - utilizzando condizioni di posa particolari -Aggiungendo i conduttori equipotenziali supplementari -Devono essere fatte misure (Zs) e controlli periodici aggiuntivi Per le utenze dei DC devono essere di Classe A, altrimenti possono non essere efficaci
Problemi connessi con i differenziali • Tutte le apparecchiature informatiche hanno filtri EMI in ingresso che implicano la circolazione di piccole correnti permanenti a 50 Hz (dichiarate dal costruttore) • + correnti a frequenze superiori legate alle apparecchiature e alla rete (non dichiarate) Ig~0, 5÷ 1, 5 m. A @50 Hz • I dispositivi differenziali hanno soglia di possibile intervento al 50% della Idn -> Limite sul numero di utenze alimentabili da un differenziale Per Idn 30 m. A- Cl. A cautelativamente max 6 utenze da presa a spina • Sono sensibili ai transitori di manovra e agli impulsi dovuti a scariche atmosferiche, che provocano correnti transitorie a causa delle capacità verso terra dei circuiti e dei filtri. Transitori tipici: • Inserimento di nuove utenze o rialimentazione di una linea con tutte le utenze (=filtri EMI) inseriti • Commutazione rete/gruppo • Commutazione Inverter/bypass UPS • Manovre sulla rete elettrica, soprattutto se comportano lo spostamento del punto di messa a terra del sistema di neutro Filtro EMI Soluzioni • Limitazione del n. di utenze sotto lo stesso differenziale -> aumento del n. di circuiti • Utilizzo di differenziali IMMUNIZZATI: hanno maggiore resistenza alle correnti transitorie e alle alte frequenze. Tipologia non normata e quindi ogni costruttore li chiama in maniera differente. Consentono di poter inserire circa il doppio di utenze e evitare buona parte degli scatti intempestivi • Eliminazione dei differenziali con sistema TN-S puro
UPS – inserimento nella rete
Configurazioni UPS Line interactive Doppia conversione Monolitici Parallelo Modulari Modalità ECO Trafoless Con trasformatore In rack Locale dedicato Locale batterie dedicato
Co nd i zio ni t ip ich ed iu til izz o Batterie Pb/acido Tecnologia VRLA sta per Valve Regulated Lead Acid, il che significa che le batterie sono sigillate. Il gas esce attraverso le valvole di sicurezza solo in caso di sovraccarico o guasto delle celle. Le batterie VRLA sono esenti da manutenzione per tutta la vita. Batterie sigillate AGM (VRLA) AGM =Absorbent Glass Mat. L’elettrolita viene assorbito da un tappeto di fibra di vetro posizionato tra le piastre per azione capillare. Le batterie AGM sono più adatte per fornire correnti elevate in tempi rapidi rispetto alle batterie al gel. Batterie sigillate al Gel (VRLA)Qui l'elettrolita è immobilizzato come gel. Maggiore durata e migliore capacità di ciclo rispetto alle batterie AGM Vita dichiarata
Batterie /temperatura La vita attesa è dichiarata in condizioni Eurobat=20 °C Al di sopra di questo valore si ha un invecchiamento precoce Oltre i 40 °C la vita precipita in pochi mesi E’ cruciale il condizionamento del locale batterie
UPS e incendi • UPS può essere origine di incendio per la presenza di dispositivi di potenza, cavi e connessioni che possono essere danneggiate ecc. ma soprattutto per la presenza di batterie… • Batterie sono fatte con involucro in plastica, -> emissione di gas tossici, corrosivi e fumi opachi • Possono esplodere per guasti interni, con emissione di acidi • Il banco batterie ha un elevato numero di connessioni soggette ad ossidazione ecc… • Sono tante… Dove metterlo a) Nel locale DC: • Stesso sistema di condizionamento • Semplificazione impiantistica • Ma rischio maggiore Il locale batterie deve essere ventilato per assicurare lo smaltimento del H 2 che si produce b) In un locale dedicato e diverso compartimento antincendio: • Rischio minore • Condizionamento dedicato (e può aumentare il tasso di guasto…) c) UPS con batterie in locale separato (per taglie importanti) • Condizionamento dedicato al solo locale batterie, • L’UPS può essere raffreddato per sola ventilazione • Riduzione dei consumi per condizionamento e massimizzazione della vita delle batterie
Falsa ridondanza per apparati di cooling ridondati • Spesso vengono presentati sistema di cooling ridondati dal punto di vista meccanico: Doppio compressore, doppia macchina, ecc. ma si perde l’effettiva ridondanza in caso di guasto elettrico se: • I due apparati sono alimentati dallo stesso circuito (interruttore) • C’è un interruttore differenziale in comune. • Gli ausiliari sono alimentati da una delle due macchine • Il controllo non ammette il fault di una macchina (master)
Batterie Li-Ion • Massima disponibilità • Ricarica batteria UPS estremamente rapida. • Scalabilità garantita per espansioni di potenza o ridondanza. • Manutenzione ridotta dei componenti batteria. • Elevata affidabilità • • Prestazioni ottimali in tutte le condizioni critiche di utilizzo. • Controllo batteria UPS interattivo. • Monitoraggio "da cella" integrato. • Ampio intervallo di temperature di esercizio (da 0°C a +40°C). • Soluzione economica • • Elevata densità di potenza con un ingombro ridotto. • Oltre 15 anni di vita utile prevista. • Maggiore capacità di ciclo: 10 volte di più di UPS batterie VLRA. • Meno requisiti di raffreddamento.
Nuova alimentazione della sala CED di RM 1 • Alimentazione ridondata UPS + Normale per ogni rack • Nessun quadro di distribuzione intermedio • Alimentazione del rack diretta da Blindo con cassetta di derivazione con interruttore trifase magnetotermico differenziale. • Massima selettività delle protezioni: MT: 160 A su generale/16 A su circuiti teminali. –Diff: Selettivo su gen/ 300 m. A su circ. term. • Distribuzione interna trifase con presiera da 40 posti • Collegamento EQS di ogni rack sotto il pavimento • Misurabilità dei consumi per PUE Ridondanza reale del cooling: alimentazioni separate dei 3 chiller, dei gruppi idronici, e del controllo.
Ced SICR RM 1 BS 160 A “normale” Blindo 160 A UPS Canalina portacavi rete Cassetta di derivazione con interruttore MT 4 x 16 A + diff. 300 m. A Classe A
Rischi di origine elettrica • Elettrocuzione • Innesco di incendi • Esplosione (in caso di atmosfere esplosive) • (Esposizione ai CEM)
Gli effetti della corrente sul corpo umano /1 Il passaggio di corrente elettrica nel corpo umano procura danni alla salute, che sono di maggiore gravità in rapporto all’intensità della corrente elettrica che lo percorre. Rispetto alla gravità di un infortunio sono molto importanti i seguenti elementi:
Gli effetti della corrente sul corpo umano /2 Una corrente elettrica che attraversa la zona toracica del corpo è notevolmente più dannosa di un’altra che passa per il bacino o gli arti, in quanto nella cassa toracica vi sono il cuore e il sistema respiratorio che sono particolarmente delicati; pertanto nel determinare gli effetti della corrente elettrica si deve prendere in considerazione la via che questa ha percorso dentro il corpo umano. L'attraversamento del corpo da parte della corrente elettrica può provocare e le seguenti conseguenze: - Tetanizzazione : fenomeno che viene denominato come una malattia di diversa natura ma con identici effetti. In - Arresto della respirazione : la respirazione avviene con inspirazione e successiva espirazione di un certo volume di - Fibrillazione ventricolare : per quanto detto è prevedibile che in un organo palesemente delicato quale è il cuore, che - Ustioni: sono tanto più elevate quanto maggiore è la resistenza all'attraversamento del corpo da parte della corrente che, condizioni normali, la contrazione muscolare è regolata da impulsi elettrici trasmessi, attraverso i nervi, ad una placca di collegamento tra nervo e muscolo, denominata "placca neuromuscolare". L´attraversamento del corpo da parte di correnti superiori provoca, a certi livelli di intensità, fenomeni non voluti di contrazione incontrollabile che determinano in modo reversibile l´impossibilità di reagire alla contrazione. Esempio il contatto tra un conduttore in tensione e il palmo della mano determina la chiusura indesiderata e incontrollabile della mano che rimane per questo attaccata al punto di contatto. aria che si ripete normalmente circa 12 -14 volte al minuto. I singoli atti respiratori avvengono per la contrazione dei muscoli intercostali e del diaframma che con il loro movimento cambiano il volume della cassa toracica. Durante l'elettrocuzione per gli stessi motivi si determina la "tetanizzazione" con i muscoli che si contraggono e non permettono l'espansione della cassa toracica bloccando di fatto la respirazione. Se non si rimuove prontamente la causa della contrazione e se non si effettua, in seguito a evento di notevole intensità, la respirazione assistita il soggetto colpito muore per asfissia. fonda la propria funzionalità su ritmi dettati da impulsi elettrici, ogni interferenza di natura elettrica può causare scompensi alla normale attività di pompaggio. Sulla base dell'intensità di corrente e della durata del fenomeno accidentale, questa modificazione causa la mancata espulsione dall'organo di sangue ossigenato. Questo provoca il mancato nutrimento in particolare del cervello che, a differenza di altri organi non può resistere per più di 3 - 4 minuti senza ossigeno, senza risultare danneggiato in modo irreversibile. In detto caso un immediato massaggio cardiaco dà qualche possibilità di recuperare l'infortunato, altrimenti destinato a morte certa. per effetto Joule, sviluppa calore. Normalmente le ustioni si concentrano nel punto di ingresso ed in quello di uscita della corrente elettrica dal corpo in quanto la pelle è la parte che offre maggiore resistenza. La gravità delle conseguenze è in funzione dell'intensità di corrente e della durata del fenomeno.
CONTATTI DIRETTI CONTATTO CON UNA PARTE NORMALMENTE IN TENSIONE Protezione dai CONTATTI DIRETTI • Isolamento delle parti attive • Involucri o barriere • Uso di Bassissime tensioni (PELV –SELV…) < 25 V in AC • Ostacoli • Distanziamento Protezione ADDIZIONALE mediante interruttori differenziali
CONTATTI INDIRETTI CONTATTO CON UNA MASSA O UNA PARTE CONDUTTRICE A SEGUITO DI UN GUASTO ALL’ISOLAMENTO PRINCIPALE Definizione di MASSA: parte metallica normalmente non in tensione, che può andare in tensione per guasto dell’isolamento principale di una parte attiva • INVOLUCRO MOTORE ELETTRICO • INVOLUCRO APPARECCHIATURA ELETTRICA • PARTE METALLICA DI UNA STRUTTURA ELETTRIFICATA • ECC. • Interruzione automatica dell’alimentazione e messa a terra • Uso di componenti a doppio isolamento • (Uso di luoghi non conduttori, separazione elettrica ecc… )
Protezione dai CONTATTI INDIRETTI Protezione mediante interruzione automatica dell’alimentazione Conduttore di protezione PE Collegamento equipotenziale nel sistema TN Assicurata se la corrente di guasto Ig è maggiore della corrente di sicuro intervento del dispositivo di protezione. E’ necessario il collegamento PE che consente la circolazione di corrente in caso di perdita di isolamento e di limitare la tensione cui si porta la massa in caso di guasto. La mancanza del PE impedisce il funzionamento delle protezioni. Il collegamento equipotenziale PE è soggetto a verifiche e manutenzione
Tali norme non si applicano alle persone comuni che utilizzano impianti ed apparecchi elettrici purché progettati ed installati per l’uso di tali persone e rispondenti alle norme pertinenti I lavori elettrici sono competenza del personale autorizzato (e formato) dal datore di lavoro -> PES, PAV, Preposto e Responsabile degli impianti L’installazione di HW non è un lavoro elettrico
Incendi di origine elettrica • Sovraccarichi • Contatti ossidati o allentati • Archi elettrici Una presa contatti allentati o inserita male può essere causa di incendio
Attività del personale informatico in sala TIER 1 • Installazione di HW all’interno di Rack precablati alimentati da prese a spina da 16 A -> attività di competenza generica (uso domestico o similare) • Il rischio deriva dalla densità elevata Responsabilità da concordare con il responsabile e preposto agli impianti: Limiti di competenze CHI FA COSA Tutti: Segnalazione di guasti, cavi danneggiati Mantenimento di ordine e pulizia nelle installazioni Evitare rischi di intralcio Evitare che i cavi siano tesi (peggiorano i contatti delle spine)
Si fa / Non si fa Elementi per il confronto 1. 2. 3. 4. 5. 6. 7. Riarmare un interruttore in un rack Riarmare l’interruttore sulla spina blindo Riarmare l’interruttore di un blindo Staccare o attaccare una spina blindo Manovrare un interruttore in un quadro Inserire una nuova apparecchiatura ed alimentarla Provare un nuovo HW
Manutenzione degli impianti elettrici • Pulizia • Serraggio morsetti • Controllo a vista • Movimentazione degli interruttori • Prove di scatto dei differenziali • Controllo degli strumenti di misura • Illuminazione di sicurezza Obbligo di manutenzione deriva dal D. lgs. 81/08 art. 64 Verifiche periodiche D. lgs. 462/01 ogni 2 o 5 anni
Termografia IR