CH 6 Les compteurs sont des lments essentiels

















- Slides: 17
CH 6: Les compteurs sont des éléments essentiels de logique séquentielle; ils permettent en effet d’établir une relation d’ordre de succession d’événements. L’état du compteur est défini par le nombre binaire formé par l’ensemble de sorties des bascules.
On distingue deux grandes familles de compteurs qualifies de “synchrone” et “asynchrone”. Dans les compteurs synchrones, toutes les bascules sont synchronisées sur une seule et même horloge H. Dans les compteurs asynchrones, chaque bascule génère un nouveau signal d’horloge pour la suivante.
compteur asynchrone : Front descendant 1 1 1 H 1 QA QB QC 0 1 0 1 0 0 0 1 1 0 0 1 2 3 4 5 6 7 0 Un compteur progressif octal (modulo 8: compte de 0 à 7)
Si on avait pris les sorties Q comme référence en aurait en QAQBQC les valeurs 111, 110, 101, … 001, 000, 111 ce compteur est dit régressif modulo 8. 1 1 1 H 1 QC QB QA 1 1 1 0 0 0 1 1 0 0 0 QA QB QC
Transcodeur
Différentes formes de bascules pour réaliser un compteur asynchrone: H QD QJK QRS
Décompteur modulo 8 à base de RS
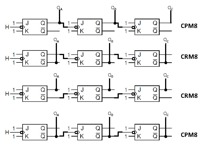
QA QB QC CRM 8 QA QB QC CPM 8 QA QB QC CRM 8
QA QB QC CPM 8 QA QB QC CRM 8 QA QB QC CPM 8
Remarque: • CPM 8: Compteur Progressif Modulo 8 • CRM 8: Compteur Régressif Modulo 8 compteur asynchrone modulo N avec des bascules J-K Exemple: comment réaliser un compteur modulo 9 c’est à dire compte de 0 à 8 : • Nombre des bascules nécessaires : 23 < 9 < 24 : donc il faut 4 bascules. • Solution il faut mettre les sorties des bascules à 0 lorsque le nombre Q 3 Q 2 Q 1 Q 0=1001. • Moyen : utilisation de l’entrée (forçage de zéro) des bascules quand la sortie vaut 9 donc la sortie clear= �� 2�� 1�� 3�� 0
1 ere méthode:
2ème méthode:
Nous avons vu que le système asynchrone avait un inconvénient. Il faut attendre que chaque impulsion d’horloge se propage d’un bout à l’autre du compteur. Cela limite la fréquence maximale d’utilisation surtout pour les cycles de comptage assez longs. compteurs synchrones: Un montage synchrone impose que toutes les bascules changent d’état en même temps. Pour cela, il faut que les bascules soient connectées avec une même entrée d’horloge.
1. la table d’excitation (transition) : La table d’excitation d’une bascule est l’inverse de table de vérité, et les tables d’excitation des bascules J-K, R-S, T, et D sont donnée comme suit :
Pour réaliser un compteur synchrone progressif modulo 6 par exemple (compte de 0 à 5) à base de bascule J-K il faut : • Préciser le nombre des bascules utilisées : 22<6<23. Alors 3 bascules J-K. • Remplir la table d’état présent et l’état futur à l’aide de la table d’excitation :
Qb. Qa Qc
Qb. Qa Qc