ARALARDA HDROLK PNMATK SSTEMLER MODL ARALARDA HDROLK PRENSPLER















- Slides: 15
ARAÇLARDA HİDROLİK PNÖMATİK SİSTEMLER MODÜL: ARAÇLARDA HİDROLİK PRENSİPLERİ 06. 10. 2020
Hidrolik prensipler, hidrostatik ve hidrodinamik prensipler olarak iki ana başlık altında toplanmaktadır.
� Kapalı bir kaptaki durgun sıvılara ait prensip ve kanunlardır.
� Hidrostatik prensiplerden ikincisine Pascal Kanunu da denir. Pascal Kanunu’na göre sıvı dolu bir kaba uygulanan kuvvet sonucu meydana gelen basınç, sıvı tarafından kabın bütün yüzeylerine aynen iletilir. Burada yerçekimi kuvveti ihmal edilmektedir. Bu prensiplerden yararlanılarak hidrolik sistemler ve hidrolik sistemlerle çalışan makineler geliştirilmiştir.
� Bu prensiplerin en önemli özelliği ise sisteme uygulanan küçük bir kuvvetin büyük kuvvetlere dönüşmesidir. � Bu noktada, hidrolik sistem basınçlarının nasıl oluştuğuna kısaca değinelim. Böyle bir sistemde basıncı belirleyen faktör, karşı dirençtir. Basit olarak bu direncin bir silindirin kaldıracağı yük olduğunu düşünelim. Burada yükün hareket edebilmesi içinsistem basıncının yük ve piston alanı kadar yükselmesi gerekir. Yük azalırsa sistem basıncı da kendiliğinden azalacaktır. Basıncın gerekli değer kadar yükselmesi, dış etkenlerle sağlanır ki hidrolik sistemlerde bu bir pompadır.
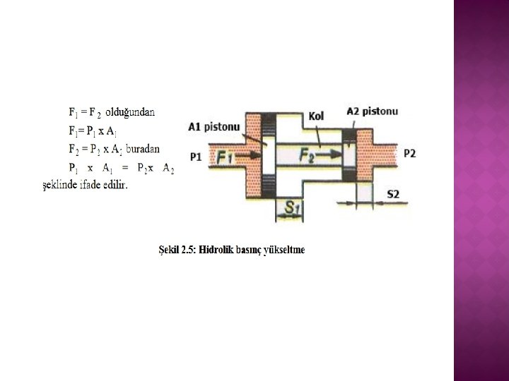
� Kesit ölçüleri farklı iki piston kullanarak akışkanların basıncını artırma işlemine “hidrolik basınç yükseltme” adı verilir. Hidrolik basınç yükseltme prensibi araçların hidrolikle çalışan fren sistemlerinde ve direksiyon sistemlerinde, asansörlerde, kaldırma ve iletme araçlarında, iş makinelerinin hidrolik sistemlerinde kullanılmaktadır.
� Hidrolik, kapalı bir hacimdeki sıvıyı iterek sağlanan bir güç iletim metodu olarak da tanımlanabilir. Sistemin başlangıç elemanı bir pompa, son elemanı ise silindir veya hidrolik motor gibi bir alıcıdır. Hidrolik sistemlerde güç iletimi ve enerji değişimi Şekil 2. 6’da görülmektedir. Şekilden de anlaşılacağı gibi hidrolik sistemin kendisi bir güç kaynağı değildir. Güç kaynağı olarak bir elektrik motoru veya içten yanmalı bir motor kullanılmaktadır.