Linked List 6 3 7 3 NESTED LOOP
















- Slides: 16
Linked List 6. 3 & 7. 3 NESTED LOOP`` INSERT TENGAH 1
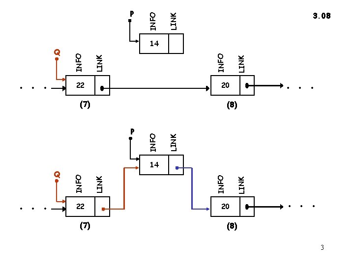
3. 08 INSERT TENGAH Menyisipkan simpul baru diantara dua buah simpul pada sebuah Linked List yang sudah ada 2
LINK INFO (8) P . . . 20 (7) 22 (7) INFO LINK 14 INFO Q LINK INFO LINK 22 LINK . . . 3. 08 14 INFO Q INFO P 20 . . . (8) 3
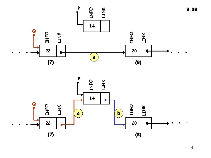
22 (7) LINK INFO a b INFO LINK INFO 14 LINK . . . (8) LINK P . . . 20 a (7) Q LINK 22 INFO . . . 3. 08 14 INFO Q INFO P 20 . . . (8) 4
Q 22 (7) LINK P a b LINK a INFO (7) LINK 22 INFO LINK INFO Q INFO LINK INFO P 14 20 (8) 14 a b b a 20 (8) 5
Q 22 (7) LINK P a b LINK a INFO (7) LINK 22 INFO LINK INFO Q INFO LINK INFO P 14 20 (8) 14 a b b a 20 (8) 6
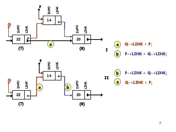
20 (8) 22 (7) II LINK b INFO LINK INFO 14 a I a Q->LINK = P; b P->LINK = Q->LINK; a Q->LINK = P; LINK P INFO a (7) LINK INFO LINK 22 Q LINK 14 INFO Q INFO P 20 (8) 7
. . . LINK 3. 08 22 a (7) I LINK INFO 14 INFO Q INFO P 20 a Q->LINK = P; b P->LINK = Q->LINK; . . . (8) 8
14 22 (8) P 22 (7) LINK a INFO 14 LINK Q->LINK = P; INFO Dengan : 20 a (7) LINK INFO Q LINK P->LINK = Q->LINK; INFO P INFO b Q->LINK = P; LINK a INFO I 20 (8) 9
14 a 22 20 (7) P->LINK = Q->LINK; P 22 (7) a LINK b INFO LINK 14 INFO Q LINK (8) INFO Dengan : LINK INFO Q LINK P->LINK = Q->LINK; INFO b P Q->LINK = P; LINK a INFO I 20 (8) 10
14 a 22 20 (7) P->LINK = Q->LINK; P 22 (7) a LINK b INFO LINK 14 INFO Q LINK (8) INFO Dengan : LINK INFO Q LINK P->LINK = Q->LINK; INFO b P Q->LINK = P; LINK a INFO I 20 (8) 11
. . . LINK 3. 08 22 a (7) II LINK INFO 14 INFO Q INFO P 20 b P->LINK = Q->LINK; a Q->LINK = P; . . . (8) 12
Q->LINK = P; LINK 14 22 20 a (7) LINK INFO Q INFO a P P->LINK = Q->LINK; LINK b INFO II (8) 22 (7) LINK b INFO LINK a 14 INFO Q LINK P INFO Dengan : P->LINK = Q->LINK; 20 a (8) 13
Q->LINK = P; LINK 14 22 20 a (7) LINK b INFO Q INFO a P P->LINK = Q->LINK; LINK b INFO II (8) 22 (7) a b LINK (8) INFO LINK 14 INFO Q LINK P INFO Dengan : Q->LINK = P; 20 (8) (9) 14
Algoritma untuk : INSERT TENGAH Bila pointer Q sudah menunjuk simpul Yang disebelah kiri : Q->LINK = P; P->LINK = Q->LINK; 15
16