Wiring Schematics 101 Electrical Symbols Supplemental Inflatable Restraint
Wiring Schematics 101
Electrical Symbols • Supplemental Inflatable Restraint (SIR) or Supplemental Restraint System (SRS) Icon • This icon is used to alert the technician that the system contains SIR/SRS components that require certain precautions before servicing.
• Voltage Indicator Boxes • These boxes are used on schematics to indicate when voltage is present at a fuse.
• Partial Component • When a component is represented in a dashed box, the component or its wiring is not shown in its entirety. • Entire Component • When a component is represented in a solid box the component or its wiring is shown in its entirety.
• Fuse • Circuit Breaker
• Fusible Link • Connector Attached to Component
• Pigtail Connector • Bolt On or Screw On Eyelet Terminal
• Inline Harness Connector • Splice
• Pass Through the Grommet • Chassis Ground
• Case Ground • Single Filament Light Bulbs
• Double Filament Light Bulb • Light Emitting Diodes
• Capacitor • Battery
• Resistor • Variable Resistor
• Position Sensor • I/O Resistors
• I/O Switches • Diode
• Crystal • Heating Elements
• Motor • Solenoid
• Coil • Switches
• Single Pole Single Throw Relay • Single Pole Double Throw Relay
AWG CHART (Gauge) 8/0 7/0 6/0 5/0 4/0 3/0 2/0 0 10 11 12 14 16 (Inches) 0. 7314 0. 6514 0. 5801 0. 5166 0. 4600 0. 4096 0. 3648 0. 3249 0. 1019 0. 0907 0. 0808 0. 0641 0. 0508 (Gauge) 18 19 20 21 22 23 24 25 26 27 28 29 30 (Inches) 0. 0403 0. 0359 0. 0320 0. 0285 0. 0253 0. 0226 0. 0201 0. 0179 0. 0159 0. 0142 0. 0126 0. 0113 0. 0100
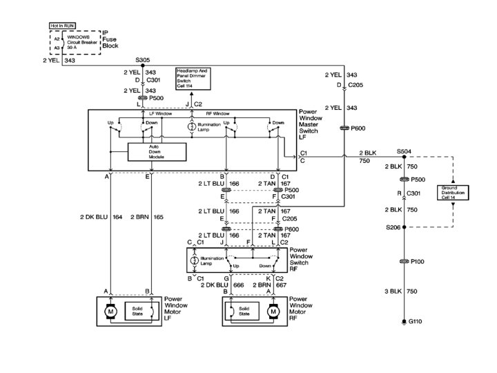
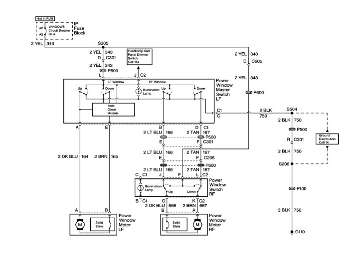
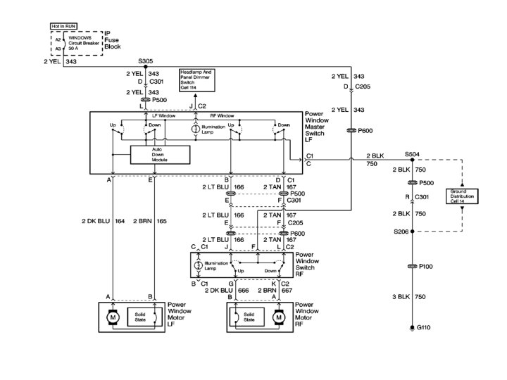
How to Use Electrical Schematics • Important • The schematic does not represent the components and wiring as they physically appear on the vehicle. For example, a 4 -foot length of wire is treated no differently in a schematic from one which is only a few inches long. • When diagnosing a horn problem use the service information located in the Horns service category. The following schematic is a typical example of a schematic with its supporting text. Schematics use a top (power) to bottom (ground) sequence to present electrical information.
Power Window IP Fuse Block Window Circuit Breaker Amp Hot in Run 343 2 YEL S 305 D C 301 P 500 C 2 L 2 DK BLU 164 S 504 G 110
FRT DOOR COMPONET LOCATOR 1 S 504 (Left), S 601 (Right) 2 S 600 (Right) 3 S 506 (Left) 4 S 605 (Right 5 Front Power Window Switch Connector (C 1) 6 Front Power Window Switch Connector (C 2) 7 Power Door Lock Switch Connector 8 Front Door Lock Motor 9 Front Door Lock Motor Connector 10 S 505 (Left), S 603 (Right) 11 Speaker Connector 12 P 500 (Left), P 600 (Right)
Zoning All grounds, in-line connectors, passthrough grommets, and splices have identifying numbers that correspond to where they are located in the vehicle. The following table explains the numbering system
Callout Numbers Zone Description 100 -199 Engine compartment (All forward of the dash panel) 001 -099 are additional for the engine compartment (Only to be used if all 100 -199 items are used) 200 -299 Within the instrument panel area 300 -399 Passenger compartment (From instrument panel to the rear wheelhouse) 400 -499 Luggage compartment (From the rear wheelhouse to the rear of the vehicle 500 -599 Within the left front door 600 -699 Within the right front door 700 -799 Within the left rear door 800 -899 Within the right rear door 900 -999 Within the liftgate or endgate door
CONNECTOR END VIEWS
Power Windows Circuit Description • • • A permanent motor operates each of the power windows. Each motor raises or lowers the glass when voltage is supplied to the motor. The direction that the motor turns depends on the polarity of the supply voltage that the switch provides. The LH front power window master switch controls all of the window motors. The passenger window also has a separate switch. Each motor is protected by a built-in circuit breaker. The circuit breaker opens the circuit if the window switch is held down too long and the following conditions apply: The window is obstructed The window is full up The window is fully down The circuit breaker automatically resets while cooling. When the ignition switch is turned to the RUN position, CKT 343 (YEL) supplies battery voltage to the LH front power window master switch. When you operate any of the UP switches, battery voltage is supplied to the window motor. the voltage is grounded through the DN contact. The motor runs in order to drive the window up. When you operate any of the DN switches, battery voltage is supplied to the window motor in the opposite direction. The window motor is grounded through the UP contact. The motor runs in order to drive the window down.
TIME FOR EXTRA WORK
- Slides: 35