Unit I Introduction to Architecture and Computing models






















![Load/Store instruction datapath lw $t 0, offset($t 1): $t 0=Mem[$t 1 + se(offset)] sw Load/Store instruction datapath lw $t 0, offset($t 1): $t 0=Mem[$t 1 + se(offset)] sw](https://slidetodoc.com/presentation_image_h2/6b36d84f665793be1ad5772f8bee1a6f/image-23.jpg)
![Load instruction datapath lw $t 0, offset($t 1): $t 0=Mem[$t 1 + se(offset)] 4 Load instruction datapath lw $t 0, offset($t 1): $t 0=Mem[$t 1 + se(offset)] 4](https://slidetodoc.com/presentation_image_h2/6b36d84f665793be1ad5772f8bee1a6f/image-24.jpg)
![Store instruction datapath sw $t 0, offset($t 1): Mem[$t 1 + se(offset)]=$t 0 4 Store instruction datapath sw $t 0, offset($t 1): Mem[$t 1 + se(offset)]=$t 0 4](https://slidetodoc.com/presentation_image_h2/6b36d84f665793be1ad5772f8bee1a6f/image-25.jpg)
















- Slides: 41
Unit I Introduction to Architecture and Computing models 5. Data Path and Control
Components of a Computer Processor Control Datapath Devices Memory Input Output 2
Code Stored in Memory Processor Control Datapath 000000 100011 101011 000000 00100 00010 11111 00101 00010 01111 10000 01111 00000 00010000000 0001000000000000000000100 0000001000 Devices Input Output 3
Processor Fetches an Instruction Processor fetches an instruction from memory Memory Processor Control Datapath 000000 100011 101011 000000 00100 00010 11111 00101 00010 01111 10000 01111 00000 00010000000 0001000000000000000000100 0000001000 Devices Input Output 4
Control Decodes the Instruction Control decodes the instruction to determine what to execute Processor Devices Control 000000 00100 0001000000100000 Memory Input Datapath Output 5
Datapath Executes the Instruction Datapath executes the instruction as directed by control Processor Devices Control 000000 00100 0001000000100000 Memory Input Datapath contents Reg #4 ADD contents Reg #2 results put in Reg #2 Output 6
What Happens Next? Memory Processor Control Datapath 000000 100011 101011 000000 00100 00010 11111 00101 00010 01111 10000 01111 00000 00010000000 0001000000000000000000100 0000001000 Devices Input Output Fetch Exec Decode 7
Output Data Stored in Memory At program completion the data to be output resides in memory Processor Memory Control Datapath Devices Input 00000101000000000010011110000000100 000000111110000000001000 Output 8
Processor • Two main components – Datapath – Control 9
Design of Processor 1. Analyze the instruction set architecture 2. Select the datapath elements each instruction needs 3. Assemble the datapath 4. determine the controls required 5. Assemble the control logic 10
A Basic MIPS Implementation • will implement the following subset of MIPS core instructions – lw, sw – add, sub, and, or, slt – beq, j 11
Steps in executing add instruction add $t 0, $t 1, $t 2 • • • Send PC to memory that contains the code and fetch instruction PC = PC+4 Read $t 1 and $t 2 from register file Perform $t 1 + $t 2 Store result in $t 0 12
Steps in executing lw instruction lw $t 0, offset($t 1) • • • Send PC to memory that contains the code and fetch instruction PC = PC+4 Read $t 1 from register file Perform $t 1 + sign-extend(offset) Read value at Mem[$t 1 + sign-extend(offset)] Store result in $t 0 13
Steps in executing beq instruction beq $t 0, $t 1, Label • • • Send PC to memory that contains the code and fetch instruction PC = PC+4 Read $t 0 and $t 1 from register file Perform $t 0 - $t 1 If result = 0, set PC=Label 14
Steps in implementing these instructions • Common steps – Send PC to memory that contains the code and fetch the instruction – Set PC = PC+4 – Read one or two registers • Steps dependent on instruction class – Use ALU • Arithmetic/logical instr for operation execution • lw/sw for address calculation • beq for comparison – Update memory or registers • lw/sw read or write to memory • Arithmetic/logical instr write to register • beq updates PC 15
Components needed for Fetching and Incrementing PC 16
Datapath for Fetching and Incrementing PC 17
Components needed for R-format Instructions add $t 0, $t 1, $t 2: $t 0= $t 1 + $t 2 and $t 0, $t 1, $t 2: $t 0= $t 1 AND $t 2 18
Register File • Consists of a set of 32 registers that can be read and written – Registers built from D flip-flops • has two read ports and one write port • Register number are 5 bit long • To write, you need three inputs: – a register number, the data to write, and a clock (not shown explicitly) that controls the writing into the register – The register content will change on rising clock edge 5 5 5 19
Portion of datapath for R-format instruction 4 rs rt rd R-format 31 -26 25 -21 20 -16 15 -11 10 -6 5 -0 opcode rs rt rd shamt funct 20
Components needed for load and store instructions lw $t 0, offset($t 1): $t 0=Mem[$t 1 + se(offset)] sw $t 0, offset($t 1): Mem[$t 1 + se(offset)]=$t 0 21
Memory Unit Mem. Read • Mem. Read to be asserted to read • Mem. Write to be asserted to write • Both Mem. Read and Mem. Write not to be asserted in same clock cycle • Memory is edge triggered for writes Address Read. Data Write Data Mem. Write 22
Load/Store instruction datapath lw $t 0, offset($t 1): $t 0=Mem[$t 1 + se(offset)] sw $t 0, offset($t 1): Mem[$t 1 + se(offset)]=$t 0 4 I-format 31 -26 25 -21 20 -16 15 -0 opcode rs rt offset 23
Load instruction datapath lw $t 0, offset($t 1): $t 0=Mem[$t 1 + se(offset)] 4 rs rt offset I-format 31 -26 25 -21 20 -16 15 -0 opcode rs rt offset 24
Store instruction datapath sw $t 0, offset($t 1): Mem[$t 1 + se(offset)]=$t 0 4 rs rt offset I-format 31 -26 25 -21 20 -16 15 -0 opcode rs rt offset 25
Branch Instruction Datapath rs rt C 31 -26 25 -21 20 -16 15 -0 opcode rs rt C If ($rs-$rt)=0, PC=PC+4+(C. 4) 26
Creating a single Datapath Simplest Design: Single Cycle Implementation • Any instruction takes one clock cycle to execute – This means no datapath elements can be used more than once per instruction – But datapath elements can be shared by different instruction flows 27
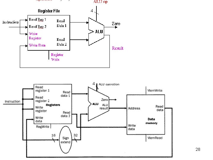
4 4 28
Composite Datapath for R-format and load/store instructions 29
Composite Datapath for R-format and load/store instructions 4 + P C Instruction Memory 30
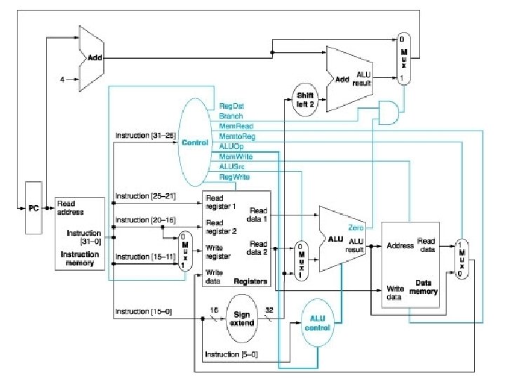
Composite datapath for R-format, load/store, and branch instructions 31
Datapath for R-format, load/store, and branch instructions ALU Operation 4 32
Instruction Reg. Dst Reg. Write ALUSrc Mem. Read Mem. Write Mem. To. Reg PCSrc ALU operation R-format 1 1 0 0 0000(and) 0001(or) 0010(add) 0110(sub) lw 0 1 1 1 0 0010 (add) sw X 0 1 X 0 0010 (add) beq x 0 0 X 1 or 0 0110 (sub) 33
Control • We next add the control unit that generates – write signal for each state element – control signals for each multiplexer – ALU control signal • Input to control unit: instruction opcode and function code 34
Control Unit • Divided into two parts – Main Control Unit • Input: 6 -bit opcode • Output: all control signals for Muxes, Reg. Write, Mem. Read, Mem. Write and a 2 -bit ALUOp signal – ALU Control Unit • Input: 2 -bit ALUOp signal generated from Main Control Unit and 6 -bit instruction function code • Output: 4 -bit ALU control signal 35
36
Truth Table for Main Control Unit 37
Main Control Unit 38
ALU Control Unit • Must describe hardware to compute 4 -bit ALU control input given – 2 -bit ALUOp signal from Main Control Unit – function code for arithmetic • Describe it using a truth table (can turn into gates): 39
ALU Control bits 0010 0110 0001 0111 40
ALU Control Unit 41