Transformer Construction ECE 441 1 ThreePhase Transformer ECE

  • Slides: 16
Download presentation
Transformer Construction ECE 441 1

Transformer Construction ECE 441 1

Three-Phase Transformer ECE 441 2

Three-Phase Transformer ECE 441 2

Transformer Action -- DC ECE 441 3

Transformer Action -- DC ECE 441 3

Opposes battery voltage Opposes flux buildup ECE 441 4

Opposes battery voltage Opposes flux buildup ECE 441 4

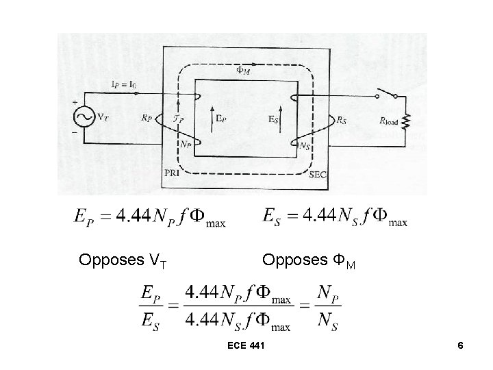
Transformer Action -- AC ECE 441 5

Transformer Action -- AC ECE 441 5

Opposes VT Opposes ΦM ECE 441 6

Opposes VT Opposes ΦM ECE 441 6

“No-Load” Condition ECE 441 7

“No-Load” Condition ECE 441 7

“No load” condition continued Io = Ife + IM Io = exciting current Io

“No load” condition continued Io = Ife + IM Io = exciting current Io provides the “magnetizing flux” and the “core loss” Ife = core-loss current Ife = VT / Rfe IM = magnetizing current IM = VT / j. XM ECE 441 8

No-Load Excitation mmf Magnetizing mmf No-Load Core Loss mmf ECE 441 9

No-Load Excitation mmf Magnetizing mmf No-Load Core Loss mmf ECE 441 9

ECE 441 10

ECE 441 10

Close the load switch Secondary current will set up an mmf in OPPOSITION to

Close the load switch Secondary current will set up an mmf in OPPOSITION to the primary mmf. The core flux will DECREASE to ECE 441 11

The decrease in flux causes a decrease in the counter-emf EP, and the primary

The decrease in flux causes a decrease in the counter-emf EP, and the primary current will increase by an amount known as IP, load, the load component of the primary current. Additional mmf due to this current adds to the magnetizing flux. ECE 441 12

Primary current increases until NPIP, load = NSIS. The flux ΦM and primary emf

Primary current increases until NPIP, load = NSIS. The flux ΦM and primary emf EP return to the same values as before the switch was closed. ECE 441 13

Final steady – state primary current under loaded conditions is ECE 441 14

Final steady – state primary current under loaded conditions is ECE 441 14

Component Fluxes – Loaded Transformer ECE 441 15

Component Fluxes – Loaded Transformer ECE 441 15

ΦP = net flux in window of primary ΦS = net flux in window

ΦP = net flux in window of primary ΦS = net flux in window of secondary Φlp = leakage flux of primary Φls = leakage flux of secondary ΦM = mutual flux ΦP = ΦM + Φlp ΦS = ΦM – Φls ECE 441 16