T TE Vlvulas termostaticas KP Presostatos EKC 201















































- Slides: 47
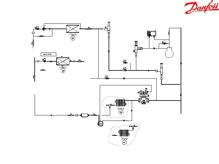
T / TE Válvulas termostaticas KP Presostatos EKC 201 Termostato electrónico EVR Válvula de solenoide KVL Reguladora presión aspiración SGN Visor de líquido TL, FR, SC, MTZ. LTZ Compresores herméticos SGN Visor de líquido GBC Válvulas de bola DCL /DML Filtro deshidratador
Apertura de una válvula
Apertura de dos válvula de distinto tamaño P=2 Q=0 P=2 Q=5 P = 2, 0 Q = 15 P = 2, 1 P=2 Q=0 P = 2, 2 P=2 Q = 1, 5 P = 2, 1 Q=5 P = 2, 2 Mejor válvula pequeña para obtener una buena regulación
NRV KP 61 TE EVR KVP KP 61 TE EVR DN NRVH WVFX OUB SGN
Problemas generales Temperaturas y presiones • Regulación incorrecta • Fuga en el fuelle • Suciedad • Conexión de presión mal hecha • Defecto interno en membranas • Poco gas en la instalación Presión inestable • La válvula es muy grande • Caudal de agua muy grande • Aumento de la presión del agua
Presión Representación de válvulas en el diagrama de Molliere Líquido KVR L+V KVR KVP KVL Capacidad Vapor Entalpia
Molliere KVP Presión Representación de válvulas en el diagrama de Molliere KVP en aspiración Líquido Capacidad P evaporación Precisión Dp válvula L+V Precisión OFFSET To P Capacidad KVP Vapor Entalpia
KVP - CVP
Problemas Temperatura ambiente alta • Regulación alta • Fuga en el fuelle Temperatura ambiente baja • Regulación baja Presión de aspiración inestable • La KVP es muy grande
TE EVR (NC) NRV EVR (NC) PKVS CVPP (HP) EVM PKVS KVR PM 3 NRD
PKVS
Presión de condensación
WVFX
WVFX Pm Pc
KVR, CVPP, NRD
NRV NRVA
NRV
NRD
• La KVR está mal ajustada • El fuelle tiene fuga • Condensador sucio Aire • La WV está mal ajustada • El fuelle tiene fuga • Filtro anterior a WV atascado • Conexión de presión mal hecha • Defecto en la membrana superior Agua Problemas Presión de condensación alta
• Poco gas en la instalación • Recipiente exterior y temperatura muy baja Aire • Caudal de agua muy grande • Aumento de la presión del agua • Defecto en la membrana interior • Suciedad en el cono de la válvula Agua Problemas Presión de condensación baja
KVD
Problemas No hay subenfriamiento en el recipiente • El fuelle de la KVD tiene fuga • Ajuste incorrecto • Aumentar la presión en recipiente y condensador
KVL
KVL y CVC
-30 ºC
Problemas La KVL no regula • El fuelle de la KVL tiene fuga • La KVL es muy grande La KVL hace ruido (silbido) • La KVL es muy grande
KVC
KVC
Problemas Presión de aspiración inestable • La KVC es muy grande Presión de aspiración baja • KVC mal ajustada o defectuosa Temperatura de descarga alta • Fugas en el fuelle de la KVC • Mucho bypass de gas caliente. • Poner TE 2 inyección
CPCE
CPCE
CPCE
Evaporador Temperatura ambiente muy alta Regulador KVP ajustado muy alto Fuga en el fuelle de la KVP Ajustar la KVP Si hay presión al quitar la tapa hay fuga en el fuelle. Cambiar la KVP Temperatura ambiente muy baja Regulador ajustado muy bajo Ajustar la KVP Si hay varios evaporadores con temperaturas distintas, colocar NRV
Evaporador Presión de aspiración inestable El regulador KVP, o KVC o KVL es muy grande Poner el regulador con la capacidad adecuada Presión de aspiración muy alta El regulador KVC está mál, o está ajustado muy alto Sustituir por uno nuevo o ajustar a una presión menor
El fuelle del KVR tiene fugas Válvula de agua WV esta ajustada muy alta Caudal de agua pequeño. Filtro de agua sucio El fuelle de WV tiene fugas La conexión de presión a la WV está atascada o deformada La válvula WV está cerrada por defecto en membrana superior Aire El regulador KVR, esta ajustado muy alto Agua Condensador Presión de condensación muy alta Ajustar correctamente Cambiar la válvula Aumentar caudal de agua ajustando una presión menor Limpiar el filtro Cambiar el fuelle Cambiar el tubo capilar Cambiar la membrana
Condensador Presión de condensación muy baja Caudal de agua grande Membrana interior rota La WV no cierra por suciedad Agua Cambiar la válvula a otra más pequeña y adecuada Cambiar la membrana Limpiar la válvula Limpiar el filtro
Evaporador Presión de condensación inestable La vávlula de agua WV o el regulador KVP son muy grandes Poner el regulador o válvula con la capacidad adecuada Regulador de aspiración fuera de ajuste El regulador KVL tiene fugas en el fuelle Sustituir por uno nuevo
Evaporador Línea de descarga muy caliente Fugas en el fuelle de la KVC Cambiar la válvula La cantidad de gas caliente es Ajustar la KVC mas baja muy grande Regular temperatura de descarga con una T 2 Temperatura de recipiente muy alta. No hay subenfriamiento La KVD está ajustada muy baja Ajustar la KVD mas alta El fuelle de la KVD tiene Cambiar la válvula fugas.