STANDART DII AMNO ASTLER Mutlu SARIKAYA Ankara niversitesi




















































- Slides: 52
STANDART DIŞI AMİNO ASİTLER Mutlu SARIKAYA Ankara Üniversitesi Eczacılık Fakültesi Biyokimya Anabilim Dalı
Standart Dışı Amino Asitler l 1. Protein yapısında bulunan Standart Dışı Amino Asitler l 2. Protein yapısında bulunmayan Standart Dışı Amino Asitler
Protein Yapısında Bulunan Standart Dışı Amino Asitler l Bir standart amino asit polipeptit zinciri yapısına girdikten sonra bir modifikasyona uğrarsa Standart Dışı Amino Asitler oluşur
4 -Hidroksiprolin l Polipeptit zincirlerinde bulunan prolin kalıntılarından, karışık fonksiyonlu oksijenazlar kullanılarak 4 hidroksiprolin oluşturulur Bitki hücre duvarı proteinlerinde ve bağ dokusunun fibröz proteini olan kollajende bulunur. Kollajenin stabilitesinde önemli bir rol oynar. OH grupları protein yapısının dayanıklı olmasında etkilidir
5 -Hidroksilizin l Lizin’in türevidir. Kollajenin yapısında bulunur. Ancak bu modifikasyona daha az rastlanır. Bu amino asitin rolü farklıdır: Polisakkaritler için tutunma yerleri sağlar
-karboksi glutamat l Glutamat türevidir. Pıhtılaşma faktörü protein olan protrombinde (Faktör II) ve Ca 2+ bağlayan diğer belli proteinlerde bulunur. -Karboksiglutamik asit, glutamatın K vitamini tarafından uyarılan bir reaksiyonla modifiye edilmesi sonucu oluşur. Bu modifikasyon proteinin kalsiyum bağlamasını sağlar
Desmozin l Dört lizin kalıntısı içerir. Fibröz protein olan elastinde bulunur. Elastinin su geçirmeyen özelliğinin sağlanmasında görevlidir
Selenosistein Serin amino asiti’nin selenyum içeren türevidir. Glutatyon peroksidaz, glisin redüktaz, thioredoksin redüktaz gibi bazı enzimlerde ve bazı hidrojenaz enzimlerde ve diğer birçok proteinde bulunur. Bir veya birden daha çok selenosistein içeren proteinlere selenoprotein’ler adı verilir. l UGA normalde bir bitim (stop) kodonudur. Fakat, UGA’nin selenosistein için kullanıldığı proteinlerin m. RNA’sı farklıdır. m. RNA’da SECIS (SEleno. Cysteine Insertion Sequence) elementi varsa ribozom UGA’yi bitim kodonu olarak algılamaz. Bunun yerine selenosisteinilt. RNA’daki selenosisteini proteinin yapısına dahil eder. l
Fosfoserin, Fosfotreonin, Fosfotirozin l Proteinlerde bulunan serin, treonin ve tirozin amino asitlerinin protein kinazlar tarafından fosforillenmiş şekilleridir. Özellikle bazı enzimlerin yapısında yer alan serin ve treonin kalıntılarına fosfat grubu bağlandığında ya da bu grup ayrıldığında (protein fosfotazlar ile) enzim aktivitesinde değişiklikler meydana gelir (Kovalent Modifikasyon)
N-Asetillisin l Lizin’in asetinlenmiş türevidir. Özellikle histon proteinleri için oldukça önemlidir. Histon proteininde yer alan Lizin asetillenerek DNA’nın sarıldığı histon proteininden ayrılmasını sağlayarak gen regülasyonunda görev yapar. Lizin’in asetillenmesini Histon açiltranferaz enzimi (HAT) sağlarken, Histon deaçilaz (HDAC) deasetilazyon sağlar. Ayrıca Tubulin proteininde de N-Asetillisin bulunur
Lanthionine l Yapısı Sistin’in monosülfat analoğuna benzer. İki alanin amino asidi β karbon atomlarıyla birbirleri arasında tioester bağı yapmışlardır. Bakteri hücre duvarında ve ayrıca nisin, subtilin, epidermin ve ancovenin gibi antibiyotiklerin yapısında bulunur. Bu antibiyotiklere lantibiyotikler adı verilir
Nisin’in yapısı
6 -N-metillizin l Lizin’in türevidir. Kasların kontraktil proteini olan miyozinde bulunur
N-Metilarginin: Nükleoprotein yapısında l 3 -Metilhistidin: Bir çok enzim ve kas proteininde l
Protein yapısında bulunmayan Standart Dışı Amino Asitler l Proteinlerin yapısında bulunmayan fakat hücrede çok değişik biyolojik fonksiyonlara sahip amino asitlerdir
l Triiyodotironin (T 3) l Tetraiyodotironin (T 4) l Tiroit hormonları olarak bilinirler. Tiroglobulin yapısında bulunan tirozinlerin bir seri reaksiyonu sonucu oluşurlar. İlk başta proteinin yapısında olmasına rağmen, tiroglobulin proteinin parçalanması sonucu serbest hale gelirler. Bu hormonlar hücre metabolizmasını düzenleyici rol oynarlar
-aminobutirik asit (GABA) l Glutamino asidinin amino grubuna komşu olan karboksil grubunun dekarboksilasyonu ile inhibitör nöronlar için transmitter bir madde olan -aminobutirik asit (GABA) oluşur. GABA, önemli bir inhibitör nörotransmitterdir. Santral ve periferal sinirsel fonksiyonlarda düzenleyici rol oynar
5 -hidroksitriptofan l Triptofan amino asidinden sentellenir. Seretonin’in öncül maddesidir. Serotonin, monoamin bir transmitterdir. Merkezi sinir sistemindeki nöronlar ve gastrointestinal bölgedeki enterocromafin hücreleri tarafından sentezlenir. Ruh halinin, açlığın, vücut sıcaklığının, uykunun ve metabolizmanın düzenlenmesinde görevler yapar
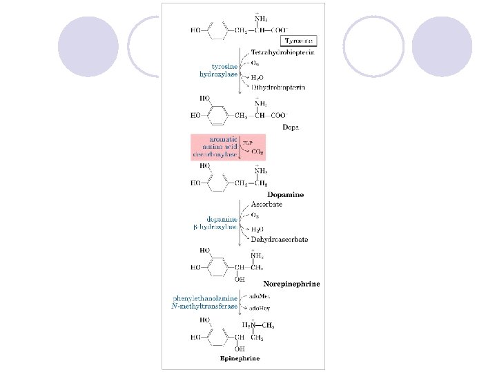
3 -4 -Dihidroksifenilalanin (DOPA) Tirozin aminoasidinden sentezlenir ve dopaminin öncülüdür. Dopa vücutta ve beyinde dopamine çevrilir. Dopamin, beyin sapının üst kısımlarında nörotransmitter olarak görev yapar. Dopaminden türeyen adrenalin (epinefrin), noradrenalin (norepinefrin) ve bunların sentezinde ara ürün olan dopamin, katekolaminler olarak bilinirler. Adrenalin ve noradrenalin, böbreküstü bezinin medülla kısmının hormonlarıdır
S-adenozilmetionin (Ado. Met) l Metionin amino asidinden sentezlenir. Biyolojik sistemlerde metil vericisi olarak görev yapar. Noradrenalinden adrenalin, fosfatidil etanolaminden fosfatidil kolin oluşması gibi olaylarda gerekli olan metil grubu (-CH 3), metioninin ATP ile aktifleştirilmiş şekli olan S-adenozilmetioninden (SAM) sağlanır. Bir metil grubunun hedef moleküle aktarılması, Ado. Met’i SAdenozilhomosistein’e (Ado. Hcy) dönüştürür
Homosistein l Homosistein ve metioninin biyosentezinde ve metioninin yıkımında bir ara üründür. Son yıllarda yapılan çalışmalar dolaşım sistemi ile ilgili hastalıklarda homosistein düzeyinin düştüğünü ortaya koymaktadır. Beslenme katkısı olarak folik asit, kobalamin ve piridoksin alınması, kandaki homosistein düzeyinin düşmesine karşı koruyucu etki ortaya koymaktadır. Ayrıca, S-adenozil metiyonin (SAM) üzerindeki metil grubunu diğer bileşiklere transfer ederken de homosistein oluşur
Ornitin, Sitrulin ve Arjinino süksinik asit üre döngüsünde ortaya çıkan ara metabolitlerdir. Ayrıca sitrulin L-arginin ve oksijenden, oldukça karmaşık bir tepkime sonucu önemli bir serbest radikal olan nitrik oksit (NO ) oluşurken de sentezlenmektedir. Ayrıca ornitin spermin ve spermidin biyosentezin de kullanılır
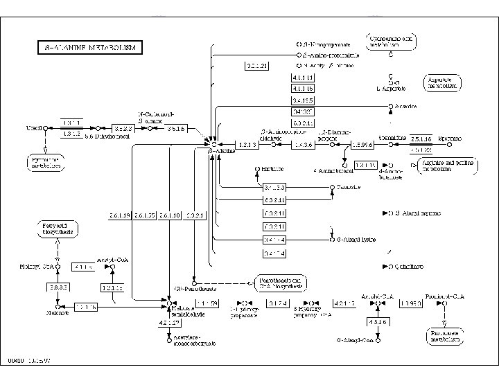
3 -aminopropanoic acid (β-alanin) l β-alanin’de NH 3, β pozisyonundaki karbon atomuna bağlanmıştır. Dihidrourasil ve Karnosinin yıkımı sonucu ortaya çıkar. Karnosin, anserin ve pantotonik asidin (vitamin B 5) yapısında bulunur.
Sistein sülfünik asit l Sistein amino asidinden oluşur. Sistein’den taurin oluşumunda ara metabolittir. Taurin beyin ve sinir sitemindeki kalsiyum ve potasyum dengesinin düzenlenmesine yardımcı rol oynamaktadır. Ayrıca taurin vücuttaki nörolojik fonksiyonları ve nörolojik iletişim mekanizmasını kuvvetlendirir ve düzenler. Beyin hasarından sonra vücutta taurin seviyeleri artırılır bunun nedeni nörolojik olarak koruyucu olması ve nörolojik canlandırıcı etkilere sahip olmasıdır. Safra asitleri ile konjugat oluşturur.
Trimethylglycine (Betain) Batain’in memelilerde bilinen üç görevi vardır 1 -Renal medulla hücrelerinde ve bazı diğer dokularda ekstrasellüler hipertonik dengeyi sağlar l 2 -Şaperon proteini gibi denaturasyon koşulları altında proteinlerin stabilitesini sağlar l 3 -Biyolojik reaksiyonlar için metil vericisi olarak görev yapar l
N-metilglisin (Sarkozin) l Glisinin metil türevidir. Kas ve vücudun diğer dokularında bulunur. Sarkozin dehidrogenaz ile glisine dönüştürülebilir. Glisin N metil transferaz ile de glisinden sarkozin oluşturulur. Glutatyon, kreatin, purinler ve serinin birincil metabolik kaynağıdır
N-formil metionin (f. Met) l Prokaryotik proteinlerin ilk amino asidi, formil metionin’dir (f. Met). Metionin t. RNA’ya bağlandıktan sonra NH 2 grubu formillenerek f. Met oluşur. Deformilaz enzimi, formil grubunu polipeptid zincirinin sentezi sırasında veya sonrasında çıkartır. Ayrıca, aminopeptidazlar da N ucundaki metionini ve yanı sıra bir iki amino asidi daha çıkarır. Ayrıca mitokondri ve kloroplast’ın protein sentezinde de önemli bir rol oynamaktadır
O-diazoasetilserin (Azaserin) l Azaserin pürin nükleotitlerinin sentezini inhibe eden potansiyel bir antibiyotiktir. Yapısı glutamine benzer, bu nedenle glutamin amidotransferazları (glutaminin amido grubundaki azotu alıcı bir moleküle transfer eden ATPbağımlı enzimler) geri dönüşümsüz biçimde inhibe ederler. Böylelikle IMP sentezi gerçekleştirilemez
Penisilamin l Kelat yapıcı özelliğe sahip bir maddedir. Cuprimine ve Depen adı altında ilaç olarak satılır. Penisilinin bir metabolitidir. Buna karşın antibiyotik özelliği yoktur. Romatoid artrit’in tedavisinde kullanılır. T-lenfosit sayısını düşürür, makrofaj fonksiyonlarıni inhibe eder, IL-1 ve RF seviyelerini azaltır ve kolajenin çapraz bağlanmasını önler. Ayrıca kelat yapıcı ajan olarak Wilson hastalığında ve sistinüri’de kullanılır
l l l Chloramphenicol: Bakteriostatik bir antibiyotikdir Sikloserin: Mycobacterium tuberculosis’e karşı etkili bir antibiyotiktir β-aminoizobutirik asit: Nükleik asit metabolizmasında bir ara metabolittir L-homoserin: Amino asit metabolizmasında bir ara metabolittir O-asetil serin: Sistein sentezinde bir ara metabolittir