SISTEM SANITASI DAN DRAINASE PADA BANGUNAN Mata Pelajaran
SISTEM SANITASI DAN DRAINASE PADA BANGUNAN Mata Pelajaran: Konstruksi Bangunan Menggambar (KBM) I Kelas / Semester: XI Teknik Gambar Bangunan / 1 Tahun Pelajaran: 2009/2010 Disusun oleh: Herry Fitriyadi, S. Pd. NIP. 19730224 200501 1 007 © 2009 SMKN 2 AMUNTAI all rights reserved Bahan Ajar Konstruksi Bangunan Menggambar I Berbasis ICT/TIK
STANDAR KOMPETENSI : 12. Menggambar Utilitas Gedung KOMPETENSI DASAR : 12. 4. Menggambar Drainase Gedung INDIKATOR : 12. 4. 1. Sistem sanitasi bangunan dipahami 12. 4. 2. Sistem drainase bangunan dipahami 12. 4. 3. Sistem sanitasi dan drainase bangunan digambarkan dalam bentuk denah isometri dan gambar detail
MATERI PEMBELAJARAN Materi yang akan dibahas dalam pertemuan ini adalah : 1. Sistem Sanitasi Bangunan 2. Sistem Drainase Bangunan 3. Contoh Desain Sistem Sanitasi dan Drainase
1. Sistem Sanitasi Bangunan Pada perencanaan sistem sanitasi bangunan dapat diuraikan lebih lanjut menjadi 2 bagian, yaitu: -Instalasi/jaringan air bersih -Alat-alat saniter a. Instalasi/jaringan air bersih Sumber-sumber air bersih -Perusahaan Air Minum (PAM) -Sumber setempat (sumur / mata air artesis) Persyaratan air bersih untuk Air minum, Mandi, Cuci -Jernih -Tidak berwarna -Tidak berbau -Kadar bakteri rendah Persyaratan untuk sistem jaringan -Tidak mengganggu sistem struktur bangunan -Tidak mengurangi estetika -Terlindung -Peralatan saniter memenuhi standar Skema jaringan air bersih dari PAM Saluran Tersier Saluran Sekunder Saluran Primer PAM Reservoar Kran Kebakaran Box Meter Konsumen
Skema jaringan air bersih lokal Dimensi pipa pada jaringan Bak Penampung / Tandon -di halaman : 1½” s. d. 2” -menempel dinding bangunan: 1” -menembus bangunan : ½” atau ¾” -ukuran kran : ⅜” , ¾” dan ½” Perlengkapan pada Bak Penampung / Tandon lubang kontrol Pipa Tekan Pipa Distribusi saluran udara dari pompa ¾” Pompa Peluap ¾” Distribusi Air minum Pipa Hisap Mandi Distribusi ¾” atau ½” kran Sumur Artesis penguras Cuci Keuntungan penggunaan tandon adalah dapat menyimpan air/ terdapat persediaan air pada waktu listrik padam/aliran PAM mati. Yang perlu diperhatikan adalah perawatan / pemeliharaan bak tandon secara perodik.
b. Alat-alat Saniter - Bath tub untuk mandi, dilengkapi kran air dingin dan kran air panas - Shower untuk pancuran air mandi - Closet untuk buang air besar/kecil, dengan model jongkok/duduk - Urinoir untuk buang air kecil khusus pria - Bidet untuk buang air kecil khusus wanita - Washtafel/Lavatory untuk cuci tangan - Zink untuk cuci piring/dapur Bidet Shower Floor Drain Closet duduk Bath Tub Washtafel Trap Pipa PVC Contoh penempatan peralatan pada kamar mandi
2. Sistem Drainase Bangunan Pada perencanaan sistem drainase bangunan dapat diuraikan lebih lanjut menjadi 2 bagian, yaitu: -Instalasi/jaringan air kotor -Perlengkapan drainase a. Instalasi/jaringan air kotor Sistem jaringan -Sistem Terbuka untuk air hujan / saluran yang tidak menimbulkan bau -Sistem Tertutup untuk saluran yang menimbulkan pencemaran / polusi Dalam pelaksanaannya untuk saluran tertutup dipisah menjadi 2, yaitu: ●saluran dari WC >> Septictank >> Peresapan ●saluran dari Kamar Mandi/Dapur/Cuci >> Peresapan Septic Tank WC Kamar Mandi/ Dapur/Cuci Peresapan Persyaratan untuk sistem jaringan -Jaringan tidak boleh langsung masuk ke saluran kota, kecuali saluran air hujan -Sistem harus dilengkapi trap yang berfungsi sebagai penahan bau dari saluran pembuang -Jaringan dibuat sependek mungkin -Jangan terlalu banyak bangunan -Belokan tidak boleh tajam < 90° -Pertemuan dan belokan diberi bak kontrol -Kemiringan saluran minimal 1% -Perlu perawatan secara periodik Saluran air hujan -Air hujan dari cucuran atap serta ruang terbuka/halaman disalurkan ke saluran kota (jika sudah tersedia) atau dibuatkan peresapan lokal -Saluran dibuat terbuka agar mudah dibersihkan -Menggunakan pipa ½ 20 cm -Sebaiknya dibuatkan peresapan tersendiri sebagai usaha konservasi air tanah -Pada bagian yang terkena sirkulasi diberi/ditutup dengan pelat beton/kisi-kisi beton -Pada pertemuan dan belokan diberi bak kontrol
b. Perlengkapan drainase Peresapan Air Hujan Peresapan Batu pecah Pasir
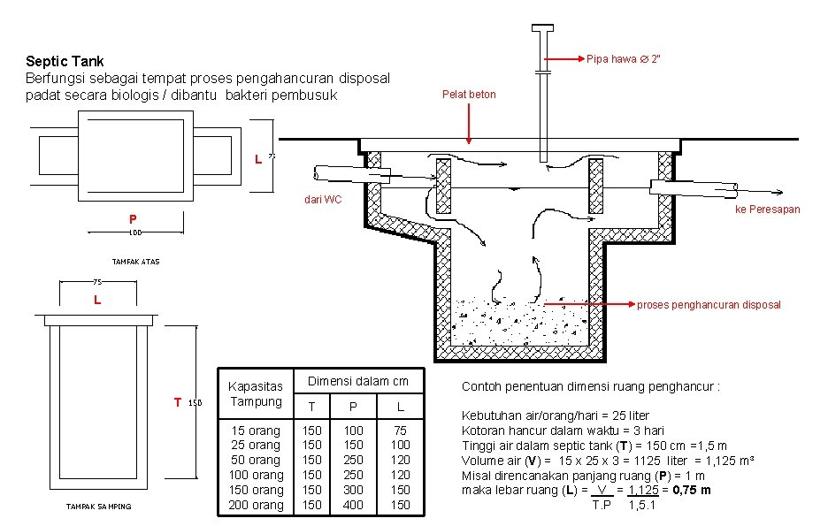
Pipa hawa 2” Septic Tank Berfungsi sebagai tempat proses pengahancuran disposal padat secara biologis / dibantu bakteri pembusuk Pelat beton L dari WC ke Peresapan P L proses penghancuran disposal T Kapasitas Tampung 15 orang 25 orang 50 orang 100 orang 150 orang 200 orang Dimensi dalam cm T P L 150 150 150 100 150 250 300 400 75 100 120 150 Contoh penentuan dimensi ruang penghancur : Kebutuhan air/orang/hari = 25 liter Kotoran hancur dalam waktu = 3 hari Tinggi air dalam septic tank (T) = 150 cm =1, 5 m Volume air (V) = 15 x 25 x 3 = 1125 liter = 1, 125 m³ Misal direncanakan panjang ruang (P) = 1 m maka lebar ruang (L) = _V_ = 1, 125 = 0, 75 m T. P 1, 5. 1
Peresapan Air Kotor Berfungsi sebagai filter aliran air dari septictank sebelum meresap ke dalam tanah Terdapat 2 model peresapan, yaitu: -model memanjang dipergunakan bila halaman cukup luas / tanah merupakan lapisan pasir -model sumuran dipergunakan pada halaman yang sempit / lapisan tanah bagian atas tidak mudah meresap air Peresapan model sumuran dari Septic Tank 4” Peresapan model memanjang Tanah urug dari Septic Tank 4” Ijuk Batu pecah Kerikil halus Pipa PVC 4”, pada sepanjang pipa diberi lubang-lubang kecil Kerikil kasar Kapasitas Tampung Panjang Peresapan 15 orang 25 orang 50 orang 100 orang 5 m 7 m 10 m 12 m Kerikil Pasir Ijuk
Bak Kontrol Air Kotor Berfungsi untuk pemeliharaan jaringan secara periodik Penempatan bak kontrol, yaitu: -dibuat pada setiap jarak panjang 6 m -pada jaringan pipa yang membelok Bak kontrol dari aliran WC -pada pertemuan pipa jaringan Bak kontrol dari limbah cuci
c. Contoh Desain Sistem Sanitasi dan Drainase Denah Instalasi Air Bersih
Denah Instalasi Air Kotor
LEMBAR KERJA SISWA Menggambar Sistem Sanitasi dan Drainase pada bangunan Rumah Tinggal TUGAS (Individu) : Sesuai dengan Tugas Besar “Rencana Rumah Tinggal 1 Lantai”, buatlah gambar : 1. Denah isometri Instalasi Air Bersih dan Instalasi Air Kotor, skala 1 : 100 2. Detail model Septic Tank dan Peresapan Sumuran, skala 1 : 20
SELAMAT BEKERJA !!!
- Slides: 15