SEL 329 CONVERSO ELETROMEC NICA DE ENERGIA Aula





























- Slides: 29
SEL 329 – CONVERSÃO ELETROMEC NICA DE ENERGIA Aula 15 Circuito Equivalente do Motor de Indução Trifásico
Circuito Equivalente do Motor de Indução Trifásico O motor de indução quando está bloqueado (s=1) tem o mesmo funcionamento que um transformador Sendo Vp a tensão por fase do MIT aef = E 1/ER aef = N 1/N 2 (relação de transformação)
Circuito Equivalente do Motor de Indução Trifásico
Circuito Equivalente do Motor de Indução Trifásico
Circuito Equivalente do Motor de Indução Trifásico O motor de indução quando está bloqueado (s=1) tem o mesmo funcionamento que um transformador Sendo Vp a tensão por fase do MIT aef = E 1/ER aef = N 1/N 2 (relação de transformação)
Circuito Equivalente do Rotor Em regime movimento e as tensões e correntes no rotor são proporcionais a “s” ERo , XRo : Tensão e Reatância com rotor parado (bloqueado)
Circuito Equivalente do Rotor
Corrente do rotor Corrente no circuito do Rotor nsinc(%) s=1 s=0 s
Referindo os parâmetros do rotor ao estator aef : Relação de transformação Z 2 : Impedância equivalente do rotor referido ao primário (estator) R 2 : Resistência do rotor referido ao primário (estator) X 2 : Reatância do rotor referido ao primário (estator) Observação: Na prática não é necessário medir RR e e XRo, apenas R 2 e X 2
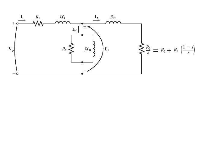
Circuito equivalente do motor de indução referido ao primário (estator)
PEF
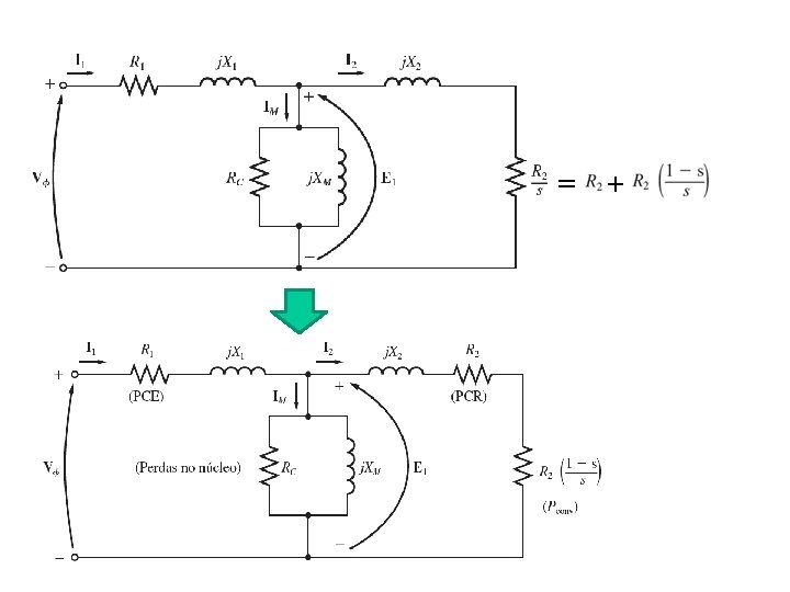
Equações de potência e Perdas no MIT (Perdas no cobre do estator) (Perdas no núcleo) (Potência no entreferro) (Perdas no cobre do rotor) (Potência convertida)
Equações de potência e Perdas no MIT
Diagrama de potência simplificado - Nas perdas do núcleo (Pnúcleo) estão incluídos as perdas do núcleo do estator e do rotor. - Em operação normal, como o escorregamento é pequeno, as perdas do rotor é muito menor que as perdas do núcleo do estator - Como a maior fração de perdas do núcleo vem do estator, todas as perdas do núcleo são concentradas nesse ponto do diagrama. - As perdas do núcleo são representadas pela resistência Rc. - Se as perdas do núcleo for dado como uma fração de potência (X watts), é mais conveniente combiná-las com as perdas mecânicas
Diagrama de potência simplificado -Quanto maior é a velocidade do motor (até nsinc), maiores serão as perdas mecânicas (atrito e ventilação) e menor as perdas do núcleo. -Portanto é comum juntar as perdas mecânicas com as perdas do núcleo em um parte denominado “Perdas Rotacionais” que são consideradas constantes para velocidades variáveis.
Diagrama de potência simplificado + Pnúcleo (Perdas rotacionais)
Exercício 1: Um motor de 460 V, 25 Hp, 60 Hz, 4 pólos, ligado em Y tem as seguintes impedâncias por fase do circuito do motor R 1=0, 641 ; R 2=0, 332; X 1=1, 106; X 2=0, 464 ; XM=26, 3 As perdas rotacionais totais são 1100 W (perdas do núcleo junto com as perdas mecânicas). Para um escorregamento de 2, 2% a tensão nominal e frequência nominal, determine para o motor: a) b) c) d) e) velocidade? Corrente do estator? Fator de potência? Torque induzido e torque da carga? Eficiência
Exercício 1:
Exercício 1: 1
Exercício 1: 1 2 3
Exercício 1:
Exercício 1:
Exercício 1:
Exercício 1:
Exercício 1:
Exercício 1:
Exercício 2: Um motor de 480 V, 60 hz, 50 Hp, está absorvendo 60 A a fdp =0, 85 atrasado. As perdas no cobre no estator são 2 k. W, as perdas no cobre do rotor são 700 W. As perdas por atrito e ventilação são 600 W e as perdas no núcleo são 1800 W. a) Qual é a potência no entreferro? b) Qual é a potência convertida? c) Qual é a potência de saída? d) Qual é a eficiência? Resp: PEF = 38, 6 k. W Pconv = 37, 9 k. W Psaída = 37, 3 k. W ou 50 HP η = 88%