RNYTSTECHNIKAI ALAPISMERETEK 1 2 3 4 PNEUMATIKA Pneumatikus

  • Slides: 53
Download presentation
ÍRÁNYÍTÁSTECHNIKAI ALAPISMERETEK 1

ÍRÁNYÍTÁSTECHNIKAI ALAPISMERETEK 1

2

2

3

3

4

4

PNEUMATIKA Pneumatikus elemek és alapkapcsolások 5

PNEUMATIKA Pneumatikus elemek és alapkapcsolások 5

Vezérlőlánc elemei 6

Vezérlőlánc elemei 6

Pneumatikus / Elektropneumatikus / Hidraulikus elemek • Nemzetközileg szabványosított (ISO, DIN, …) , egyszerűsített

Pneumatikus / Elektropneumatikus / Hidraulikus elemek • Nemzetközileg szabványosított (ISO, DIN, …) , egyszerűsített jelképek használata • A működési helyzeteket kiegészítő jellel ábrázolni kell • Az elemeket általában alaphelyzetben ábrázoljuk. (Kivételek!) • Balesetvédelmi / biztonságtechnikai okból az elemek alaphelyzetből induljanak és oda álljanak vissza (Kivételek!) 7

Főbb elemcsoportok • Jeladók: nyomógombok, kapcsolók, érzékelők • Jelfeldolgozó elemek: relék, PLC, mikrovezérlők •

Főbb elemcsoportok • Jeladók: nyomógombok, kapcsolók, érzékelők • Jelfeldolgozó elemek: relék, PLC, mikrovezérlők • EP átalakító és szabályozó elemek: szelepek (…. . ) • Munkavégző elemek: hengerek, motorok • Kiegészítő elemek: pl. gyorsleürítő 8

9

9

10

10

Pneumatikus rendszer felépítése 11

Pneumatikus rendszer felépítése 11

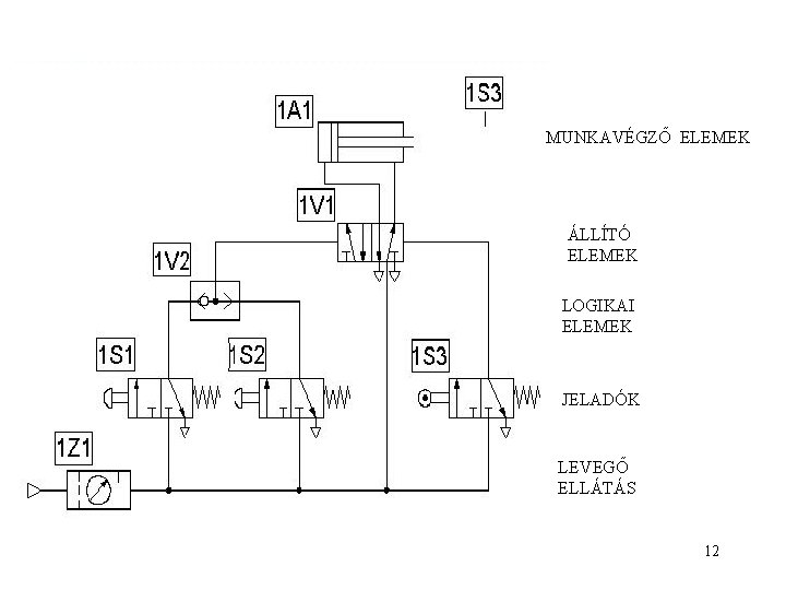
MUNKAVÉGZŐ ELEMEK ÁLLÍTÓ ELEMEK LOGIKAI ELEMEK JELADÓK LEVEGŐ ELLÁTÁS 12

MUNKAVÉGZŐ ELEMEK ÁLLÍTÓ ELEMEK LOGIKAI ELEMEK JELADÓK LEVEGŐ ELLÁTÁS 12

13

13

Kompresszorok és levegőelőkészítés Kompresszorok Kompresszortelep 14

Kompresszorok és levegőelőkészítés Kompresszorok Kompresszortelep 14

15

15

16

16

Egyfokozatú dugattyús kompresszor 17

Egyfokozatú dugattyús kompresszor 17

Többfokozatú dugattyús kompresszor működési elve 18

Többfokozatú dugattyús kompresszor működési elve 18

19

19

Csavarkompresszor szállító elemei 20

Csavarkompresszor szállító elemei 20

Lapátos kompresszor elemei 21

Lapátos kompresszor elemei 21

Levegő előkészítő egység Pneumatika Festo Didactic 22

Levegő előkészítő egység Pneumatika Festo Didactic 22

Szűrő-kondenzvíz leválasztó Pneumatika Festo Didactic 23

Szűrő-kondenzvíz leválasztó Pneumatika Festo Didactic 23

24

24

25

25

26

26

Útszelepek

Útszelepek

Útszelepek 2 1 3 Pneumatika Festo Didactic 28

Útszelepek 2 1 3 Pneumatika Festo Didactic 28

Elővezérelt útszelep Pneumatika Festo Didactic 29

Elővezérelt útszelep Pneumatika Festo Didactic 29

Fojtó-visszacsapó szelep Pneumatika Festo Didactic 30

Fojtó-visszacsapó szelep Pneumatika Festo Didactic 30

Munkahenger-útszelep Pneumatika Festo Didactic 31

Munkahenger-útszelep Pneumatika Festo Didactic 31

Pneumatikus jelképek 32

Pneumatikus jelképek 32

Útszelepek 33

Útszelepek 33

Útszelepek Pneumatika Festo Didactic 34

Útszelepek Pneumatika Festo Didactic 34

Útszelepek Pneumatika Festo Didactic 35

Útszelepek Pneumatika Festo Didactic 35

„ÉS” szelep Pneumatika Festo Didactic 36

„ÉS” szelep Pneumatika Festo Didactic 36

„VAGY” szelep Pneumatika Festo Didactic 37

„VAGY” szelep Pneumatika Festo Didactic 37

Egyoldali működtetésű munkahenger Pneumatika Festo Didactic 38

Egyoldali működtetésű munkahenger Pneumatika Festo Didactic 38

Kétoldali működtetésű munkahenger Pneumatika Festo Didactic 39

Kétoldali működtetésű munkahenger Pneumatika Festo Didactic 39

BEMUTATÓ FELADAT: PNEUMATIKUS RENDSZER ELEMEI MUNKAVÉGZŐ ELEMEK ÁLLÍTÓ ELEMEK LOGIKAI ELEMEK JELADÓK LEVEGŐ ELLÁTÁS

BEMUTATÓ FELADAT: PNEUMATIKUS RENDSZER ELEMEI MUNKAVÉGZŐ ELEMEK ÁLLÍTÓ ELEMEK LOGIKAI ELEMEK JELADÓK LEVEGŐ ELLÁTÁS 40

BEMUTATÓ FELADAT 41

BEMUTATÓ FELADAT 41

BEMUTATÓ FELADAT 42

BEMUTATÓ FELADAT 42

Körfolyamok 43

Körfolyamok 43

Körfolyamok 44

Körfolyamok 44

Feladatok 45

Feladatok 45

Feladatok 46

Feladatok 46

Feladatok 47

Feladatok 47

GYAKORLÓ FELADAT BISTABIL SZELEPPEL ÉS KÉZI VEZÉRLÉS KÉT NYOMÓGOMBBAL 48

GYAKORLÓ FELADAT BISTABIL SZELEPPEL ÉS KÉZI VEZÉRLÉS KÉT NYOMÓGOMBBAL 48

Pneumatikus időzítő Pneumatika Festo Didactic 49

Pneumatikus időzítő Pneumatika Festo Didactic 49

GYAKORLÓ FELADAT BISTABIL SZELEPPEL ÉS IDŐZÍTÉSSEL 50

GYAKORLÓ FELADAT BISTABIL SZELEPPEL ÉS IDŐZÍTÉSSEL 50

GYAKORLÓ FELADAT MONOSTABIL SZELEPPEL ÉS KÉT „BE / KI” GOMBBAL 51

GYAKORLÓ FELADAT MONOSTABIL SZELEPPEL ÉS KÉT „BE / KI” GOMBBAL 51

Felhasznált irodalom: • FESTO Didactic oktatóanyagok • Fluid. SIM tervező program • Internet 52

Felhasznált irodalom: • FESTO Didactic oktatóanyagok • Fluid. SIM tervező program • Internet 52

KÖSZÖNÖM A FIGYELMET! 53

KÖSZÖNÖM A FIGYELMET! 53