Ramp IN 9327 MCP 4 CFD MCP 9327

  • Slides: 2
Download presentation
Ramp IN 9327 MCP 4 CFD MCP 9327 3 CFD Timing OUT Start IN

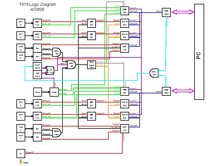
Ramp IN 9327 MCP 4 CFD MCP 9327 3 CFD Timing OUT Start IN Monitor OUT Stop IN 566 Timing OUT Gate IN TAC 566 Timing OUT Disc 4 TAC AD 114 ADC FERA IN Enable IN FERA OUT 3377 Timing 1 IN TDC FERA OUT Logic Timing OUT VETO IN Event 365 AL Logic VETO Fan In/Out Spill (OR Gate) 2323 Gate OUT Delay/ Gate OUT 365 AL Logic Ramp 2 CFD MCP 9327 1 CFD Disc 2 Start IN Monitor OUT Stop IN Timing OUT Start IN Monitor OUT Stop IN Disc ID Timing OUT BEAM Timing OUT Gate IN TAC 566 TAC Timing IN Timing OUT Timing IN Gate IN Timing OUT ADC AD 114 ADC Enable IN FERA OUT Timing 2 IN 365 AL 1 566 Com Stop IN 3377 Timing 1 IN TDC Timing OUT Scint CFD IN Timing OUT Scint Signal OUT 4300 Logic Timing 3 IN 9327 CFD IN Overflow OUT Ramp IN Signal OUT Pulser Gate IN Reset VETO MCP 4302 MEM PC Disc AD 114 Com Stop IN Timing OUT 365 AL 3 ADC Enable IN FERA OUT Timing 2 IN Timing OUT Scint Timing IN Gate IN Timing OUT Scint Timing IN 4300 Overflow OUT CFD IN Gate IN T 979 Logic Diagram 4/29/08 FERA OUT 4302 FERA IN MEM

Jerry’s modification: HPK’ QTNT amp 4300 FERA ADC MCP 9327 566 AD 114 2

Jerry’s modification: HPK’ QTNT amp 4300 FERA ADC MCP 9327 566 AD 114 2 CFD TAC ADC MCP 9327 1 CFD HPK’ amp QTNT Event VETO Event Gate