Praktikum Mikrokontroler DOSEN DR MUHAMMAD YUSRO MT INTRODUCTION

  • Slides: 49
Download presentation
Praktikum Mikrokontroler DOSEN : DR. MUHAMMAD YUSRO, MT

Praktikum Mikrokontroler DOSEN : DR. MUHAMMAD YUSRO, MT

INTRODUCTION - EXPERIMENT

INTRODUCTION - EXPERIMENT

FLASHING LED (EXPERIMENT -1)

FLASHING LED (EXPERIMENT -1)

Wiring Components

Wiring Components

Summary

Summary

Knight Rider LED

Knight Rider LED

Code Program

Code Program

READING A SWITCH (EXPERIMENT -2)

READING A SWITCH (EXPERIMENT -2)

Push Button for Running LED

Push Button for Running LED

Push Button for Running Motor DC

Push Button for Running Motor DC

CONTROLLING A DC MOTOR (EXPERIMENT -3)

CONTROLLING A DC MOTOR (EXPERIMENT -3)

CREATING A SINGLE-DIGIT DISPLAY (EXPERIMENT-4)

CREATING A SINGLE-DIGIT DISPLAY (EXPERIMENT-4)

74 HC 595 Pin Connection No 15 1 2 Pins Q 0 Q 1

74 HC 595 Pin Connection No 15 1 2 Pins Q 0 Q 1 Q 2 Seven Segment A B C 3 4 5 6 7 Q 3 Q 4 Q 5 Q 6 Q 7 D E F G DP (DOT-POINT)

Arduino pin 5 => 74 HC 595 pin 12 (latch) Arduino pin 6 =>

Arduino pin 5 => 74 HC 595 pin 12 (latch) Arduino pin 6 => 74 HC 595 pin 14 (data) Arduino pin 7 => 74 HC 595 pin 11 (clock) 74 HC 595 pin 1 (Q 1) => LED Pin 5 (B) 74 HC 595 pin 2 (Q 2) => LED Pin 9 (C) 74 HC 595 pin 3 (Q 3) => LED Pin 7 (D) 74 HC 595 pin 4 (Q 4) => LED Pin 6 (E) 74 HC 595 pin 5 (Q 5) => LED Pin 2 (F) 74 HC 595 pin 6 (Q 6) => LED Pin 1 (G) 74 HC 595 pin 7 (Q 7) => LED Pin 10 (DP) 74 HC 595 pin 8 (GND) => Ground 74 HC 595 pin 9 (Q 7 S) => Not connected 74 HC 595 pin 10 (MR) => Vcc (High) 74 HC 595 pin 11 (SHCP) => Arduino pin 7 74 HC 595 pin 12 (STCP) => Arduino pin 5 74 HC 595 pin 13 (OE) => Ground (Low) 74 HC 595 pin 14 (DS) => Arduino pin 6 74 HC 595 pin 15 (Q 0) => LED Pin 4 (A) 74 HC 595 pin 16 (Vcc) => Vcc

Source : https: //arduinodiy. wordpress. com/2012/05/06/7 -segment-display-on-arduinowith-595/

Source : https: //arduinodiy. wordpress. com/2012/05/06/7 -segment-display-on-arduinowith-595/

Note : Arduino pin 5 => 74 HC 595 pin 12 (latch) Arduino pin

Note : Arduino pin 5 => 74 HC 595 pin 12 (latch) Arduino pin 6 => 74 HC 595 pin 14 (data) Arduino pin 7 => 74 HC 595 pin 11 (clock)

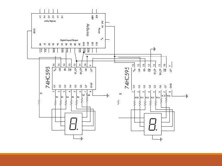
Controlling 2 seven-segment LED Display Modules

Controlling 2 seven-segment LED Display Modules

USING A LCD DISPLAY (EXPERIMENT-5)

USING A LCD DISPLAY (EXPERIMENT-5)

USING A T O U C H SCR E E N S (EXPERIMENT 6)

USING A T O U C H SCR E E N S (EXPERIMENT 6)

Addressing Areas on the Touchscreen

Addressing Areas on the Touchscreen