PART IITRACK COMPONENTS RAILS 1 RAILS 10 1


















- Slides: 18
PART II-TRACK COMPONENTS : RAILS 1 RAILS : 10 1. 1 Rail, different types of rail section, various types of standard of loadings. 2 1. 2 Sectional properties Standard sections, grade, UTS & service life, classification, Rolling marks. Colour coding of rails 2 1. 3 Visit to Model room for different types of rails. 1 1. 4 Instruction for handling of rails. 2 1. 5 Straightening of rail kinks by Jim crow & precautions while using Jim Crow. 1 1. 6 Corrosion of rails & methods for anticorrosion treatment of Rail. 1 1. 7 Wear of Rail & its causes. 1
RAILS 1. Rail, different types of rail 1 section, various types of standard of loadings. 2
FUNCTIONS OF RAIL • Provide continuous and level surface for movement of trains. • Provide a pathway which is smooth and has a very less friction. • Bear the stress developed due to vertical loads transmitted to it through axles and wheels as well as breaking forces and thermal stresses. • Carry out the functions of transmitting the load to a large area of formation through sleeper and ballast.
Different types of rails • • Double headed (DH) Bull headed (BH) Flat footed (FF) Flat footed rails has been standardized on Indian Railway.
RAILS Rails v Double Headed Rail v Bull Headed Rail v Flat Footed Rail
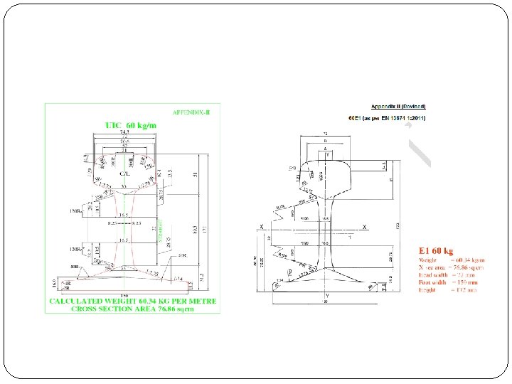
Flat footed Rail Sections IRS 52 kg/m UIC 60 kg/m 60 E 1 R 260 ZU 1 -60 Profile (73 kg/m) 136 RE 14 (68 kg/m)
Standard Rail Sections Decided on various consideration. (i)Heaviest axle load. (ii)Maximum permissible speed. Standard Rail Sections used in Indian railways are 60 KG, 52 KG, 90 R, 75 R and 60 R. The standard rail section and the standard rail length prescribed in Indian Railways are given below.
Standard Rail Sections • For 60 kg and 52 Kg GAUGE RAIL TYPE OF Weight SECTION (in kg/m ) Area of Cross section (in cm²) BG 60 kg/m UIC 60. 34 76. 86 52 kg/m IRS 51. 89 66. 15
Recommended Rail Section– • Main line– Track Renewals, Doubling, New Lines and Gauge Conversions– 60 kg/m rails with minimum 90 UTS • Note– For Gauge Conversion works & new line works having projected traffic of less than 5 GMT, 60 kg/m (SH) rails, if available with Railways, can be used depending upon future projected extension of lines etc. • (2) Loop Lines– • Renewal of loop lines is to be done with 60 kg/m (SH) or 52 kg/m (SH) rails. The new rails can also be used for these rail renewals with prior approval of Railway Board.
Recommended Rail Section. . (Contd. . ) • Private and other sidings– (i) Sidings taking off from DFC or feeder routes to 60 kg/m DFC or 25 t axle load routes. Sidings other than (i) above; (ii) With permissible speed up to 50 km/h. 52 kg/m (SH); or 52 kg/m (IU) Sidings other than (i) above; (iii) With permissible speed more than 50 km/h. 60 kg/m
Loading standards • In Indian Railway the loading standards have been given mainly for bridge design such as: • BGML loading; • RBG Loading; • MBG loading; • 25 T loading and • DFC loading. However for track it is given in terms of axle load. (contd…)
Loading standards. . Contd. . • • 18. 5 T axle load 20. 32 T axle load 22. 38 tonne axle load CC+6+2 i. e 22. 32 tonnes CC+8+2 i. e max. 22. 9 tonnes 25 T 32. 5 T (DFCCIL)
Suitability of Rails for different standard of loading • For higher axle load, higher section rails are to be used as per instructions issued by Railway Board/RDSO. • For 25 T axle load min rail section to be 60 Kg 90 UTS • For 32. 5 T DFC loading, min Rail section to be 60 Kg, 110 UTS or 68 Kg 110 UTS rail.
THANKS