NERVOUS SYSTEM 1 Classification of NS 2 CNS
































- Slides: 32
NERVOUS SYSTEM 1. Classification of NS 2. CNS. Brain: a) large hemispheres b) cerebellum 3. CNS. Spinal cord 4. Meningeas 5. Blood-brain barrier 6. PNS. Spinal ganglion 7. Peripheral nerve 8. Autonomic nervous system 9. Simple reflex archs Nervous system –special highly organized system (nervous tissue + connective) – intercommunicating network of neurons
CLASSIFICATION Anatomical (structural): central nervous system (CNS) – brain and spinal cord peripheral (PNS) – endings, fibers, ganglia, plexuses Functional: - somatic (voluntary, animal) - autonomic (involuntary, vegetative)
FUNCTIONS 1. Integration 5. Conduction 2. Control 6. Analysis 3. Regulation 7. Response 4. Reception NERVOUS SYSTEM ORIGIN Ectoderm - neural tube and ganglious lamella and placodes Cranial portion of neural tube – brain and sense organs Middle part of neural tube and ganglious lamella– spinal cord, dorsal-root ganglia (spinal ganglia), autonomic ganglia and chromaffin tissue of human body. NEURAL TUBE ZONES Ependymal – precursors of glial ependymal cells Mantial layer – neuroblasts (nerve cells) and spongyoblasts (astrocytes and oligodendrocytes) Marginal zone – processes
BRAIN Histologically: gray matter (nerve cells bodies) white matter ( nerve fibers) Gray matter: cortex + subcortical nuclei MODUL – MFU of brain cortex cilinder d 300 mkm around corticocortical fiber NEUROPIL – aggregations of nerve and glial cells processes in central nerve system CYTOARCHITECTONICS - well prominent regular location of nervous cells (6 layers in hemispheres) MYELOARCHITECTONICS - well prominent regular location of nervous fibers (4 layers)
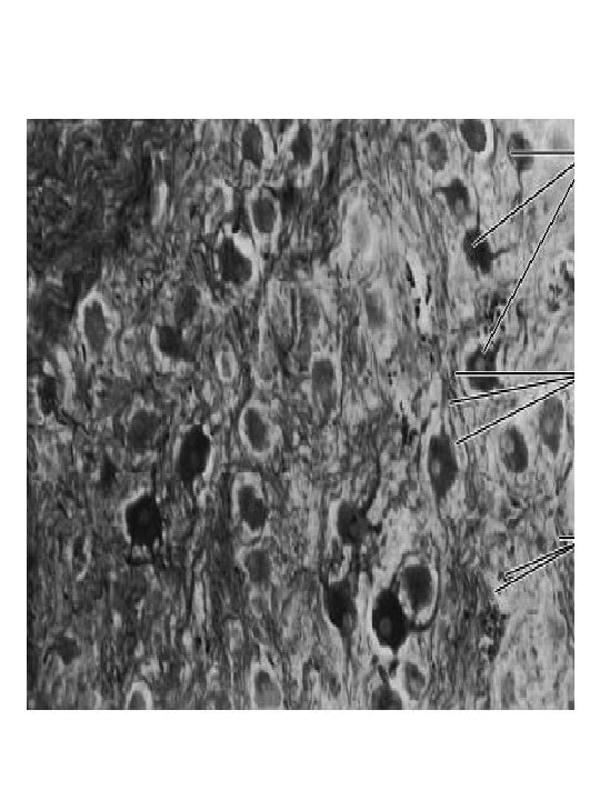
Cytoarchitectonics Brain cortex has 6 layers Pyramidal cells in the 2 nd, 3 rd, 4 th, 5 th layers
Layers of brain cortex 1. Molecular layer 2. Outer granular (10 mkm) 3. Pyramidal (10 -40 mkm) 4. Inner granular layer 5. Ganglionic (120 x 80, Bets, 1874) 6. Multiform layer
MYELOARCHITECTONICS 1. Above the 1 st layer 2. Under the 1 st layer 3. Above the 5 th layer 4. Under the 5 th layer TYPES OF NERVE FIBERS Associative Comissural Projective
52 FIELDS OF BRODMAN GRANULAR CORTEX – sensory (2, 4) AGRANULAR CORTEX – motor (3, 5, 6)
CEREBELLUM
Functions: 1. Coordination 2. Movement 3. Balance 4. Muscle tone
Molecular layer: basket cells large stellate cells small stellate cells Purkinje cells layer: Purkinje cells, supporting cells (lophogliocytes) Granular layer: corn cells stellate cells (2 types) horizontal cells
CEREBELLUM Afferent fibers: Mosslike– from olives and pons to the corn cells - tr. Olivocerebellaris - tr. pontocerebellaris Climbing–from spinal cord and vestibular nuclei to the Purkinje cells - tr. spinocerebellaris - tr. vestibulocerebellaris Efferent fibers: axons of Purkinje cells
Spinal cord
Spinal cord Types of neurons: 1. Radicular 2. Funicular 3. Inner Nuclei Posterior horn: n. proprius n. thoracicus Intermediate horn: n. intermediolateralis n. intermediomedialis Anterior horn: 5 motor nuclei
MENINGEAS
MENINGEAS Skull bone Periosteum of skull epidural space 1. DURA MATER – dense connective tissue epithelium subdural space 2. ARACHNOID – flat epithelium fibrocollagenous tissue web-like strands subarachnoid space 3. PIA MATER – squamous epithelium – loose connective tissue with blood vessels and nerve fibers Basement membrane Glia limitans (astrocytes) Nerve tissue
BLOOD-BRAIN BARRIER Prevents diffusion of some substances from the blood to the brain Capillary wall 1. Endothelium 2. Basement membrane 3. Glial sheath (foot processes of astrocytes)
DORSAL ROOT GANGLION capsule pseudounipolar cells mantial cells
PERIPHERAL NERVE
PERIPHERAL NERVE ULTRASTRUCTURE
AUTONOMIC NERVOUS SYSTEM Anatomically: a) central b) peripheral Functionally: a) sympathetic b) parasympathetic SYMPATHETIC NS 1. Centers: thoracic-lumbar disposition Nuclei intemediolateralis of spinal cord – multipolar associative radicular neurons 2. Sympathetic ganglia: paravertebral (trunci simpatici) and prevertebral (3) PARASYMPATHETIC NS 1. Centers: cranio-sacral disposition Nuclei of cranial nerves III, VII, IX and X pairs 2. Extramural and intramural ganglia (Dogel cells)
AUTONOMIC NERVOUS SYSTEM
AUTONOMIC GANGLION Golgi cells type I type III
NEURONAL THEORY • Reflex arch is morphofunctional unite of nervous system • This is group of nerve cells which may transmit nervous impulses • Transmitting of nervous impulses is unidirectional