MOS SourceDrain Photomask dark field Chromium Cross Section

  • Slides: 30
Download presentation

铝栅MOS 艺掩膜版的说明 • Source/Drain: Photomask (dark field) Chromium Cross Section Clear Glass

铝栅MOS 艺掩膜版的说明 • Source/Drain: Photomask (dark field) Chromium Cross Section Clear Glass

 • Gate: Photomask (dark field) Chromium Cross Section Clear Glass

• Gate: Photomask (dark field) Chromium Cross Section Clear Glass

 • Contacts: Photomask (dark field) Chromium Cross Section Clear Glass

• Contacts: Photomask (dark field) Chromium Cross Section Clear Glass

 • Metal Interconnects: Photomask (light field) Clear Glass Cross Section Chromium

• Metal Interconnects: Photomask (light field) Clear Glass Cross Section Chromium

Process (2)刻多晶硅与自对准掺杂 Self-Align Doping

Process (2)刻多晶硅与自对准掺杂 Self-Align Doping

Process (3)刻接触孔、反刻铝 field oxide (FOX) metal-poly insulator thin oxide

Process (3)刻接触孔、反刻铝 field oxide (FOX) metal-poly insulator thin oxide

8

8

4. 刻PMOS管S、D 5. 刻NMOS管S、D

4. 刻PMOS管S、D 5. 刻NMOS管S、D

6. 刻接触孔 7. 反刻Al VDD Vi Vo Vss

6. 刻接触孔 7. 反刻Al VDD Vi Vo Vss

光刻 5与光刻 6套刻 光刻 6与光刻 7套刻 VDD Vi Vo Vss VDD Vi Vi Vi

光刻 5与光刻 6套刻 光刻 6与光刻 7套刻 VDD Vi Vo Vss VDD Vi Vi Vi Vo Vss VDD DD V Vo Vss

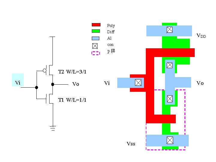
Poly Diff VDD Al con P阱 T 2 W/L=3/1 Vi Vo T 1 W/L=1/1

Poly Diff VDD Al con P阱 T 2 W/L=3/1 Vi Vo T 1 W/L=1/1 Vss