MINGGU V Contoh Soal 1 Hitung yield cairan




































- Slides: 36
MINGGU V
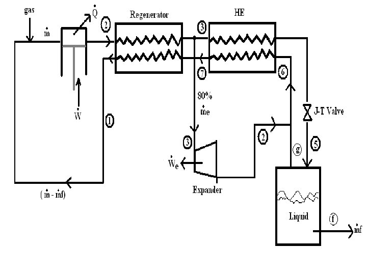
Contoh Soal 1 Hitung yield cairan teoritis dan FOM untuk sistem pencairan Linde Dual Pressure menggunakan udara sebagai fluida kerja. q Sistem bekerja pada 0, 101 MPa dan 20, 2 MPa. Temperatur masuk dan keluar kedua kompresor dijaga pada 293 K. q Tekanan intermediet adalah 3, 03 MPa dan rasio laju alir untuk stream = 0, 80. Berapakah kerja/ unit massa dan FOM yang digunakan untuk sistem pencairan ini? q
Dari diagram T-s untuk udara diperoleh : h 1 (0, 101 MPa, 293 K) = 421 KJ/kg h 2 (3, 03 MPa, 293 K) = 414 KJ/kg h 3 (20, 2, 293 K) = 385 KJ/kg
Jawaban Kerja/ unit massa dengan neraca energi untuk 2 kompresor, untuk aliran tunak diperoleh :
Dengan :
Jika pada soal di atas kita gunakan Linde sederhana, berapa yield, kerja dan FOM? Yield Kerja dan FOM:
Contoh Soal 2 Tentukan yield cairan, kerja per unit massa yang dikompres untuk sistem Linde dengan dua kompresor menggunakan nitrogen sebagai fluida kerja dalam sistem operasi antara 1 atm dan 70 F dan 200 atm. Tekanan intermediet adalah 50 atm dan rasio laju alir dengan tekanan intermediet adalah 0, 8.
Jawaban Dari diagram T-S diperoleh : n n n n h 1 = 2870 cal/mol = 184, 4 BTU/lbm pada 1 atm dan 70 F h 2 = 2800 cal/ mol = 180, 0 BTU/lbm pada 50 atm dan 70 F h 3 = 2620 cal/ mol = 168. 5 BTU/lbm pada 200 atm dan 70 F hf = 0 cal/ mol = 0 BTU/lbm pada 1 atm dan cairan jenuh s 1 = 26, 7 cal. mol K = 0, 954 BTU/lbm R pada 1 atm dan 70 F s 2 = 18, 7 cal. mol K = 0, 668 BTU/lbm R pada 50 atm dan 70 F s 3 = 15, 4 cal. mol K = 0, 550 BTU/lbm R pada 200 atm dan 70 F
Yield cairan : Bandingkan nilai ini dengan 0, 0872 yang didapat dari sistem sederhana dalam contoh 4. 2. Kerja yang dibutuhkan menurut persamaan (4. 36) adalah :
Kerja yang dibutuhkan untuk mencairkan per unit massa gas adalah : Sehingga figure of merit untuk sistem Linde dengan dua kompresor :
Penurunan Temperatur dengan Ekspander
Cara Kerja n n n Gas ditekan secara isotermal pada suhu lingkungan dari 1 2 Kemudian didinginkan melalui HE (2 3) pada tekanan tetap Gas diekspansi melalui expander Gas keluar dari expander akan menarik panas (4 5) dan dari 4’ ke 5 (jika tidak terjadi isentropik) Gas panas akan diteruskan melalui HE kembali ke campuran.
Contoh Soal Gas hidrogen sebagai refrigerant bekerja pada 0, 101 MPa dan temperatur 290 K menjadi tekanan 1, 51 MPa. Maksimum temperatur dingin yang dihasilkan 100 K. Proses pendinginan melalui ekspander dari tekanan 1, 51 MPa, suhu 110 K turun menjadi tekanan 0, 101 MPa. Hitung FOM sistem ini ?
Penyelesaian Dari diagram T-s untuk gas hidrogen : n n n n h 1 (0, 101 MPa, 290 K) = 4084 KJ/kg s 1 (0, 101 MPa, 290 K) = 70, 1 KJ/kg K h 2 (1, 51 MPa, 290 K) = 4090 KJ/kg s 2 (1, 51 MPa, 290 K) = 58, 9 KJ/kg K h 3 (1, 51 MPa, 100 K) = 1554 KJ/kg s 3 (1, 51 MPa, 100 K) = 45, 0 KJ/kg K h 5 (0, 101 MPa, 100 K) = 1574 KJ/kg
Efek Refrigerasi Untuk expansi isentropik dari 1, 51 MPa dan 100 K menjadi 0, 101 MPa, s 3 = s 4 = 45, 0 KJ/kg K. Dengan interpolasi diperoleh h 4 = 874 KJ/kg pada temperatur 34, 5 K, sehingga
COP diperoleh dengan menghitung terlebih dahulu masukan kerja :
COP dari ideal gas refrigerator, dengan berbagai temperatur refrigerator ditentukan oleh pers 4. 4
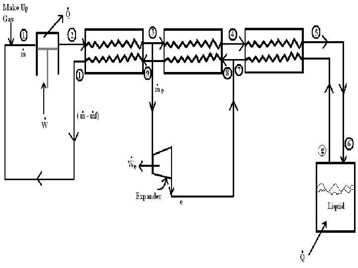
Sistem Claude n n n Sistem Claude kombinasi ekspander dan JT Valve untuk mencairkan Neon dan He. JT Valve dpakai supaya menyempurnakan pekerjaan expander. Walaupun gas yang keluar dari expander dalam bentuk yang diinginkan. Sistem Claude adalah kombinasi proses isentalpik dan isentropik. Maksudnya untuk memperoleh gas cair bertemperatur rendah.
Tahapan Proses n n Gas awal dengan tekanan 40 atm masuk HE-1 80% dari gas dimasukkan ke expander dan diteruskan ke HE-2 dan HE-3, lalu diexpansi ke JT Valve. Gas yang belum cair dikembalikan ke HE untuk mendinginkan gas yang baru masuk.
Sebagai refrigerator : (1) Dimana : (2) We = kerja di ekspander = me = laju gas yang lewat ekspander he = spesifik entalpi yang meninggalkan ekspander Dari (1) dan (2) diperoleh : Dimana x adalah laju alir fraksi gas yang lewat ekspander
Sebagai alat pendingin Energy balance : Kebutuhan kerja di kompresor : Cairan yang dihasilkan :
Kerja yang diperlukan untuk mencairkan satu unit massa gas : FOM : Untuk expander yang tidak ideal, he diubah menjadi he’.
Contoh Soal n n Udara memasuki Sistem Claude pada 0, 101 MPa dan 293 K, dan dikompresi isotermal sampai 2, 02 MPa. Pada kondisi 2, 02 MPa dan 235 K, 70% aliran utama dilewatkan pada expander adiabatik (reversibel). Aliran sisa melalui HE dan diexpansi dengan valve expansi sampai 0, 101 MPa. Hitunglah yield cairan, kerja expander/ unit massa cairan. Asumsi : expander bekerja untuk membantu kompresi, jika sistem Claude refrigerasi menggunakan refrigerator, hitung kapasitas refrigerasi yang dibutuhkan!
Jawaban
Dari diagram T-s untuk udara : h 1 (0, 101 MPa, 293 K) = 421 KJ/kg h 2 (2, 02 MPa, 293 K) = 417 KJ/kg h 3 (2, 02 MPa, 293 K) = 354 KJ/kg hf (0, 101 MPa, sat. liquid) = 0 KJ/kg s 1 (0, 101 MPa, 293 K) = 3, 867 KJ/kg K s 2 (2, 02 MPa, 293 K) = 2, 986 KJ/kg K s 3 (2, 02 MPa, 293 K) = 2, 749 KJ/kg K Asumsi : isentropic expansion sehingga se = s 3. Maka pada 0, 101 MPa, he = 223 KJ/kg; 98 K.
Dengan menggunakan persamaan : dan diperoleh y = 0, 7 Efek Refrigerasi : Kerja expander/ unit massa kompresi :
Kerja kompresor/ unit massa kompresi :
Sistem Cascade (Bertingkat) Sistem Cascade merupakan pengembangan dari sistem pendinginan awal Hampson, dimana pendingin awal didinginkan lebih dahulu dengan sistem refrigerasi. Sistem Cascade untuk pencairan udara diperkenalkan oleh Keesom
n n Kombinasi lain : F 22, F 13, F 14 untuk mencairkan Nitrogen, udara atau oksigen. Keunggulan sistem ini adalah tekanan dari sistem Cascade. Kerugiannya : akibat tekanan tinggi, kemungkinan ada kebocoran berbahaya.
Sistem Heylandt Bekerja dengan tekanan tinggi (sekitar 200 atm) dan bisa dipakai untuk pencairan udara bertekanan tinggi. Perbedaan dengan sistem Claude yaitu pada sistem ini hanya digunakan 2 buah HE saja.
Gas meninggalkan expander pada suhu 270 o. R, jadi tak perlu menggunakan pelumas yang berat.
Sistem Kapitza Memodifikasi sistem Claude dengan menghilangkan HE yang bersuhu rendah, dan menggantikan 2 regeberator yang sejajar, yang melaksanakan proses pendinginan dan proses pemurnian. Sistem Kapitza beroperasi pada 7 atm.