Irnin Agustina Dwi Astuti M Pd Digunakan untuk






- Slides: 6
Irnin Agustina Dwi Astuti, M. Pd.
Digunakan untuk mengukur seberapa kuat frekuensi yang masuk ke beban atau rangkaian, frekuensi meter hanya dapat bekerja pada arus listrik AC karena arus DC atau Direct current tidak memiliki frekuensi. Frekuensi sendiri adalah banyaknya gerakan persekon atau detik.
§ Frekuensi meter digunakan untuk mengukur banyaknya pengulangan gerakan periodik perdetik. Gerakan periodik seperti detak jantung, ayunan bandul jam. Ada dua jenis frekuensi meter analog dan digital. § Frekuensi meter analog merupakan alat ukur yang digunakan untuk mengukur besaran frekuensi dan yang berkaitan dengan frekuensi. Terdapat beberapa jenis frekuensi meter analog diantaranya jenis batang atau lidah getar, alat ukur ratio dan besi putar. Dalam mengukur frekuensi atau waktu perioda secara elektronik dapat dilakukan dengan banyak cara. § Frekuensi meter digital sederhana memiliki banyak aplikasi. Hal ini sudah biasa menjadi percobaan pada Laboratorium digital. Adapun kegunaannya untuk mengukur dan menampilkan frekuensi secara digital
Frekuensi meter biasanya terdapat pada sebuah panel tenaga, bersama dengan Amperemeter dan Voltmeter, karena pada sebuah rangkaian panel tenaga, arus, tegangan, dan frekuensinya sangatlah diperhitungkan demi menjaga umur dari beban, atau tenaga, misalnya motor listrik 3 Fhasa.
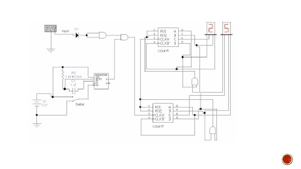
Prinsip kerja Frekuensi meter adalah Sinyal yang akan diukur frekuensinya diubah menjadi barisan pulsa, satu pulsa untuk setiap siklus sinyal. Kemudian jumlah pulsa yang terdapat pada interval waktu tertentu dihitung dengan counter elektronik. Karena pulsa ini dari siklus sinyal yang tidak diketahui, jumlah pulsa pada counter merupakan frekuensi sinyal yang diukur. Karena counter elektronik ini sangat cepat, maka sinyal dari frekuensi tinggi dapat diketahui. Ketika gelombang suara masuk ke mikrofon kondensor, dalam mic ini terdapat kapasitor yang terdiri dari dua keping plat atau piringan yang keduanya mempunyai voltage atau tegangan. Salah satu dari plat tersebut terbuat dari materi yang sangat ringan yang bertindak sebagai diafragma dan sensitif dengan gelombang suara. Diafragma tersebut akan bergetar jika ada gelombang suara yang datang.