Introduction to Thermodynamics adalah ilmu tentang energi termasuk








































- Slides: 40
Introduction to Thermodynamics adalah ilmu tentang energi, termasuk didalamnya energi yang tersimpan atau hanya transit. Prinsip kekekalan energi : Energi tidak bisa diciptakan atau dimusnahkan tetapi hanya bisa dikonversi dari bentuk lain ke yang lainnya. Tiga bentuk energi : The three forms of energy storage of greatest interest to us are Potential Energy (PE), Kinetic Energy (KE), and Internal Energy (U), The two forms of energy in transit : Work (W) and Heat (Q), and the interactions between these various forms of energy are defined in terms of the First Law of Thermodynamics.
We need to master the units conversion, . . . So let’s look at down
The above conversion is to convert between the USCS (English) system and the SI (International) Quick Quiz : Kita semua tahu (dari membaca angka speedometer) bahwasannya 50 mph = 80 km/hr; berapa m/s untuk 9 mph ?
The forms of Energy : 1. Energi potensial 2. Energi Kinetik
3. Energi Dalam Internal energy (U) menunjukkan energi total sistem. Energi total meliputi energi kinetik energi potensial gravitasi dan bentuk energi lainnya Berikut contoh ilustrasi di bawah ini :
Sistem Termodinamika : Sistem tertutup
Sistem terbuka
Sistem Property The closed system shown above can be defined by its various Properties, such as its pressure (P), temperature (T), volume (V) and mass (m). We will introduce and define the various properties of thermodynamic interest as needed in context. Furthermore the properties can be either Extensive or Intensive (or Specific).
State and Equilibrium The State of a system is defined by the values of the various intensive properties of the system. The State Postulate states that if two independent intensive property values are defined, then all the other intensive property values (and thus the state of the system) are also defined. This can significantly simplify the graphical representation of a system, since only twodimensional plots are required. Note that pressure and temperature are not necessarily independent properties, thus a boiling liquid will change its state from liquid to vapor at a constant temperature and pressure. We assume that throughout the system Equilibrium conditions prevail, thus there are no temperature or pressure gradients or transient effects. At any instant the entire system is under chemical and phase equilibrium
Proses dan Siklus A Process is a change of state of a system from an initial to a final state due to an energy interaction (work or heat) with its surroundings. For example in the following diagram the system has undergone a compression process in the piston-cylinder device.
The Process Path defines the type of process undergone. Typical process paths are: Isothermal (constant temperature process) Isochoric or Isometric (constant volume process) Isobaric (constant pressure process) Adiabatic (no heat flow to or from the system during the process) We assume that all processes are Quasi-Static in that equilibrium is attained after each incremental step of the process. A system undergoes a Cycle when it goes through a sequence of processes that leads the system back to its original state.
Tekanan
Contoh : Sebuah menara tangki penampung air mempunyai bentuk mendekati bola dengan jejari 30 ft. Jika kerapatan air 62, 4 lb/ft 3 dan tangki berisi penuh, a. Tentukannlah massa air dalam tangki [lb] b. Berapakah berat air [lbf] jika percepatan gravitasi setempat sebesar 32, 1 ft/s 2
Contoh : Gambar dibawah menunjukkan sebuah pipa air berukuran kecil menembus dinding dengan tebal 6 in. Diasumsikan bahwa temperatur berubah secara linear terhadap posisi x dari dinding mulai 68 0 F ke 20 0 F. Apakah air dalam pipa akan membeku
1. Dua buah fase dapat muncul secara simultan selama perubahan fase seperti pada penguapan, peleburann dan sublimasi. 2. Pada daerah dua fase tekanan dan temperatur bersifat tidak bebas, dimana salah satunya tidak dapat berubah tanpa perubahan yang lainnya. 3. Keadaan tidak dapat ditentukan hanya dengan tekanan dan temperatur saja namun dapat ditentukan berdasarkan pasangan volume spesifik dengan tekanan atau temperatur.
1. Tiga buah fase dapat muncul dalam kesetimbangan disepanjang garis yang disebut garis tripel. 2. Suatu keadaan dimana suatu perubahan fase berawal dan berakhir disebut keadaan jenuh
Illustrasi perubahan dari cairan menjadi uap air pada tekanan konstan
A. Sistem dipanaskan pada tekanan tetap, temperatur meningkat cepat, sedangkan volume spesifik hanya sedikit meningkat (f) disebut cair jenuh. B. Keadaan cair di sepanjang bagian garis 1 -f disebut keadaan cair subdingin (subcooled liquid) atau disebut juga cair tekan. C. Prose dari (f) ke (g) terjadi penambahan kalor pada tekanan tertentu menyebabkan terbentuk uap tanpa perubahan temperatur tetapi peningkatan volume spesifik yang berarti
D. Jika sistem terus dipanaskan sampai butir cairan terkahir menguap, maka tercapai titik (g) atau disebut keadaan (uap jenuh). E. Pada kondisi (f) ke (g) atau pada campuran dua fase cair-uap dapat dibedakan dengan menggunakan suatu sifat intensif yang dikenal sebagai kualitas (x). F. Jika diberikan panas lanjut pada sistem pada tekanan tetap terjadi peningkatan temperatur dan volume spesifik, keadaan seperti ini di titik (s) disebut uap panas lanjur (superheated vapour).
Perhatikan data diatas, berapakah v (volume spesifik) pada Temperatur 215 0 C di tekanan P = 10 bar ?
Menentukan volume spesifik campuran Berikut adalah persamaannya :
Sebagai Contoh. . Perhatikan sebuah sistem yang berisi campuran dua fase cair-uap air pada 100 0 C dengan kualitas 0, 9. Berdasarkan tabel. Pada 100 0 C, vf = 1, 0435 x 10 -3 m 3/kg dan vg = 1, 673 m 3/kg. Tentukan volume spesifik campuran. Sebagai Contoh. . Perhatikan sebuah sistem yang berisi campuran dua fase cair-uap air pada 120 0 C dengan kualitas 0, 95. Berdasarkan tabel. . Tentukan volume spesifik campuran.
Contoh. Sebuah tangki kokoh terinsulasi mempunyai volume 10 ft 3. Tangki tersebut berisi uap air jenuh pada temperatur 212 0 F. Air diaduk dengan cepat hingga mencapai tekanan 20 lbf/in 2. Tentukanlah temperatur pada keadaan akhir, dalam 0 F, dan kerja proses, dalam Btu
Manfaat Mengetahui sifat Material Sistem Destillasi
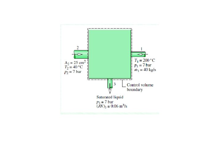
Pengisian Pemanas Air pada Keadaan Tunak Sebuah alat pengisian pemanas air mempunyai dua sisi masuk dan satu sisi keluar, beroperasi pada keadaan tunak. Pada sisi masuk 1, uap air masuk dengan tekanan p 1 = 7 bar, temperatur T 1 = 200 0 C dengan laju aliran massa 40 kg/s. Pada sisi masuk 2, air dengan tekanan p 2 =7 bar, temperatur T 2 = 40 0 C masuk melalui suatu luasan A 2 = 25 cm 2. Air keluar di titik 3 dalam kondisi cair jenuh (saturated liquid) dengan tekanan 7 bar dan laju aliran volumetris 0, 06 m 3 /s. Tentukan besarnya laju aliran massa pada sisi masuk 2 dan pada sisi keluar, dalam satuan kg/s, dan besarnya kecepatan pada sisi masuk 2, dalam satuan m/s
Pengisian tangki dengan air Air mengalir ke dalam sebuah tangki melalui bagian atasnya yang terbuka. Laju aliran massa airkonstan sebesar 30 lb/s. Air keluar melalui sebuah pipa di dekat dasar dengan laju aliran massa berbanding lurus terhadap ketinggian dari air di dalam tangki tersebut : me = 9 L, dimana L adalah ketinggian air sesaat dalam satuan ft. Luas bidang alas dari tangki adalah 3 ft 2 dan kerapatan air adalah 62, 4 lb/ft 3. Bila tangki tersebut pada mulanya kosong. Gambarkan grafik hubungan antara perubahan ketinggian air terhadap waktu
Mekanisme Transfer Energi Pada tangki yang kokoh terdapat fluida panas, dimana fluida dalam keadaan dingin ketika diaduk oleh roda paddle. Pada awalnya energi dalam fluida adalah 800 k. J, selama proses pendinginan fluida kehilangan panas sebesar 500 k. J, dan roda paddle melakukan kerja 100 k. J terhadap fluida tersebut. Tentukan akhir dari energi dalam fluida. Abaikan energi tersimpan di roda paddle