Introduction to Beams A beam is a horizontal
Introduction to Beams • A beam is a horizontal structural member used to support loads • Beams are used to support the roof and floors in buildings 1
Introduction to Beams • Common shapes are I Angle Channel • Common materials are steel and wood Source: Load & Resistance Factor Design (First Edition), AISC 2
Introduction to Beams • The parallel portions on an I-beam or H-beam are referred to as the flanges. The portion that connects the flanges is referred to as the web. Web Flanges 3
Introduction to Beams • Beams are supported in structures via different configurations Source: Statics (Fifth Edition), Meriam and Kraige, Wiley 4
Introduction to Beams • Beams are designed to support various types of loads and forces Concentrated Load Distributed Load Source: Statics (Fifth Edition), Meriam and Kraige, 5 Wiley
Beam Theory • Consider a simply supported beam of length, L. The cross section is rectangular, with width, b, and depth, h. h b L 6
Beam Theory • An area has a centroid, which is similar to a center of gravity of a solid body. • The centroid of a symmetric cross section can be easily found by inspection. X and Y axes intersect at the centroid of a symmetric cross section, as shown on the rectangular cross section. Y - Axis h/2 X - Axis h/2 b/2 7
Beam Theory • An important variable in beam design is the moment of inertia of the cross section, denoted by I. • Inertia is a measure of a body’s ability to resist rotation. • Moment of inertia is a measure of the stiffness of the beam with respect to the cross section and the ability of the beam to resist bending. • As I increases, bending and deflection will decrease. • Units are (LENGTH)4, e. g. in 4, ft 4, cm 4 8
Beam Theory • I can be derived for any common area using calculus. However, moment of inertia equations for common cross sections (e. g. , rectangular, circular, triangular) are readily available in math and engineering textbooks. • For a rectangular cross section, X-axis (passing through centroid) h b • b is the dimension parallel to the bending axis. h is the dimension perpendicular to the bending axis. 9
Beam Theory • Example: Calculate the moment of inertia about the Xaxis for a yardstick that is 1” high and ¼” thick. Y-Axis h = 1. 00” X-Axis b = 0. 25” 10
Beam Theory • Example: Calculate the moment of inertia about the Yaxis for a yardstick that is 1” high and ¼” thick. X-Axis Y-Axis h = 0. 25” b = 1. 00” 11
Beam Theory • Suppose a concentrated load, P, is applied to the center of the simply supported beam. P L 12
Beam Theory • The beam will bend downward as a result of the load P. P 13
Beam Theory • The deflection (Δ) is the vertical displacement of the beam as a result of the load P. Deflection, Δ L 14
Beam Theory • The deflection (Δ) of a simply supported, center loaded beam can be calculated from the following formula: where, P = concentrated load (lbs. ) L = span length of beam (in. ) E = modulus of elasticity (lbs. /in. 2) I = moment of inertia of axis perpendicular to load P (in. 4) P L 15
Beam Theory • These calculations are very simple for a solid, symmetric cross section. • Now consider slightly more complex symmetric cross sections, e. g. hollow box beams. Calculating the moment of inertia takes a little more effort. • Consider a hollow box beam as shown below: 0. 25 in. 6 in. 4 in. 16
Beam Theory • The same equation for moment of inertia, I = bh 3/12, can be used. • Treat the outer dimensions as a positive area and the inner dimensions as a negative area, as the centroids of both are about the same X-axis Positive Area Negative Area 17
Beam Theory • Calculate the moment of inertia about the X-axis for the positive area and the negative area using I = bh 3/12. The outer dimensions will be denoted with subscript “o” and the inner dimensions will be denoted with subscript “i”. ho = 6 in. X-axis hi = 5. 5 in. bo = 4 in. bi = 3. 5 in. 18
Beam Theory ho = 6 in. X-axis hi = 5. 5 in. bo = 4 in. bi = 3. 5 in. 19
Beam Theory • Simply subtract Ineg from Ipos to calculate the moment of inertia of the box beam, Ibox 0. 25 in. 6 in. 4 in. 20
Beam Theory • The moment of inertia of an I-beam can be calculated in a similar manner. 21
Beam Theory • Identify the positive and negative areas… Positive Area Negative Area 22
Beam Theory • …and calculate the moment of inertia similar to the box beam (note the negative area dimensions and that it is multiplied by 2). ho hi bo bi bi 23
Beam Theory • The moment of inertia of an H-beam can be calculated in a similar manner… 24
Beam Theory • The moment of inertia of an H-beam can be calculated in a similar manner… 25
Beam Theory • …however, the H-beam is divided into three positive areas. h 2 h 1 b 2 b 1 26
Example
EX 4 : Locate the centroid of the cross sectional area of the concrete beam
EX 5 : Locate the centroid of the member's cross sectional area
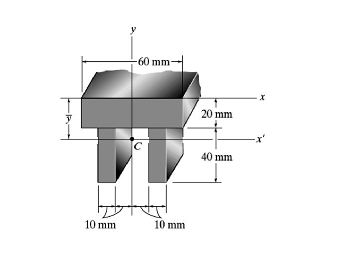
EX 6 : Locate the centroid of the member's cross sectional area
Example Determine the moments of inertia IXo and IYo of the Lsecion shown below with respect to the centroidal axes shown in the same figure. All dimensions are in mm.
Example Determine the moment of inertia of the composite area about the x &y-axes. 7. 5 mm
Example Determine the moment of inertia of the crosssectional area about x & y/ axes.
Example Determine the moment of inertia of the crosssectional area about x & y/ axes.
For the truss shown below, find the followings: a) Zero force members b) Internal force for members AD, CD, and GB.
- Slides: 38