INSTRUMENTACIN AVANZADA Lab VIEW Grficos Waveform Chart Graph

INSTRUMENTACIÓN AVANZADA Lab. VIEW- Gráficos Waveform Chart, Graph y XY Graph CLASE 6

INSTRUMENTACIÓN AVANZADA Waveform Charts, Graphs y XY Graph • • • Chart Graph x, y Digital waveform graph 3 D graph

INSTRUMENTACIÓN AVANZADA Waveform Charts, Graphs y XY Graph • Waveform Chart: indicador numérico que acepta y despliega los datos uno a uno y los va graficando, manteniendo el historial de los datos ingresados. • Waveform Graph: acepta un vector con todos los puntos del gráfico y los despliega (datos de Array). Al introducir el siguiente vector el gráfico anterior es sobreescrito, no mantiene un historial.

INSTRUMENTACIÓN AVANZADA Waveform Charts, Graphs y XY Graph • XY Graph: Despliega los datos adquiridos tales como dos columnas de datos de un Array.

INSTRUMENTACIÓN AVANZADA Waveform Charts, Graphs y XY Graph W. GRAPH XY GRAPH Ejemplo

INSTRUMENTACIÓN AVANZADA Waveform Charts, Graphs y XY Graph • Digital Waveform Graph: Despliega datos de pulsos en líneas digitales. • 3 D Graphs: Despliega datos 3 D en un 3 D plot

INSTRUMENTACIÓN AVANZADA Waveform Chart -Graph Ambos indicadores aceptan múltiples ondas o datos a la vez, superponiendo los gráficos y utilizando diferentes colores para representar cada uno. Ejemplo

INSTRUMENTACIÓN AVANZADA Ejemplo

INSTRUMENTACIÓN AVANZADA Ejemplo

INSTRUMENTACIÓN AVANZADA Borrado de Gráficos (Chart/Graph) • En Stop • En Ejecución

Waveform Chart Clear Chart (Stop) INSTRUMENTACIÓN AVANZADA

INSTRUMENTACIÓN AVANZADA Clear Graph(Stop)

INSTRUMENTACIÓN AVANZADA Clear Chart/Graph (Ejecución)

INSTRUMENTACIÓN AVANZADA Waveform Charts (Update Mode) Muestra la gráfica desplazándose hacia la izquierda con cada nueva muestra Realiza un barrido nuevo cada vez que llega al final. La gráfica se desplaza junto a una línea vertical actualizando los datos. Tanto en Scope como en Sweep, deben trabajar en modo escala manual. Ejemplo

INSTRUMENTACIÓN AVANZADA Waveform Charts (Update Mode) El “Update Mode”, se puede cambiar también en tiempo de ejecución de la aplicación. Ejemplo

INSTRUMENTACIÓN AVANZADA Waveform Charts: Stack Plots Ejemplo

INSTRUMENTACIÓN AVANZADA Waveform Chart (limitaciones) Ejemplo

INSTRUMENTACIÓN AVANZADA EXPORTAR DATOS DE UNA GRÁFICA A EXCEL

INSTRUMENTACIÓN AVANZADA Exportar los datos a Excel Ejemplo

Bundle y Waveform Graph INSTRUMENTACIÓN AVANZADA Ejemplo x 0

INSTRUMENTACIÓN AVANZADA PROPIEDADES NODO

Propiedades Nodo INSTRUMENTACIÓN AVANZADA En algunas aplicaciones es necesario modificar desde el programa el aspecto de objetos del panel frontal como respuesta a ciertas entradas. Para estos casos se usan los “Property Node”, que acceden a las propiedades de un objeto. Ejemplos: - cambiar el rango en un “meter” para facilitar la lectura en función del valor numérico de la variable. - Inhabilitar un control del panel después de ser ejecutado. - Si un usuario introduce una contraseña no válida, se desea que un LED parpadee para indicarle el error. Los Nodos de Propiedad permiten realizar estas modificaciones programáticamente. También se puede usar Nodos de Propiedad para cambiar el tamaño de objetos de paneles, ocultar partes del panel frontal, añadir cursores a gráficos, etc.

Propiedades Nodo INSTRUMENTACIÓN AVANZADA Los “Property Node” acceden a las propiedades de un objeto. En algunas aplicaciones puede ser necesario modificar desde el programa el aspecto de los objetos del panel frontal como respuesta a ciertas entradas. Ejemplo

Propiedades Nodo INSTRUMENTACIÓN AVANZADA Otro ejemplo, si un usuario introduce una contraseña no válida, se desea que un LED parpadee para indicarle el error. Ejemplo

Propiedades Nodo INSTRUMENTACIÓN AVANZADA Otro ejemplo, hacer invisible un botón después de ser pulsado: Ejemplo

INSTRUMENTACIÓN AVANZADA

Propiedades Nodo INSTRUMENTACIÓN AVANZADA Otro ejemplo, inhabilitar un botón después de ser pulsado: Ejemplo

INSTRUMENTACIÓN AVANZADA Ejemplo

Propiedades Nodo INSTRUMENTACIÓN AVANZADA Cambiar el rango de escala en tiempo de ejecución: Ejemplo

INSTRUMENTACIÓN AVANZADA

INSTRUMENTACIÓN AVANZADA Uso de las Propiedades Nodo para Borrado de Historial en Waveform Chart

INSTRUMENTACIÓN AVANZADA Planteo del Problema: Supongamos que en tiempo de adquisición se necesita borrar el gráfico para que se reinicie el Chart: Ejemplo

INSTRUMENTACIÓN AVANZADA Ejemplo

INSTRUMENTACIÓN AVANZADA Ejemplo

INSTRUMENTACIÓN AVANZADA Cursores en Gráfico (Waveform Graph)

INSTRUMENTACIÓN AVANZADA

INSTRUMENTACIÓN AVANZADA Propiedades de Waveform Graph Ejemplo

INSTRUMENTACIÓN AVANZADA Cursores en Gráfico (Aplicación con Propiedades Nodo)

INSTRUMENTACIÓN AVANZADA

INSTRUMENTACIÓN AVANZADA Clic derecho sobre icono de tensión: Create>>Property Node>> Cursor Position All Elements

INSTRUMENTACIÓN AVANZADA

INSTRUMENTACIÓN AVANZADA Ejemplo

INSTRUMENTACIÓN AVANZADA

INSTRUMENTACIÓN AVANZADA

INSTRUMENTACIÓN AVANZADA PLOTS MÚLTIPLES

INSTRUMENTACIÓN AVANZADA PLOTS MÚLTIPLES Ejemplo

INSTRUMENTACIÓN AVANZADA INVOKE NODE

INVOKE NODE INSTRUMENTACIÓN AVANZADA Los Nodos de Invocación acceden a los métodos de un objeto. Sirven para realizar acciones o métodos en una Aplicación. El Nodo de Invocación muestra los parámetros de arriba a abajo con el nombre del método en la parte superior y los parámetros opcionales en la parte inferior

INSTRUMENTACIÓN AVANZADA Exportar imágenes de Waveform Chart o Graph Invoke Node

INSTRUMENTACIÓN AVANZADA EXPORTAR IMÁGENES Desde el Panel Frontal : • Clic derecho sobre Waveform Graph ó Chart y seleccione Data Operations » Copy Data. • Clic derecho sobre Waveform Graph ó Chart y seleccionar “Export”. • Si se selecciona “Export Simplified Image” aparecerá esta opción:

INSTRUMENTACIÓN AVANZADA

INSTRUMENTACIÓN AVANZADA

INVOKE NODE INSTRUMENTACIÓN AVANZADA Por programa: Para exportar automáticamente Waveform Graph ó Chart a un archivo desde la ejecución del programa, se utilizan los nodos de invocación. Primera opción (Get Image) En el Diagrama de Bloques (Tecla Ctrl+E), localizar el ícono de Waveform Graph ó Chart y con clic derecho seleccionar Create » Invoke Node y eligir el método "Get Image" Clic derecho sobre el diagrama de bloques y buscar Graphics & Sound » Graphics Format, seleccione uno de los VIs de escritura (Write JPEG File, Write BMP File, Write PNG File). Del nodo de invocar cablear el terminal de salida "Image Data" al terminal de entrada "Image Data“ de uno de los VIs de imágenes mostrado a continuación:

INVOKE NODE Con clic derecho sobre el Waveform Chart Create->Invoke Node-> Get Image INSTRUMENTACIÓN AVANZADA

INVOKE NODE INSTRUMENTACIÓN AVANZADA Create>>Invoke Node>> Get Image Ejemplo

INVOKE NODE INSTRUMENTACIÓN AVANZADA Ejemplo

INVOKE NODE INSTRUMENTACIÓN AVANZADA Ejemplo

INVOKE NODE INSTRUMENTACIÓN AVANZADA

INSTRUMENTACIÓN AVANZADA Segunda Opción: Export Image Ejemplo

INSTRUMENTACIÓN AVANZADA

INSTRUMENTACIÓN AVANZADA

INSTRUMENTACIÓN AVANZADA Export Image Ejemplo

INSTRUMENTACIÓN AVANZADA Ejemplo

INSTRUMENTACIÓN AVANZADA Export Image Ejemplo

INSTRUMENTACIÓN AVANZADA ESCALAS MÚLTIPLES

Escalas Múltiples INSTRUMENTACIÓN AVANZADA Máx 35 Máx. 1 Ejemplo

INSTRUMENTACIÓN AVANZADA Escalas Múltiples Con clic derecho Duplicate Scale

Escalas Múltiples INSTRUMENTACIÓN AVANZADA

INSTRUMENTACIÓN AVANZADA Escalas Múltiples Desactivamos Autoscale 0: 32. 5 Desactivamos Autoscale 0: 1

INSTRUMENTACIÓN AVANZADA Escalas Múltiples Asignamos Plot 0 a Amplitude y Plot 1 a Amplitude 2

INSTRUMENTACIÓN AVANZADA

INSTRUMENTACIÓN AVANZADA XY GRAPH

XY Graph INSTRUMENTACIÓN AVANZADA Graficar lecturas del simulador de tensión en función de (i) Ejemplo

XY Graph INSTRUMENTACIÓN AVANZADA Ejemplo

INSTRUMENTACIÓN AVANZADA Graficar vectores en XY GRAPH

INSTRUMENTACIÓN AVANZADA Graficar vectores en XY GRAPH B (5, 10) A (0, 0) Ejemplo

XY Graph INSTRUMENTACIÓN AVANZADA x 0 y 0 Ejemplo

XY Graph x 1 y 1 INSTRUMENTACIÓN AVANZADA x 0 y 0 Ejemplo

XY Graph INSTRUMENTACIÓN AVANZADA

INSTRUMENTACIÓN AVANZADA GUIA DE EJERCICIOS Nº 5

INSTRUMENTACIÓN AVANZADA Ejercicio 1. Crear un VI como muestra la figura siguiente que genere un Array con muestras de 10 lecturas suministradas por el sub. VI “Demo Read Voltage”, desplegando las lecturas en un Waveform Chart y en un Waveform Graph. Ejercicio 1 - Guía 5

INSTRUMENTACIÓN AVANZADA Ejercicio 1 - Guía 5

INSTRUMENTACIÓN AVANZADA Ejercicio 2. -- En un ciclo While con un delay variable representado por un Slide (entre 0 y 2. 5 s, con incrementos de 250 ms) genere y despliegue en tres Waveform Chart las lecturas de un número aleatorio entre 0 y 1. Asocie a cada waveform los siguientes modos: Strip Scope Sweep Ejercicio 2 - Guía 5

INSTRUMENTACIÓN AVANZADA Ejercicio 3. Grafique las lecturas obtenidas provenientes de tres números aleatorios (entre 0 y 100) que simulen lecturas de temperatura, humedad y presión, en un Waveform Chart utilizando la propiedad “Stack Plots” para obtener las gráficas separadas por variable. Ejercicio 3

INSTRUMENTACIÓN AVANZADA Ejercicio 4. Construya un VI para que genere una onda sinusoidal a frecuencia y amplitud variables graficada en un Waveform Graph. Ejercicio 4

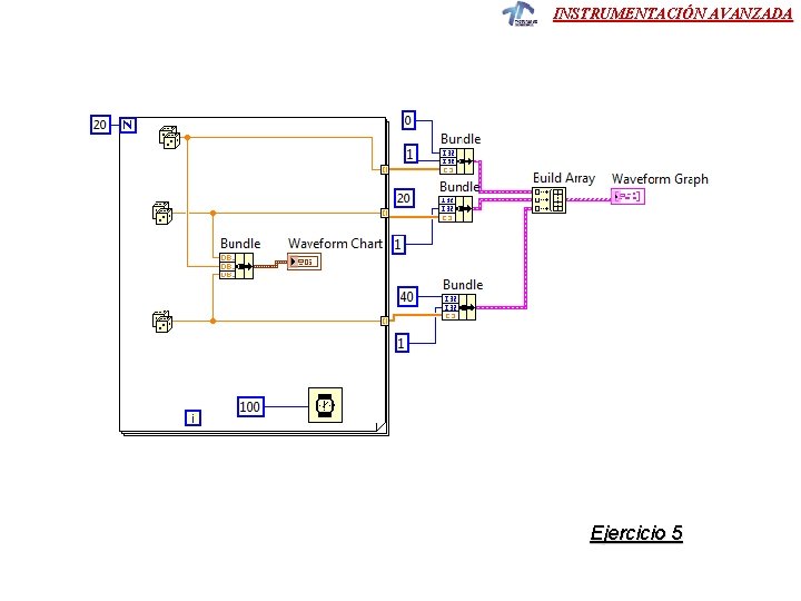
INSTRUMENTACIÓN AVANZADA Ejercicio 5. A partir del Ejercicio 4 realice las modificaciones que correspondan para obtener las variables representadas como se muestran en la figura siguiente: Ejercicio 5

INSTRUMENTACIÓN AVANZADA Ejercicio 5

INSTRUMENTACIÓN AVANZADA Ejercicio 5

INSTRUMENTACIÓN AVANZADA Ejercicio 6. - Utilizando las funciones de “Simulate Signal” y “Merge Signals” obtenga un simple generador de funciones con una onda sinusoide y otra cuadrada, ambas con frecuencia variables entre 0 y 50. Ejercicio 6

INSTRUMENTACIÓN AVANZADA Ejercicio 6

INSTRUMENTACIÓN AVANZADA Ejercicio 7. - Represente en un Waveform Chart las gráfica de 50 lecturas del sub. VI simulador de adquisición de lecturas de tensión y del número aleatorio 0 -1, con dos escalas en un mismo gráfico (a izquierda la escala 0 -35 V para tensión) y a la derecha escala de 0 -1 para número aleatorio. Capture la imagen de la gráfica obtenida. Ejercicio 7

INSTRUMENTACIÓN AVANZADA Máx 35 Máx. 1 Ejercicio 7

INSTRUMENTACIÓN AVANZADA Ejercicio 8. A partir de los datos ingresados en controles numéricos (coordenadas de los vértices de un triángulo A, B y C) grafique el triángulo en un Waveform XY. Ejercicio 8

INSTRUMENTACIÓN AVANZADA Ejercicio 8

INSTRUMENTACIÓN AVANZADA Ejercicio 9. - Utilice la librería eléctrica para representar un vector por sus coordenadas de origen, módulo y ángulo, a partir de controles numéricos. Ejercicio 9

INSTRUMENTACIÓN AVANZADA Ejercicio 9

INSTRUMENTACIÓN AVANZADA Ejercicio 10 . Simule en un VI un circuito eléctrico serie R-L con los parámetros de entrada variables: impedancia (R en ohm y L en H) , tensión (valor pico en V) y frecuencia (Hz). Incorporar como indicadores amperímetro, voltímetro y fasímetro. Obtener gráficamente el diagrama de impedancias y la opción de capturar la figura grabando la imagen en archivo JPG. Ejercicio 10

INSTRUMENTACIÓN AVANZADA Ejercicio 10

INSTRUMENTACIÓN AVANZADA Ejercicio 11 . - Con las señales de tensión y corriente adquiridas a través de una placa adquisidora de datos, y conociendo la diferencia de fase entre ellas obtener los valores de potencia activa, reactiva y aparente, con el correspondiente gráfico del triangulo de potencias variable en tiempo real. Incorpore las opciones de grabar las señales de tensión y corriente y el diagrama de potencias por separado. Ejercicio 11

INSTRUMENTACIÓN AVANZADA PROPERTY NODE INVOKE NODE

INSTRUMENTACIÓN AVANZADA Ejercicio 12. - Desarrolle un VI que simule el incremento gradual de temperatura desde 0 a 230°C representando inicialmente las lecturas en un termómetro con escala de 0 a 100°C. Cuando la temperatura llegue a los 80°C y en tiempo de ejecución la escala debe cambiar con un nuevo rango de 80° a 250°C. Cuando la temperatura alcance los 230°C el proceso finaliza. Ejercicio 12

INSTRUMENTACIÓN AVANZADA Ejercicio 13 - Graficar una muestra de 100 números aleatorios de cero a uno, con la condición de que al momento de pulsar el botón de inicio este quede inhabilitado. Agregue un control booleano para la limpieza del gráfico. Ejercicio 13

INSTRUMENTACIÓN AVANZADA Ejercicio 14. - Utilice las propiedades Node incorporando en el panel frontal un control booleano para limpiar el historial de un gráfico continuo que representa los datos obtenidos desde el sub. VI (Demo) Read Voltage. Ejercicio 14

INSTRUMENTACIÓN AVANZADA Ejercicio 14

INSTRUMENTACIÓN AVANZADA Ejercicio 15. - Como variante en el ejercicio anterior modifique la opción a voluntad por una automática que limpie el historial por programa cada 15 segundos. Ejercicio 15

INSTRUMENTACIÓN AVANZADA Ejercicio 16. - Construya un VI que represente la suma de un número aleatorio entre 0 y 100 y las lecturas del sub. VI “Demo Read Voltage”. Controle desde el panel frontal con un knob el “Update Modes” Ejercicio 16

INSTRUMENTACIÓN AVANZADA Ejercicio 16

INSTRUMENTACIÓN AVANZADA Ejercicio 17. - Construya el siguiente VI con el sub. VI “Demo Read Voltage”. Cada vez que se ejecute ADQUIRIR el cursor debe posicionarse en x=0. - En la opción CURSOR, éste deberá detenerse en la posición 20 indicado en el voltímetro el valor leído. Ejercicio 17

INSTRUMENTACIÓN AVANZADA Ejercicio 17

INSTRUMENTACIÓN AVANZADA Ejercicio 18. - Grafique los primeros 100 números aleatorios (de 1 a 100) utilizando un Waveform Chart. Incorpore la opción de grabar la imagen obtenida usando el método “Get Image”, aplicando una estructura del tipo Event. El panel frontal tendrá una configuración similar a la imagen siguiente: Ejercicio 18

INSTRUMENTACIÓN AVANZADA Ejercicio 19. - Repita el ejercicio anterior utilizando Export Image. Ejercicio 19
- Slides: 111