HC VIN NG N HNG KHOA H THNG





























- Slides: 29
HỌC VIỆN NG N HÀNG KHOA HỆ THỐNG THÔNG TIN QUẢN LÝ KIẾN TRÚC MÁY TÍNH CHƯƠNG 9: HỆ THỐNG NHỚ MÁY TÍNH Hà Nội – 2016
Các đặc trưng của hệ thống nhớ v Vị trí (location) § Bên trong Bộ xử lý: Các thanh ghi § Bộ nhớ trong: Bộ nhớ chính Bộ nhớ cache § Bộ nhớ ngoài: Đĩa từ, băng từ Đĩa quang v Dung lượng (capacity) § Độ dài ngăn nhớ (đơn vị là bit) § Số lượng ngăn nhớ
Các đặc trưng của hệ thống nhớ v Đơn vị truyền (unit of transfer) § Truyền theo từ nhớ § Truyền theo khối nhớ v Phương pháp truy nhập (access method) § § Truy nhập tuần tự (băng từ) Truy nhập trực tiếp (đĩa từ, đĩa quang) Truy nhập ngẫu nhiên (bộ nhớ trong) Truy nhập liên kết (bộ nhớ cache)
Các đặc trưng của hệ thống nhớ v Kiểu vật lý của bộ nhớ (physical type) § Bộ nhớ bán dẫn § Bộ nhớ từ: băng từ và đĩa từ § Bộ nhớ quang: đĩa quang v Các đặc trưng vật lý (physical characteristics) § Bộ nhớ khả biến / không khả biến § Bộ nhớ xóa được / không xóa được
Phân cấp hệ thống nhớ v Từ trái sang phải: § § § Dung lượng tăng dần Tốc độ trao đổi dữ liệu giảm dần Giá thành /1 bit giảm dần Tần suất BXL truy nhập giảm dần Mức trái chứa một phần dữ liệu của mức phải
Bộ nhớ bán dẫn v Phân loại v Tổ chức chip nhớ bán dẫn v Thiết kế các modul nhớ bán dẫn v Bài tập
Bộ nhớ bán dẫn
ROM (Read Only Memory) v Là loại bộ nhớ không khả biến v Lưu trữ các thông tin: § § Thư viện các chương trình con Các chương trình hệ thống (BIOS) Các bảng chức năng Vi chương trình
Các kiểu ROM v ROM mặt nạ (ROM cố định): § Thông tin được ghi ngay khi sản xuất § Rất đắt v PROM (Programmble ROM): § Khi sản xuất chưa ghi dữ liệu § Cần thiết bị chuyên dùng để ghi bằng chương trình, chỉ ghi được một lần v EPROM (Erasable PROM): § Khi sản xuất chưa ghi dữ liệu § Cần thiết bị chuyên dụng để ghi bằng chương trình, ghi được nhiều lần § Trước khi ghi lại, phải xóa bằng tia cực tím
Các kiểu ROM v EEPROM (Electrically Erasable PROM): § Có thể ghi theo từng byte § Xóa bằng điện § Ghi lâu hơn đọc v Flash memory (bộ nhớ cực nhanh) § Ghi theo khối § Xóa bằng điện
RAM (Random Access Memory) v Bộ nhớ đọc / ghi v Khả biến v Lưu trữ thông tin tạm thời v Có hai loại RAM: § SRAM (Static RAM) § DRAM (Dynamic RAM)
Các kiểu RAM v DRAM § Các bit được lưu trữ trên tụ điện cần phải có mạch làm tươi § Cấu trúc đơn giản § Dung lượng lớn § Tốc độ chậm hơn SRAM § Rẻ hơn SRAM § Dùng làm bộ nhớ chính
Các kiểu RAM v SRAM § § § § Các bit được lưu trữ bằng các Flip-Flop Không cần mạch làm tươi Cấu trúc phức tạp hơn DRAM Dung lượng nhỏ Tốc độ nhanh hơn DRAM Đắt hơn DRAM Dùng làm bộ nhớ cache
Tổ chức ô nhớ v Ô nhớ là phần tử nhớ được 1 bit thông tin v Các tín hiệu: § Tín hiệu chọn được gửi đến để chọn ô nhớ § Tín hiệu điều khiển chỉ thị việc ghi hay đọc § Tín hiệu thứ ba là đường dữ liệu
Tổ chức của chip nhớ (SRAM)
Các tín hiệu của chip nhớ (SRAM) v Các đường địa chỉ: A 0 An - 1 có 2 n ngăn nhớ. v Các đường dữ liệu: D 0 Dm - 1 độ dài ngăn nhớ là m bit. v Dung lượng chip nhớ: 2 n x m bit v Các đường điều khiển: § Tín hiệu chọn chip: CS (Chip Select)/CE § Tín hiệu điều khiển đọc: RD / OE § Tín hiệu điều khiển ghi: WR / WE
Tổ chức của DRAM v Dùng n đường địa chỉ dồn kênh cho phép truyền 2 n bit địa chỉ v Tín hiệu chọn địa chỉ hàng RAS (Row Address Select) v Tín hiệu chọn địa chỉ cột CAS (Column Address Select) v Dung lượng của DRAM: 22 n x m bit
Ví dụ: chip 16 Mb DRAM (4 M x 4 bit)
Các chip nhớ (nhìn bên ngoài)
Thiết kế modul nhớ bán dẫn v Dung lượng chip nhớ là 2 n x m bit v Cần thiết kế để tăng dung lượng: § Tăng độ dài ngăn nhớ (tăng m) § Tăng số lượng ngăn nhớ (tăng n) § Kết hợp cả hai loại (tăng m và n)
Tăng độ dài ngăn nhớ v Ví dụ 1: § Cho chip nhớ SRAM: 8 K x 4 bit § Hãy thiết kế modul nhớ 8 K x 8 bit v Giải: § Dung lượng chip nhớ: 213 x 4 bit § Chip nhớ có: • 13 đường địa chỉ (A 0 A 12), 4 đường dữ liệu (D 0 D 3) § Modul nhớ cần có: • 13 đường địa chỉ (A 0 A 12), 8 đường dữ liệu (D 0 D 7)
A 0 A 12 8 K x 4 bit D 0 D 3 CS C S WE OE WE 8 K x 4 bit D 0 D 3 CS OE WE OE D 4 D 7 D 0 D 3
Tăng độ dài ngăn nhớ Bài toán tăng độ dài tổng quát: v Cho chip nhớ 2 n x m bit v Cần thiết kế modul nhớ 2 n x (k. m) bit Cần ghép nối k chip nhớ (k>=1)
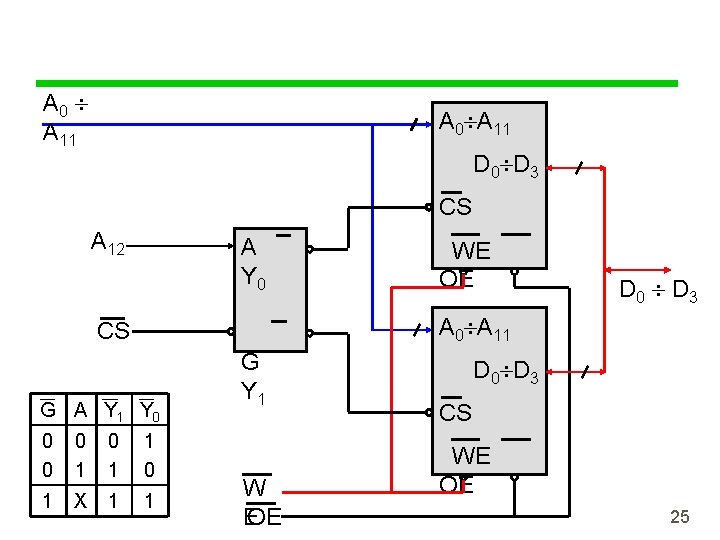
Tăng số lượng ngăn nhớ v Ví dụ 2: § Cho chip nhớ SRAM: 4 K x 4 bit § Hãy thiết kế modul nhớ 8 K x 4 bit v Giải: v Dung lượng chip nhớ: 212 x 4 bit v Chip nhớ có: § 12 đường địa chỉ (A 0 A 11), 4 đường dữ liệu (D 0 D 3) v Modul nhớ cần có: § 13 đường địa chỉ (A 0 A 12), 4 đường dữ liệu (D 0 D 3)
A 0 A 11 A 0 A 11 D 0 D 3 CS A 12 A Y 0 WE OE D 0 D 3 A 0 A 11 CS G A Y 1 Y 0 0 1 0 1 X 1 1 G Y 1 W EOE D 0 D 3 CS WE OE 25
Tăng số lượng ngăn nhớ Bài toán tăng số lượng tổng quát: v Cho chip nhớ 2 n x m bit v Cần ghép nối modul nhớ: 2 k+n x m bit Cần ghép nối 2 k chip và phải dùng bộ giải mã k: 2 k (k 2 k)
Tăng số lượng và độ dài ngăn nhớ v Ví dụ 3: § Cho chip nhớ SRAM: 8 K x 4 bit § Hãy thiết kế modul nhớ 16 K x 8 bit v Giải: § Dung lượng chip nhớ: 213 x 4 bit § Chip nhớ có: • 13 đường địa chỉ (A 0 A 12), 4 đường dữ liệu (D 0 D 3) § Modul nhớ cần có: • 14 đường địa chỉ (A 0 A 13), 8 đường dữ liệu (D 0 D 7)
A 0 A 12 12 D 3 A 13 A Y 0 CS G Y 1 W E OE D 0 A 0 A 12 D 3 D 0 CS CS WE OE D 0 D 7 28
Tăng số lượng và độ dài ngăn nhớ Bài toán tăng số lượng và độ dài tổng quát: v Cho chip nhớ 2 n x m bit v Cần ghép nối modul nhớ: 2 p+n x (q. m) bit v Cần ghép nối q. 2 p chip thành 2 p bộ, mỗi bộ q chip và phải dùng bộ giải mã p: 2 p (p 2 p)