Example1 Using CBR method design pavement cross section
Example(1) Using CBR method design pavement cross section for Runway and Taxiway to serve Airplanes of types (DC- 8) if total gross weight of airplane is 300, 000 Ib and values of CBR for used soils are as follows: CBRsubgrade =5 CBRsubbase = 25 CBRbase = 80 Draw cross section for pavement section.
Solution - Using Fig. (7) at CBRsubgrade = 5 and at total gross weight of airplane = 300, 000 Ib: The total thickness = 49 inch.
- Using Fig. (4. 7) at CBRsubbase = 25 and at total gross weight of airplane = 300, 000 Ib: - Thickness above subbase thickness = 14 inch. - assume wearing surface thickness = 4 inch. - So, Base course thickness = 14 – 4 = 10 inch , Subbase thickness = 35 inch. The following cross section show the solution: Total pavement thickness required for the middle part of runway = 44 inch. ﻭﻳﻔﻀﻞ ﻋﻤﻞ ﻃﺒﻘﺔ ﺍﻻﺳﺎﺱ ﺍﻟﻤﺴﺎﻋﺪ , ﻋﻦ ﺍﻟﺴﻤﻚ ﻋﻨﺪ ﺍﻻﻟﻒ ﻗﺪﻡ ﺍﻻﻭﻟﻰ %10 ﺑﺘﺨﻔﻴﺾ . ﻋﻠﻰ ﻃﺒﻘﺘﻴﻦ ﻷﻦ ﺳﻤﻜﻬﺎ ﻛﺒﻴﺮ ﻧﺴﺒﻴﺎ
Example(2) Using CBR method design pavement cross section for Taxiway to serve Airplanes of types (DC- 10) if total gross weight of airplane at landing is 433, 000 Ib and values of CBR for used soils are as follows: CBRsubgrade =5 CBRsubbase = 25 CBRbase = 80 The number of repetition of load on the pavement surface is 10000 and the required design period is 15 year. Draw cross section for pavement section.
Solution - Using Fig. (10) at CBRsubgrade = 5 and at curve of airplane type (DC 10 - 10): The total thickness = 55 inch.
- Using Fig. (10) at CBRsubbase = 25 and at curve of airplane type (DC- 10): Thickness above subbase thickness = 17 inch. - assume wearing surface thickness = 8 inch. - So, Base course thickness = 17 – 8 = 9 inch - Subbase thickness = 38 inch. - Using Table 4. 2 at No. of repetition of load = 10000, the increase in total pavement thickness = 7% - Total thickness = 55 1. 07 = 58. 85 = 59 inch - Wearing surface thickness = 8 inch - Base course thickness = = 10 inch - Subbase thickness = 41 inch. The following cross section show the solution:
Table (3) Design loads for different types of airports.
Table (4) Classification of Soils for Use in FAA Pavement Design.
Table (5) Comparison of CBR Values and FAA subgrade Classifications.
Fig. (11) FAA Design Curves for Flexible Pavement: Taxiways, Aprons and Runway Ends. (Source: Federal aviation Agency).
Fig. (12) FAA Design Curves for Flexible Pavement: Noncritical Runway Areas. (Source: Federal aviation Agency).
Fig. (13) FAA Design Curves for Flexible Pavement: Surface and Base Course Thickness. (Source: Federal aviation Agency).
Fig. (14) FAA Method for Determining Thickness for Multiple – wheel Load Assemblies. (Source: Federal aviation Agency).
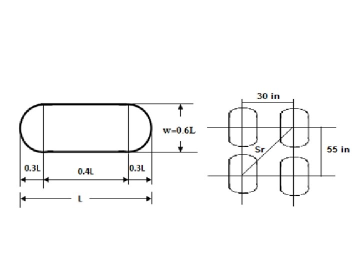
Example (3) • Using FAA Method design flexible pavement cross section for airports knowing that: • Subgrade classify as F 5. • Aircraft has dual wheel where load on one axle = 146, 000 Ib. • Type of wheel is dual in tandem where spacing between wheel axles are 55 30 inch. • Contact pressure = 157 psi.
Solution • Tire pressure = 157 psi • Load on dual wheel = 146, 000 Ib • Contact area = ﻣﺴﺎﺣﺔ ﺍﻟﺘﻤﺎﺱ ﻟﻜﻞ ﻋﺠﻠﺔ = P/p = (146000/4)/157 = 232. 4 in 2 • From the above figure A = = ﻣﺴﺎﺣﺔ ﺍﻟﺘﻤﺎﺱ 0. 5227 L 2 • 232. 4 = 0. 5227 L 2 • L = 21 inch • W = 0. 6 L = 12. 6 in • So, : • d = space between inner edge for dual wheel = ﺍﻟﻤﺴﺎﻓﺔ ﺑﻴﻦ ﺍﻟﺤﺎﻓﺘﻴﻦ ﺍﻟﺪﺍﺧﻠﻴﺘﻴﻦ ﻟﻠﻌﺠﻞ ﺍﻟﻤﺰﺩﻭﺝ • = 30 – 12. 6 = 17. 4 in
• Using Fig. (14) (Similar to Fig. (11) draw and sign the two points A, B where: • A = (d/2 , p) = (8. 7 , 36, 000) • B = (2 s , 2 p) • = (2 Sr , 4 p) ( = ﻓﻰ ﺣﺎ ﻟﺔ ﺍﺭﺑﻊ ﻋﺠﻼﺕ 125. 4 , 146, 000) • Connect two points A and B to obtain the line which represent the Equivalent Load. . ﻧﺤﺪﺩ ﺍﻟﺤﻤﻞ ﺍﻟﻤﻌﺎﺩﻝ ﻭﺳﻤﻚ ﺍﻟﺮﺻﻒ ﺍﻟﻤﻄﻠﻮﺏ F 5 • ﻋﻨﺪ ﺗﻘﺎﻃﻊ ﻫﺬﺍ ﺍﻟﺨﻂ ﻣﻊ ﺧﻂ • From figure: • ESWL = 68, 000 Ib •
Load (Ib) F 5 (2 Sr, 2 P) 2 P ESWL (Ib) P A(d/2, P) d/2 Total thickness (in) 2 Sr Depth (in)
• Pavement thickness for taxiways , aprons and runway ends = 29 inch. • Using Fig. (13) thickness of surface course and base course are determined. • In case of using non-bituminous base ﻛﺴﺮ ﺍﺣﺠﺎﺭ ﺑﺪﻭﻥ ﺑﻴﺘﻮﻣﻴﻦ • The base course thickness = 10 in • Asphalt concrete pavement = 2 in ( )ﻓﺮﻕ ﺍﻟﻘﺮﺍﺀﺓ ﺑﻴﻦ ﺍﻟﻤﻨﺤﻨﻴﻴﻦ • So, Pavement cross section are: • Asphalt concrete pavement = 2 in • Base course thickness = 10 in • Subbase course thickness = 16 in
Example(4) • Using FAA Method design flexible pavement cross section for airports knowing that: • Subgrade classify as F 5. • Aircraft has single wheel load = 68, 000 Ib. • The area which required to design are Taxiways, Aprons and Runway ends.
- Slides: 32