Elektronika dan Instrumentasi Elektronika Digital 3 Enkoder Dekoder

  • Slides: 23
Download presentation
Elektronika dan Instrumentasi: Elektronika Digital 3 – Enkoder, Dekoder, 7 segment Yusron Sugiarto

Elektronika dan Instrumentasi: Elektronika Digital 3 – Enkoder, Dekoder, 7 segment Yusron Sugiarto

Materi Kuliah

Materi Kuliah

Dekoder dan Enkoder A 0 A 1 A 2 DECODER O 0 O 1

Dekoder dan Enkoder A 0 A 1 A 2 DECODER O 0 O 1 O 2 O 3 O 4 O 5 O 6 O 7 A 0 A 1 A 2 A 3 A 4 A 5 A 6 A 7 O 0 O 1 O 2 ENCODER

Enkoder Binary

Enkoder Binary

ELECTRONIC ENCODER - DECIMAL TO BCD output Decimal input 7 5 3 0 0

ELECTRONIC ENCODER - DECIMAL TO BCD output Decimal input 7 5 3 0 0 1 10 1 00 00 Decimal to BCD Encoder • Encoders are available in IC form. • This encoder translates from decimal input to BCD output.

10 line to 4 line Encoder

10 line to 4 line Encoder

10 line to 4 line Encoder BINARY (BCD) DECIMAL 8 ENCODER 9 5 V

10 line to 4 line Encoder BINARY (BCD) DECIMAL 8 ENCODER 9 5 V 8 5 V 7 5 V 6 5 V 5 5 V 4 5 V 3 5 V 2 5 V 1 5 V I 9 I 8 I 7 I 6 I 5 I 4 I 3 I 2 I 1 74147 A 3 A 2 A 1 A 0 4 2 1

Binary Dekoding Dekoder adalah suatu rangkaian logika yang memiliki sedikit masukan dan banyak keluaran.

Binary Dekoding Dekoder adalah suatu rangkaian logika yang memiliki sedikit masukan dan banyak keluaran.

1 to 2 Dekoder

1 to 2 Dekoder

2 to 4 Dekoder

2 to 4 Dekoder

Rangkaian 2 to 4 Dekoder

Rangkaian 2 to 4 Dekoder

3 to 8 Dekoder

3 to 8 Dekoder

Rangkaian 3 to 8 Dekoder

Rangkaian 3 to 8 Dekoder

4 line to 10 line Decoder DECIMAL 9 8 BINARY (BCD) 8 0 V

4 line to 10 line Decoder DECIMAL 9 8 BINARY (BCD) 8 0 V 4 0 V 2 0 V 1 0 V DECODER 7 74 LS 42 6 A 3 A 2 A 1 A 0 9 8 7 6 5 4 3 2 1 0

DECODERS: BCD TO 7 -SEGMENT DECODER/DRIVER Decimal output LED BCD input 0 00 11

DECODERS: BCD TO 7 -SEGMENT DECODER/DRIVER Decimal output LED BCD input 0 00 11 01 0 BCD-to 7 -Segment Decoder/ Driver Electronic decoders are available in IC form. • This decoder translates from BCD to decimal. • Decimals are shown on an 7 -segment LED display. • This IC also drives the 7 -segment LED display. •

Q #5#1 - What is the decimal output from the decoder that #2#3#4 appears

Q #5#1 - What is the decimal output from the decoder that #2#3#4 appears on the 7 -segment display? Answer: 6 3 0 9 7 BCD input Decimal output 0 010 100 0111 BCD-to 7 -Segment Decoder/ Driver ?

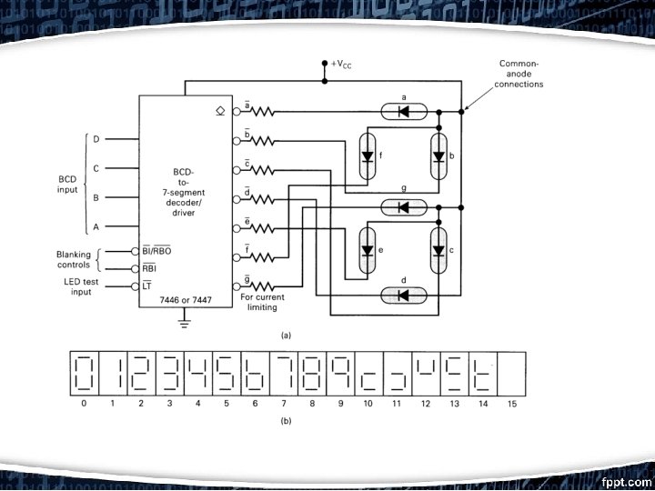
BCD-TO-SEVEN SEGMENT DECODER DRIVER V+ abcde f g. 5 V 74 LS 47 A

BCD-TO-SEVEN SEGMENT DECODER DRIVER V+ abcde f g. 5 V 74 LS 47 A 3 g A 2 f A 1 e A 0 d c b a test RBI RB RBO

7 -segmen display

7 -segmen display

Rangkaian Pengubah kode BCD ke LED 7 -segmen

Rangkaian Pengubah kode BCD ke LED 7 -segmen

Thankyou

Thankyou