Dmarrage direct Pour raliser un dpartmoteur de faon













































- Slides: 45
Démarrage direct : Pour réaliser un départ-moteur de façon correcte, il faut assurer les fonctions suivantes : Isoler c’est le rôle du sectionneur. Protéger la puissance contre les courts-circuits, pour cela on utilise des cartouches fusibles de type a. M. Commander l’arrivée de l’énergie au moteur, c’est le rôle du contacteur. Protéger le moteur contre les surcharges, fonction assurée par le relais thermique. www. sahir 2008. fr. nf
Intensité La surintensité au moment du démarrage peut être de 4 & 8 fois l’intensité nominale Id = 4 à 8 In Couple moteur Au moment du démarrage, le couple moteur est en moyenne de 1, 5 à 2 fois le couple nominal. www. sahir 2008. fr. nf
Démarrage direct semi-automatique un sens de marche : Schéma fonctionnel : www. sahir 2008. fr. nf
Circuit de puissance : L 1, L 2, L 3 : alimentation triphasée Q : fusible sectionneur KM 1 : contacteur principal 1 F : relais thermique M : moteur triphasé www. sahir 2008. fr. nf
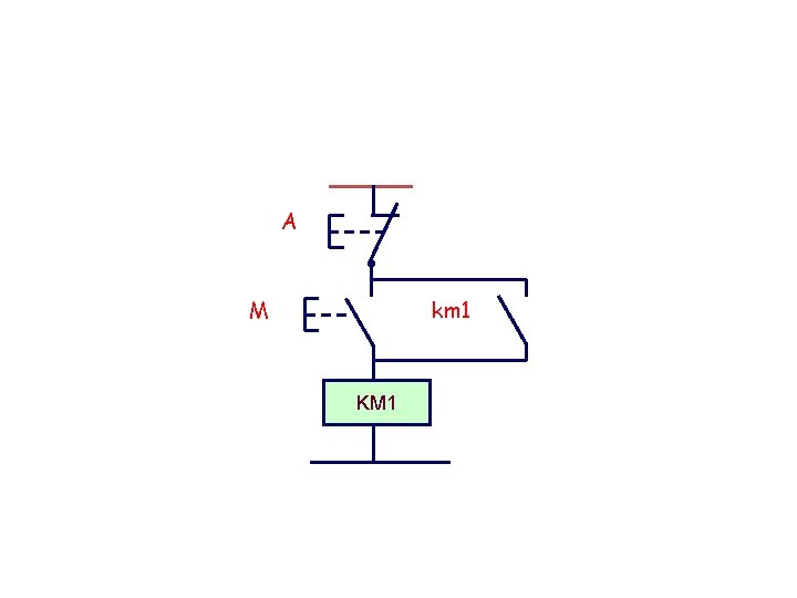
Circuit de commande : F : contact auxiliaire du relais thermique S 0 : bouton poussoir arrêt S 1: bouton poussoir marche KM 1 : bobine du contacteur KM 11 : contact auxiliaire du contacteur www. sahir 2008. fr. nf
A M km 1 KM KM 11
A M km 1 KM KM 1 1
A M km 1 KM 1
A M km 1 KM 1
A M km 1 KM 1
A M km 1 KM KM 11
A M km 1 KM 1
A M km 1 KM KM 11
A M km 1 KM KM 11
A M km 1 KM KM 11
A M km 1 KM 1
A M km 1 KM 1
Schéma fonctionnel : www. sahir 2008. fr. nf
Démarrage direct semi-automatique deux sens de marche : Schéma fonctionnel : www. sahir 2008. fr. nf
Circuit de puissance : KM 1 : contacteur sens 1 KM 2 : contacteur sens 2 www. sahir 2008. fr. nf
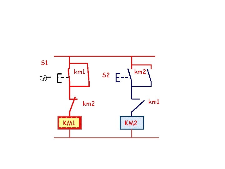
Circuit de commande : www. sahir 2008. fr. nf
S 1 : Bouton poussoir marche contacteur 1 S 2 : Bouton poussoir marche contacteur 2 km 1 : Contact auxiliaire contacteur 1 km 2 : Contact auxiliaire contacteur 2 KM 1 : Bobine contacteur KM 2 : Bobine contacteur
A S 1 km 1 S 2 km 1 km 2 KM 1 KM 2
S 1 km 1 S 2 km 1 km 2 KM 1 KM 2
S 1 km 1 S 2 km 1 km 2 KM 1 KM 2
S 1 km 1 S 2 km 1 km 2 KM 1 KM 2
S 1 km 1 S 2 km 1 km 2 KM 1 KM 2
S 1 km 1 S 2 km 1 km 2 KM 1 KM 2
S 1 km 1 S 2 km 1 km 2 KM 1 KM 2
S 1 km 1 S 2 km 1 km 2 KM 1 KM 2
S 1 km 1 S 2 km 1 km 2 KM 1 KM 2
S 1 km 1 S 2 km 1 km 2 KM 1 KM 2
S 1 km 1 S 2 km 1 km 2 KM 1 KM 2
Intensité La surintensité au moment du démarrage peut être de 4 & 8 fois l’intensité nominale Id = 4 à 8 In Couple moteur Au moment du démarrage, le couple moteur est en moyenne de 1, 5 à 2 fois le couple nominal. www. sahir 2008. fr. nf
www. sahir 2008. fr. nf
Démarrage étoile-triangle Le principe du démarrage étoile triangle consiste à sous-alimenter le moteur durant presque toute la durée du démarrage en le couplant en étoile. Il faut donc utiliser un moteur normalement couplé en triangle et dont toutes les extrémités d’enroulement sorties sur la plaque à bornes. Exemple : Sur un réseau 230/400 V il faut donc utiliser un moteur 400/660 V Utilisation du démarrage étoile triangle : Machine démarrant à vide : Ventilateur. . . www. sahir 2008. fr. nf
2. 2) Courbes : On constate que le couple et l’intensité au démarrage sont réduits d’environ 3 fois par rapport à un démarrage direct. En raison de la diminution sensible du couple de démarrage le moteur ne peut pas démarrer en charge. En il y a coupure de l’alimentation entre les positions étoile et triangle. www. sahir 2008. fr. nf
Démarrage étoile-triangle semi-automatique un sens de marche : Schéma fonctionnel www. sahir 2008. fr. nf
Circuit de puissance : L 1, L 2, L 3 : alimentation triphasée Q : fusible sectionneur KM 1 : contacteur couplage étoile KM 2 : contacteur de ligne KM 3 : contacteur couplage triangle F : relais thermique M : moteur triphasé www. sahir 2008. fr. nf
F : contact auxiliaire du relais thermique S 0 : bouton poussoir arrêt S 1: bouton poussoir marche KM 1 : bobine du contacteur couplage étoile KM 2 : bobine du contacteur ligne KM 3 : bobine du contacteur couplage triangle KM 21 : contact auxiliaire à ouverture retardé à l’ouverture Circuit de commande Chronogramme de fonctionnement www. sahir 2008. fr. nf
Chronogramme de fonctionnement www. sahir 2008. fr. nf
Solution 2 : utilisation d’un relais différé KA 1 : relais auxiliaire qui possède un contact temporisé retardé à l’ouverture KA 11 www. sahir 2008. fr. nf
Démarrage étoile-triangle semiautomatique deux sens de marche : Schéma fonctionnel : www. sahir 2008. fr. nf
Circuit de puissance Q : fusible sectionneur KM 1 : contacteur sens 1 KM 2 : contacteur sens 2 KM 3 : contacteur couplage étoile KM 4 : contacteur couplage triangle F : relais thermique M : moteur triphasé www. sahir 2008. fr. nf
I Circuit de commande : www. sahir 2008. fr. nf