Dimensioning 4 1 Detailed Drawings Copyright 2009 by
Dimensioning 4 -1) Detailed Drawings Copyright © 2009 by K. Plantenberg Restricted use only
Detailed Drawings Ø Orthographic Projection: A shape description of an object (front, top, right side views). Ø Detailed Drawing: An orthographic projection, complete with all the dimensions and specifications needed to manufacture the object. Copyright © 2009 by K. Plantenberg Restricted use only
Detailed Drawing Example Copyright © 2009 by K. Plantenberg Restricted use only
Learning to Dimension Ø What is our goal when dimensioning a part? → Basically, dimensions should be given in a clear and concise manner and should include everything needed to manufacture and inspect the part exactly as intended by the designer. Copyright © 2009 by K. Plantenberg Restricted use only
Lines used in Dimensioning Ø Dimensioning requires the use of → Dimension lines → Extension lines → Leader lines Ø All three line types are drawn thin so that they will not be confused with visible lines. Copyright © 2009 by K. Plantenberg Restricted use only
Dimension Line Ø Dimension line: A line terminated by arrowheads, which indicates the direction and extent of a dimension. Copyright © 2009 by K. Plantenberg Restricted use only
Dimension Line Ø Dimension line: Ideally, the dimension line is broken to allow for the insertion of the feature’s size. Copyright © 2009 by K. Plantenberg Restricted use only
Extension Line Ø Extension line: An extension line is a thin solid line that extends from a point on the drawing to which the dimension refers. Long extension lines should be avoided. Copyright © 2009 by K. Plantenberg Restricted use only
Leader Line Ø Leader Line: A straight inclined thin solid line leading to a note or dimension value. Copyright © 2009 by K. Plantenberg Restricted use only
Leader Line Ø Leaders may be terminated: → with an arrow, if it ends on the outline of an object. Copyright © 2009 by K. Plantenberg Restricted use only
Leader Line Ø Leaders may be terminated: → with a dot or nothing if it ends within the outline of an object. Copyright © 2009 by K. Plantenberg Restricted use only
Leader Line Ø Avoid! → Crossing leaders. → Long leaders. → Leaders that are parallel to adjacent dimension, extension or section lines. → Small angles between the leader and the terminating surface. Copyright © 2009 by K. Plantenberg Restricted use only
Arrowheads Ø Arrowheads are drawn between the extension lines if possible. If space is limited, they may be drawn on the outside. Copyright © 2009 by K. Plantenberg Restricted use only
Types of Dimensions Ø Dimensions are given in the form of linear distances, angles, and notes. → Linear distances: They are usually arranged horizontally or vertically, but may also be aligned with a particular feature of the part. Copyright © 2009 by K. Plantenberg Restricted use only
Types of Dimensions Ø Dimensions are given in the form of linear distances, angles, and notes. → Angles: Used to give the angle between two surfaces or features of a part. Copyright © 2009 by K. Plantenberg Restricted use only
Types of Dimensions Ø Dimensions are given in the form of linear distances, angles, and notes. → Notes: Used to dimension diameters, radii, chamfers, threads, and other features that can not be dimensioned by the other two methods. Copyright © 2009 by K. Plantenberg Restricted use only
Lettering Ø Lettering should be legible, easy to read, and uniform throughout the drawing. → Upper case letters should be used for all lettering unless a lower case is required. → The minimum lettering height is 0. 12 in (3 mm). Copyright © 2009 by K. Plantenberg Restricted use only
Dimensioning Symbols Ø Dimensioning symbols replace text. → The goal of using dimensioning symbols is to eliminate the need for language translation. Ø Why is it important to use symbols. → How many products are designed in the United States? → How many products are manufactured or assembled in the United States? Copyright © 2009 by K. Plantenberg Restricted use only
Dimensioning Symbols Term Diameter Spherical diameter Radius Spherical radius Depth / Deep Counterbore / Spotface Countersink Number of times or places Copyright © 2009 by K. Plantenberg Restricted use only Symbol Sn R SR ↧ � � 4 X
Spacing and Readability Ø Dimensions should be easy to read, and minimize the possibility for conflicting interpretations. Copyright © 2009 by K. Plantenberg Restricted use only
Spacing and Readability a) The spacing between dimension lines should be uniform throughout the drawing. b) Do not dimension inside an object or have the dimension line touch the object unless clearness is gained. Copyright © 2009 by K. Plantenberg Restricted use only
Spacing and Readability c) Dimension text should be horizontal which means that it is read from the bottom of the drawing. d) Dimension text should not cross dimension, extension or visible lines. Copyright © 2009 by K. Plantenberg Restricted use only
Exercise 4 -2 Ø List the dimensioning mistakes and then dimension the object correctly. Copyright © 2009 by K. Plantenberg Restricted use only
What are the 5 types of dimensioning mistakes?
1) Spacing 2) Don’t dim. inside the object. 3) Text 4) No Gap 5) Missing dim. (n of hole)
Correctly Dimensioned
Spacing and Readability h) Dimensions should not be duplicated or the same information given in two different ways. → If a reference dimension is used, the size value is placed within parentheses (e. g. (10) ). Copyright © 2009 by K. Plantenberg Restricted use only
Exercise 4 -4 Ø Find the duplicate dimensions and cross out the ones that you feel should be omitted. Copyright © 2009 by K. Plantenberg Restricted use only
Are there any duplicates Which in thisone group? should be omitted?
Are there any duplicates Which ones should in this group? be omitted?
Are there any duplicates Which one in this group? should be omitted?
Dimension Placement Ø Dimensions should be placed in such a way as to enhance the communication of your design. Copyright © 2009 by K. Plantenberg Restricted use only
Dimension Placement a) Dimensions should be grouped whenever possible. b) Dimensions should be placed between views, unless clearness is promoted by placing some outside. Copyright © 2009 by K. Plantenberg Restricted use only
Dimension Placement c) Dimensions should be attached to the view where the shape is shown best. d) Do not dimension hidden lines. Copyright © 2009 by K. Plantenberg Restricted use only
Exercise 4 -5 Ø List the dimensioning mistakes and then dimension the object correctly. Copyright © 2009 by K. Plantenberg Restricted use only
What are the 6 types of dimensioning mistakes?
1) Between views 3) Don’t dim. Hidden lines 2) Leaders float up 4) Dim where feature is shown best 6) Long ext. line 5) Group
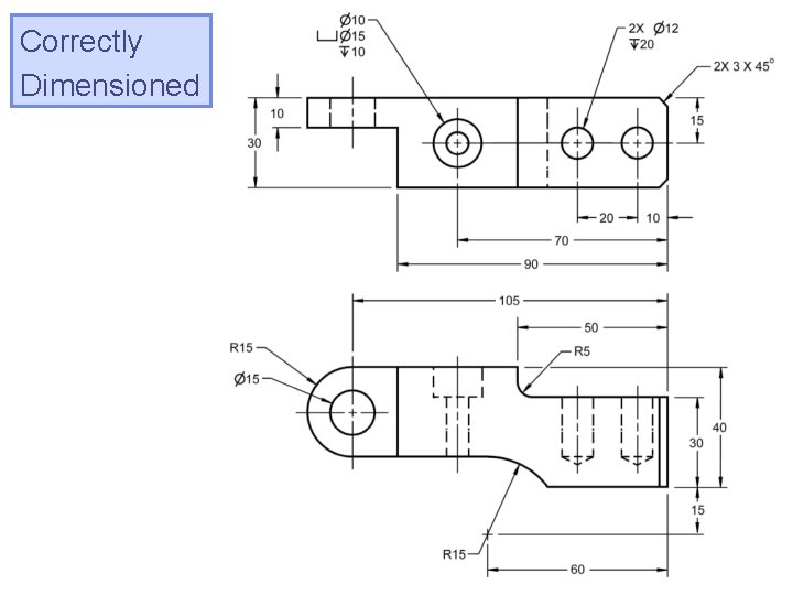
Correctly Dimensioned
Dimensioning 4 -4) Dimensioning and Locating Simple Features Copyright © 2009 by K. Plantenberg Restricted use only
Learning to Dimension Ø Dimensioning and Locating Features: Different types of features require unique methods of dimensioning. Copyright © 2009 by K. Plantenberg Restricted use only
Dimensioning Features a) A circle is dimensioned by its diameter and an arc by its radius using a leader line and a note. Copyright © 2009 by K. Plantenberg Restricted use only
Exercise 4 -6 Circular and rectangular views Copyright © 2009 by K. Plantenberg Restricted use only
Exercise 4 -6 Ø Answer questions about the cylindrical and hole features of the part shown. Copyright © 2009 by K. Plantenberg Restricted use only
Find the hole and cylinder. Circular view Which view is considered the circular view and which is considered the rectangular view? Rectangular view
Looking at just the top view, can you tell the difference between the hole and the cylinder? No
Why is the diameter of the hole given in the circular view and diameter of the cylinder given in the rectangular view? So that the cylinder is not confused with a hole.
Dimensioning Features b) Holes are dimensioned by giving their diameter and location in the circular view. Copyright © 2009 by K. Plantenberg Restricted use only
Dimensioning Features c) A cylinder is dimensioned by giving its diameter and length in the rectangular view, and is located in the circular view. Copyright © 2009 by K. Plantenberg Restricted use only
Dimensioning Features d) The depth of a blind hole may be specified in a note and is the depth of the full diameter from the surface of the object. Copyright © 2009 by K. Plantenberg Restricted use only
Dimensioning Features e) If a hole goes completely through the feature and it is not clearly shown on the drawing, the abbreviation “THRU” follows the dimension. Copyright © 2009 by K. Plantenberg Restricted use only
Dimensioning Features f) If a dimension is given to the center of a radius, a small cross is drawn at the center. Copyright © 2009 by K. Plantenberg Restricted use only
Dimensioning Features f) Where the center location of the radius is unimportant, the drawing must clearly show that the arc location is controlled by other dimensioned features such as tangent surfaces. Copyright © 2009 by K. Plantenberg Restricted use only
Dimensioning Features g) A complete sphere is dimensioned by its diameter and an incomplete sphere by its radius. Copyright © 2009 by K. Plantenberg Restricted use only
Dimensioning Features h) Repetitive features or dimensions may be specified by using the symbol “X” along with the number of times the feature is repeated. → There is no space between the number of times the feature is repeated and the “X” symbol, however, there is a space between the symbol “X” and the dimension. Copyright © 2009 by K. Plantenberg Restricted use only
Exercise 4 -7 Dimensioning and locating features Copyright © 2009 by K. Plantenberg Restricted use only
Exercise 4 -7 Ø Dimension the object shown. Copyright © 2009 by K. Plantenberg Restricted use only
How do we dimension the hole diameters?
How do we locate the holes?
How do we dimension the cylinder diameters?
How do we dimension the cylinder heights?
Completely dimensioned.
Skip advanced topic Dimensioning 4 -5) Dimensioning and Locating Advanced Features Copyright © 2009 by K. Plantenberg Restricted use only
Dimensioning Features a) If space is at a minimum, the size and location of a radii may be given by using a false center and jogged dimensions. Copyright © 2009 by K. Plantenberg Restricted use only
Dimensioning Features b) Solid parts with rounded ends ® Give the overall dimension ® Partially rounded ends: radii are also given. ® Fully rounded ends: radii are indicated but the value is not given. ® Copyright © 2009 by K. Plantenberg Restricted use only
Dimensioning Features c) Slots ® Overall dimension, dimension or dimension between centers ® Overall width ® The radii are indicated but the value is not given. Copyright © 2009 by K. Plantenberg Restricted use only
Dimensioning Features d) The length of an arc is dimensioned using the arc length symbol. Copyright © 2009 by K. Plantenberg Restricted use only
Dimensioning Features e) Equally spaced features Reference # of spaces Copyright © 2009 by K. Plantenberg Restricted use only Space dim Total distance
Dimensioning Features e) Equally spaced features Copyright © 2009 by K. Plantenberg Restricted use only
Dimensioning Features f) If a part is symmetric, it is only necessary to dimension to one side of the center line of symmetry. Copyright © 2009 by K. Plantenberg Restricted use only
Dimensioning Features g) Counterbored holes Drill DIA C’Bore depth Copyright © 2009 by K. Plantenberg Restricted use only
Dimensioning Features g) If the thickness of the material below the counterbore is significant, this thickness rather than the counterbore depth is given. Copyright © 2009 by K. Plantenberg Restricted use only
Application Question 4 -1 Ø What do you think a counterbored hole is used for? Copyright © 2009 by K. Plantenberg Restricted use only
Dimensioning Features h) Spotfaced Holes: The difference between a C’BORE and a Spotface is that the machining operation occurs on a curved surface. Notice that the depth can not be specified in the note. Copyright © 2009 by K. Plantenberg Restricted use only
Dimensioning Features i) Countersunk Holes Drill DIA Drill Depth Space C’Sink DIA C’Sink angle Copyright © 2009 by K. Plantenberg Restricted use only
Application Question 4 -2 Ø What do you think a countersunk hole is used for? Copyright © 2009 by K. Plantenberg Restricted use only
Dimensioning Features j) Chamfers: Dimensioned by a linear dimension and an angle, or by two linear dimensions. Copyright © 2009 by K. Plantenberg Restricted use only
Dimensioning Features j) Chamfers: Dimensioned by a linear dimension and an angle, or by two linear dimensions. Space Copyright © 2009 by K. Plantenberg Restricted use only
Application Question 4 -3 Ø What do you think a chamfer is used for? Safety. Improve engagement of mating parts. Copyright © 2009 by K. Plantenberg Restricted use only
Drawing Notes Ø Drawing notes give additional information that is used to complement conventional dimension. → manufacturing requirements → treatments and finishes → blanket dimensions (e. g. size of all rounds and fillets on a casting or a blanket tolerance). Ø The note area is identified with the heading “NOTE: ”. Copyright © 2009 by K. Plantenberg Restricted use only
Exercise 4 -8 Advanced features Copyright © 2009 by K. Plantenberg Restricted use only
Exercise 4 -8 Ø List the dimensioning mistakes and then dimension the object correctly. Copyright © 2009 by K. Plantenberg Restricted use only
What are the 7 types of dimensioning mistakes?
1) Use symbols 4) Dim. where features is shown best 5) Radius 7) Locate radius center 2) Spaces 3) Angle up 6) Don’t dim. hidden features
Correctly Dimensioned
Dimensioning 4 -6) Dimension Choice Copyright © 2009 by K. Plantenberg Restricted use only
Learning to Dimension Ø Dimension Choice: Your choice of dimensions will directly influence the method used to manufacture the part. a) Units and decimal places. b) Locating feature using datums. c) Dimension accuracy and error build up. Copyright © 2009 by K. Plantenberg Restricted use only
Dimension Choice Ø Dimension placement and dimension text influences the manufacturing process used to make the part. → Manufacturing process should not be specifically stated on the drawing. Ø Choose dimensions based on function first then manufacturing. Copyright © 2009 by K. Plantenberg Restricted use only
Units and Decimal Places a) Decimal dimensions should be used for all machining dimensions. → You may encounter a drawing that specifies standard drills, broaches, and the like by size. → For drill sizes that are given by number or letter, a decimal size should also be given. Copyright © 2009 by K. Plantenberg Restricted use only
Units and Decimal Places b) On drawings where all the dimensions are either in inches or millimeters the following note should be used. ® UNLESS OTHERWISE SPECIFIED, ALL DIMENSION ARE IN MILLIMETERS (or INCHES) Copyright © 2009 by K. Plantenberg Restricted use only
Units and Decimal Places b) If an inch dimension is given on a millimeter drawing or visa versa, the abbreviations IN or mm should be placed after the dimension value. Copyright © 2009 by K. Plantenberg Restricted use only
Units and Decimal Places c) Metric dimensions are given in ‘mm’ and to 0 or 1 decimal place (e. g. 10, 10. 2). → When the dimension is less than a millimeter, a zero should proceed the decimal point (e. g. 0. 5). Copyright © 2009 by K. Plantenberg Restricted use only
Units and Decimal Places d) English dimensions are given in ‘inches’ and to 2 decimal places (e. g. 1. 25). → A zero is not shown before the decimal point for values less than one inch (e. g. . 75). Copyright © 2009 by K. Plantenberg Restricted use only
Units and Decimal Places e) Metric 3 rd angle drawings are designated by the SI symbol. Copyright © 2009 by K. Plantenberg Restricted use only
Locating Features Using Datums Ø Consider three mutually perpendicular datum planes. → These planes are imaginary and theoretically exact. Copyright © 2009 by K. Plantenberg Restricted use only
Locating Features Using Datums Ø Now, consider a part that touches all three datum planes. → The surfaces of the part that touch the datum planes are called datum features. Copyright © 2009 by K. Plantenberg Restricted use only
Locating Features Using Datums Ø Most of the time, features on a part are located with respect to a datum feature. Copyright © 2009 by K. Plantenberg Restricted use only
Locating Features Using Datums Copyright © 2009 by K. Plantenberg Restricted use only
Locating Features Using Datums Ø How do we choose which surface will be a datum feature? Ø Good datum features are: → functionally important surfaces → mating surfaces → big enough to permit its use in manufacturing the part Copyright © 2009 by K. Plantenberg Restricted use only
Locating Features Using Datums Ø In a class setting, do we always know the function of the part? No We need to make an educated guess as to the function of the part. Copyright © 2009 by K. Plantenberg Restricted use only
Locating Features Using Datums a) Datum dimensioning is preferred over continuous dimensioning. Copyright © 2009 by K. Plantenberg Restricted use only
Locating Features Using Datums b) Dimensions should be given between points or surfaces that have a functional relation to each other → Slots, mating hole patterns, etc. . . Copyright © 2009 by K. Plantenberg Restricted use only
Application Question 4 -4 Ø Why is the distance between the two holes functionally important? If the hole pattern mates with 2 pins or bolts, the distance between the holes is more important than the distance from the edge to the second hole. Copyright © 2009 by K. Plantenberg Restricted use only
Dimensioning The End Copyright © 2009 by K. Plantenberg Restricted use only
- Slides: 103