Conversion Processes Cracking 1 Cracking is the breakdown
Conversion Processes: Cracking 1
Cracking is the breakdown of heavy hydrocarbon molecules into lighter ones. Cracking can be done Catalytically and/or Thermally. • Catalytic Cracking: catalyzed by the presence of defined catalyst. Examples of catalytic cracking are fluidized-bed catalytic cracking (FCC) and hydrocracking • Thermal Cracking: Catalyzed by heat. Examples of thermal cracking processes are visbreaking and solvent deasphalting • In this Chapter, the focus will be on Catalytic Cracking. 2
3
Fluidized Catalytic Cracking Convert heavy hydrocarbon fractions from vacuum distillation into a lighter mixture of more useful products Feedstock undergoes a chemical breakdown, under controlled heat (450 – 500 o. C) and pressure, in the presence of a catalyst Fluidized Catalytic Cracking Effective catalyst: small pellets of silica, alumina or magnesia and nowadays zeolite. 4
Fluidized Catalytic Cracking: Products • Primary goals: - To make gasoline & diesel - To minimize the production of heavy fuel oil - To produce large amounts of olefins, which are used as » Feedstocks for petrochemical industry » Production of butylene, propylene & ethylene » C 5+ olefins can be alkylated to produce high-octane gasoline 5
Fluidized Catalytic Cracking REACTOR Catalytic cracking is the most important and widely used refinery process for converting heavy oils into more valuable gasoline and lighter products (e. g. LPG). REGENERATOR RISER The cracking process also produces carbon (coke) which remains on the catalyst particle and rapidly lowers its activity. To maintain the catalyst activity at a useful level, it is necessary to regenerate the catalyst by burning off this coke with air. q As a result, the catalyst is continuously moved from reactor to regenerator and back to reactor. q The cracking reaction is endothermic and the regeneration reaction exothermic. 6
Chemistry of Catalytic Cracking The “Cracking” reaction is a composite of many reactions 1. 2. 3. 4. Initiation --- making the carbenium ion Isomerization --- manipulating the carbenium ion ß-scission --- cutting the carbenium ion into two Hydrogen ion transfer --- the engine that keeps things going 5. Termination --- removing the carbenium ion as an olefin 7
Initiation 1. Production of olefin through mild thermal cracking of paraffins, then these olefins attract a proton from the catalyst to form carbenium ions. 2. 8
Isomerization - Stabilizing Carbenium Ions 9
Cracking: cutting C-C bond 10
Hydrogen Ion Transfer The carbenium ions propagate the chain reaction by transferring a hydrogen ion from a n-paraffin to form a paraffin molecule and a new carbenium ion. Thus another carbenium ion is formed and the chain is ready to repeat itself. 11
Termination 12
Fluidized Catalytic Cracking Catalyst q The FCC process employs a catalyst in the form of very fine particles [average particle size about 70 micrometers (microns)] which behave as a fluid when aerated with a vapor (and this is why it is called fluidized catalytic cracking). The fluidized catalyst is circulated continuously between the reaction zone and the regeneration zone and acts as a vehicle to transfer heat from the regenerator to the oil feed and reactor. REACTOR REGENERATOR RISER 13
Fluidized Catalytic Cracking To Fractionator q The hot oil feed is contacted with the catalyst in the feed riser line and/or the reactor. q As the cracking reaction progresses, the catalyst is progressively deactivated by the formation of coke on the surface of the catalyst. q The catalyst and hydrocarbon vapors are separated mechanically, and oil remaining on the catalyst is removed by steam stripping before the catalyst enters the regenerator. REACTOR steam REGENERATOR RISER Hot oil air q The oil vapors are taken overhead to a fractionation tower for separation into streams having the desired boiling ranges. 14
Fluidized Catalytic Cracking q The spent catalyst flows into the regenerator and is reactivated by burning off the coke deposits with air. To Fractionator Flue gases REACTOR steam REGENERATOR q Regenerator temperatures are carefully controlled to prevent catalyst deactivation by overheating. RISER Hot oil air q This is done by controlling the air flow to give a desired CO 2/CO ratio in the exit flue gases or the desired temperature in the regenerator. q The flue gases and catalyst are separated by cyclone separators and electrostatic precipitators. 15
Fluidized Catalytic cracking q Two basic types of FCC units in use today are the ‘‘side-by-side’’ type, where the reactor and regenerator are separate vessels adjacent to each other, and the stacked type, where the reactor is mounted on top of the regenerator. side-by-side FCC units stacked type FCC units P: products FG: flue gases S: steam A: air F: feed 16
FCC Process The ratio of catalyst: oil = 4: 1 to 9: 1 by weight. Residence time of the gas < 5 seconds REGENERATOR FCC feed is preheated to 650 o. F and is fed into the riser Which contains hot catalyst from the regenerator The vapor generated by the cracking process lifts the catalyst up the riser. The vapor velocity at the base of the riser REACTOR is about 6 m/s and increases to over 20 m/s at the riser exit. steam RISER 17
A spent catalyst is withdrawn from the bottom of reactors and stripped with steam to vaporize the hydrocarbons remaining on the surface Stripping removes most of the hydrocarbon vapors which are entrained between the particles of catalyst FCC Process REACTOR REGENERATOR It is desirable to steamseparate the vapor and catalyst as quickly as possible RISER to prevent overcracking of the desired products. 18
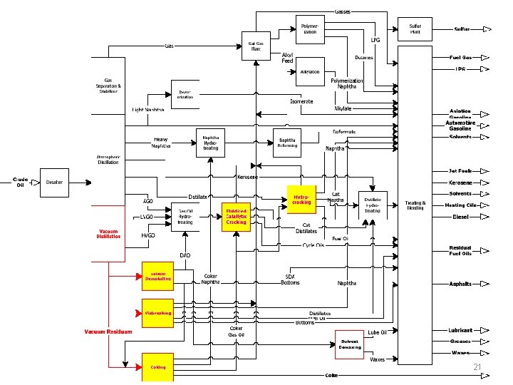
Fluidized Catalytic Cracking (FCC) Flowsheet 19
Hydrocracking 20
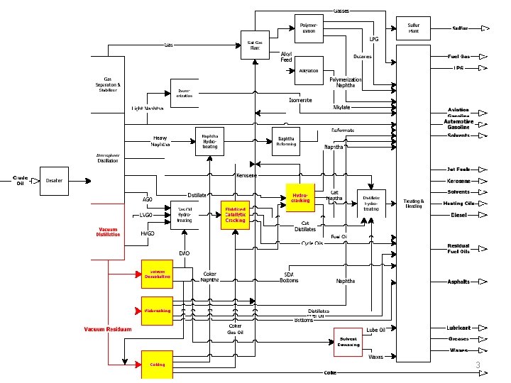
21
What is Hydrocracking? Hydrocracking is the conversion process of higher boiling point petroleum fractions to light hydrocarbons (mainly gasoline and jet fuels) in the presence of hydrogen and catalyst. 22
Why Hydrocracking? q The increasing demand for gasoline and jet fuel compared to diesel fuel and home heating oils was a dominant factor in the development of hydrocracking process q Hydrogen as a byproduct of catalytic reforming process was available in large amounts and relatively cheap 23
Benefits of Hydrocracking q Hydrocracking is one of the most versatile process, which facilitate product balance with the market demand. q Other advantages are: q Very high gasoline yield q High octane numbers q Production of large amount of isobutane q Supplementing FCC (Fluid Catalytic Cracking) to upgrade heavy stocks, aromatics and coker oils 24
Hydrocracking vs FCC q Fluid Catalytic Cracking (FCC) takes more easily cracked paraffinic atmospheric and vacuum gas oil q Hydrocracking is capable of using aromatics and cycle oils and coker distillates as feed (these compounds resist FCC) q Cycle oils and aromatics formed in catalytic cracking (FCC) are satisfactory feedstock for hydrocracking q Middle distillate and even light crude oil can also be used as feedstock for hydrocracking 25
Hydrocracking processes q The fresh feed is mixed with hydrogen gas and recycle gas (high in hydrogen content) and passed through a heater to the first reactor q If the feed is high in sulfur and nitrogen a guard reactor is employed to convert sulfur to hydrogen sulfide and nitrogen to ammonia to protect precious catalyst in the following reactor. gasoline Jet fuel Two-Stage Hydrocracking 26
Hydrocracking processes q. Hydrocracking reactors are operated at high temperatures to produce materials with boiling point below 400 F q. The reactor gaseous effluent goes through heat exchangers and a high pressure separator where the hydrogen rich gases are separated and recycled to the first stage. gasoline Jet fuel Two-Stage Hydrocracking 27
Hydrocracking processes q. The liquid product from the reactor is sent to a distillation column where C 1 -C 4 and lighter gases are taken off and the gasoline, jet fuel, naphta and/or diesel fuel streams are removed as liquid side streams. q The distillation bottom product is sent to the second hydrocracker gasoline Jet fuel Two-Stage Hydrocracking 28
Hydrocracking Reactions q. There are hundreds of simultaneous chemical reactions occurring in hydrocracking q It is assumed that the mechanism of hydrocracking is that of catalytic cracking with hydrogen superimposed q In catalytic cracking the C – C bond is broken, while in hydrogenation, H 2 is added to a carbon double bond q Cracking is an endothermic reaction q Hydrogenation is an exothermic reaction 29
Hydrocracking Reactions q Cracking and hydrogentation are complementary as shown below 30
Hydrocracking reactions q. Aromatics which are difficult to process in FCC are converted to useful products in Hydrocrackers. 31
Hydrocracking Reactions q Cracking provides olefins for hydrogenation and Hydrogenation provides heat for cracking q The overall reaction provides an excess of heat as hydrogenation produces much larger heat than the heat required for cracking operation q Therefore the overall process is exothermic and quenching is achieved by injecting cold hydrogen into the reactor and apply other means of heat transfer, e. g. intermediate heat exchanger q Isomerization is another type of reaction, which occurs in hydrocracking 32
Hydrocracking Reactions q As a result of isomerization reaction, the products formed contains high fraction of isopsraffins. Higher iosparaffins content means higher octane number. q The volumetric yield can be as high as 125% as the hydrogenated products have a higher API gravity q Hydrocracking reactions are normally carried out at an average catalyst temperature between 550 and 750 F 33
Hydrocracking Reactions q The reactor pressure ranges from 8275 – 13800 k. Pa (1200 to 2000 psig) q Large quantity of hydrogen is circulated in order to prevent excessive catalyst fouling q Catalyst poisons are removed from the feedstock to enhance catalyst life q The feedstock may be hydrotreated to reduce the sulfur and nitrogen levels as well as metals q In recent designs, the first reactor in the reactor train may be used for sulfur and nitrogen removal 34
Reaction Kinetics q Kinetic modeling of reactions in hydrocracking is difficult due to the complexity of feedstock and products q In general, adsorption of hydrogen to the active sites on the catalyst surface can be shown as H 2 + S k. A k-A H 2. S S = vacant adsorption site on the catalyst surface k. A k-A = = adsorption rate constant desorption rate constant 35
Reaction Kinetics q The rate of adsorption, ra, is proportional to the concentration of active sites Ca and the partial pressure of hydrogen ra = k. A p. H 2 Ca q The desorption rate would be rd = k-A CH 2 S q The net rate of adsorption is ra - rd = k. A p. H 2 Ca - k-A CH 2 S q. The total concentration of active sites is constant CT = Ca + CH 2 S 36
Reaction Kinetics q At equilibrium, the net rate will be zero CH 2 S = (KA p. H 2 CT )/(1 + KA p. H 2) Where KA = k. A/k-A q. Once the molecules have been adsorbed, they undergo several possible types of surface reactions q. The rate constant is also related to activation energy of the reaction q In general, the rate of hydrocracking follows a first order kinetics 37
Catalysts • Characteristics of good catalyst: - ability to produce desirable product and not coke - selective to valuable products (e. g. high octane gasoline). - stable, so it does not deactivate at the high temperature levels in regenerators. - resistant to contamination 38
Catalysts q Hydrocracking catalysts are dual functional, (having metallic and acidic sites) promoting cracking and hydrogenation reactions. q The main reactions are: q Cracking q Hydrogenation of unsaturated hydrocarbons obtained from cracking q Hydrogenation of aromatic compounds q Hydrogenolysis (breaking C-C bond by the addition of hydrogen) of naphthenic structure 39
Catalysts q Cracking is promoted by metallic sites of the catalyst. q Acid sites transform the alkenes formed into ions q Hydrogenation reactions also occur on metallic sites q Both metallic and acidic sites take part in the hydrogenolysis reactions q To minimize coke formation a proper balance must be achieved with the two sites on the catalyst (depending on the conditions of the operation) 40
Catalysts q High temperatures lead to more reactions on acidic sites while increase in hydrogen partial pressure enhances hydrogenation on metallic sites q Conventional catalysts are composed of transition metals deposited on acidic sites. q The metals are those from group VIII (e. g. molybdenum, cobalt, nickel, …) 41
Catalysts • Three classes: (1) acid-treated natural aluminosilicates (2) amorphous synthetic silica-alumina combinations (3) crystalline synthetic silica-alumina catalyst called zeolite or molecular sieves 42
Catalysts q Zeolite-based catalyst is one of the most commonly used catalysts in hydrocracking q The use of zeolite catalyst minimizes coke formation and improves catalyst stability q Zeolites have a large concentration of acid sites which enhances their hydrocracking activity q Zeolites also need lower temperatures to achieve a specified conversion q Amorphous -alumina is also widely applied as a catalyst support due to its mechanical and thermal stability and porous structure 43
Advantages of using Zeolite as Catalyst • • • Higher activity Higher gasoline yield Higher octane number Lower coke yield Increased isobutane production Higher conversion without overcracking 44
End of Chapter Six 45
- Slides: 45