Control de Motores de Corriente Alterna Control de




















































- Slides: 52
Control de Motores de Corriente Alterna
Control de motores de inducción Control escalar Control vectorial · Control escalar - Se regula la tensión y la frecuencia del estator o control volt/hertz. - Regulación del flujo por la corriente inyectada en el estator en función de la frecuencia de deslizamiento rotórica w 2. · Control vectorial -Control orientado al campo (Field Oriented Control, FOC), que puede ser indirecto, o directo. - Control de torque directo (Direct Self Control, DSC, Direct Torque Control, DTC)
Los motores de inducción se pueden clasificar en dos categorías importantes, basadas en sus aplicaciones: 1) ASD (Adjustable-Speed Drives). Una aplicación importante en estos accionadores es regular la velocidad de ventiladores, compresores, bombas, tracción eléctrica, incluidos vehículos híbridos, y otros procesos de control industrial. 2) Servo Drives. Corresponde a controles sofisticados que pueden usar como servo drives en máquinas herramientas, robótica y también puede emular las características de un motor de d. c. y un motor brushless de d. c.
Control escalar Variador Volts/Hz en lazo abierto
Control Volts/Hz en lazo cerrado con regulación de deslizamiento
Control vectorial orientado al campo FOC de Blaschke El control escalar no tiene buen comportamiento dinámico. ü El control vectorial provee el mismo control desacoplado de flujo y torque el cual es inherentemente posible en un motor de DC. ü El principio del control orientado al campo de corriente puede ser explicado en referencia con las características de un motor de DC.
Representation of a d. c. motor
1. Si pasa una corriente i_1 por el devanado del campo, este produce un campo magnético Y en el estator 2. Para que se pueda generar el torque, deberá pasar una corriente i_3 por el devanado de la armadura 3. Las fuerzas se aplican con un máximo torque, debido a que los ejes de los devanados de la armadura son perpendiculares a los del campo 4. El devanado de la armadura crea un campo de reacción que se opone al campo que lo crea. Por esta razón el campo de la armadura está compensado por un devanado de compensación 2, donde ( i_2=-i_3). Estos devanados del estator producen en el estator un torque de reacción que actúa en contra de la armadura.
En una máquina de DC, la corriente i_1 forma el campo y las corrientes i_2 + i_3 forman el torque. Field and currents Vector diagram State of field and currents in a DC motor
En un motor de inducción, para la generación de torque, la corriente en el devanado en cortocircuito sólo se puede generar por inducción, es decir con campo variable. La corriente en el devanado 1 genera el campo. Si se inyecta una corriente i_2 en el devanado 2, actuando previamente por un devanado de compensación, este induce en el rotor una corriente opuesta i_3.
Motor de inducción
Debido a que la corriente inducida del rotor requiere un cambio de campo, el diagrama vectorial cambia luego de un cierto tiempo: Motor de inducción. Rotor bloqueado
Si -ficticiamente- se gira el estator, i_1 y el campo Y están otra vez alineados.
Si el campo no se puede mover desde la dirección de i_1, pero se gira el estator continuamente con la rotación del campo, se puede obtener una orientación rígida de las corrientes alrededor del campo. Por lo tanto, las condiciones en cualquier instante quedan similares a las del motor de DC.
En realidad, el estator y los devanados a y b permanecen estacionarios. En esta distribución, sólo es importante el vector corriente i, formado por i_1 e i_2. En lugar de producir este vector rotante desde los devanados 1 y 2 con corrientes constantes i_1 e i_2, ahora se obtiene desde los devanados estacionarios a y b con corrientes variables i_a e i_b.
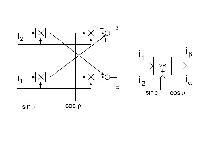
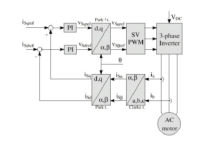
Proyección (a, b, c) a la proyección en los ejes (a , b) (Transformación Clarke).
Proyección del sistema de ejes (a , b) al sistema (d, q) (transformación Park).
Transformación de Park inversa
Control del motor síncrono Par motor en función del ángulo del par motor d. Motor de rotor cilíndrico
Motor de polos salientes
El control de servomotor síncrono de rotor cilíndrico, mantiene el ángulo del motor d en 90° valor máximo.
The power electronics handbook / Timothy L. Skvarenina; chapter 12
Motor síncrono de reluctancia conmutada, SRM Handbook of automotive power electronics and motor drives / edited by Ali Emadi; chapter 20
El motor SRM, la generación de torque se basa en la alineación del rotor con el polo del estator energizado. El control del motor de reluctancia conmutada implica generalmente el sensado del rotor.
Para dar energía, se cierran los dos transistores de la misma rama. Luego se aparan ambos transistores y queda el circuito en corrida libre. Si un transistor está cerrado, mientras que el otro está abierto, el respectivo diodo de corrida libre efectuará un camino de cortocircuito de corriente.
Estrategia de control en circuito abierto: 1. Detección de la posición inicial del rotor 2. Cálculo de la conmutación en función del signo del torque, nivel de corriente y velocidad 3. Monitoreo de la posición del rotor y selección de las fases activas 4. Estrategia de control de regulación de la fase a bajas velocidades
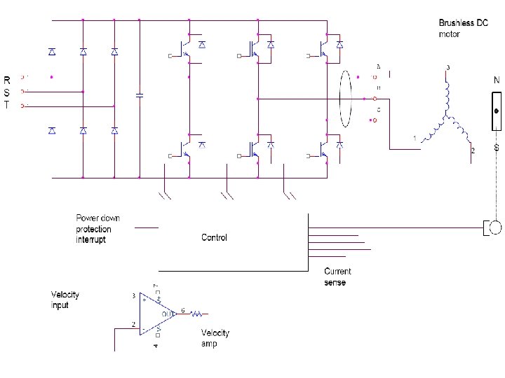
Motor Brushless, BLDC El motor BLDC se refiere a los siguientes casos: 1. Motor síncrono de imanes permanentes; PMSM 2. BLDC de fuerza contraelectromotriz trapezoidal 3. BLDC de fuerza contraelectromotriz sinusoidal 4. BLDC de flujo axial
Handbook of automotive power electronics and motor drives / edited by Ali Emadi; chapter 23
Drive senoidal
Control de posición y velocidad
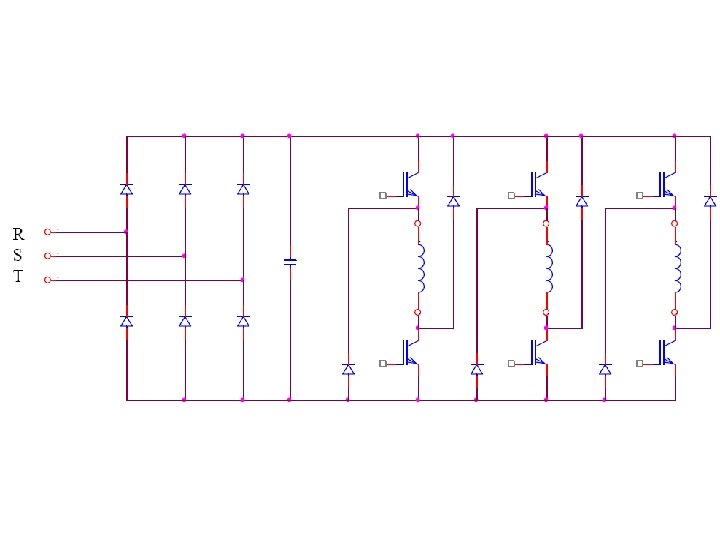
Ejemplo: Control de un motor de inducción por V/Hz y SVPWM; SPRA 284 A TEXAS INSTRUMENTS
Control escalar con PI basados en el método V/Hz constante
Frequency mapping Resolution of frequency mapping
CPU Cycles of Major Program Blocks
Bibliografía