Cie Osvoji si techniku nvrhu DPS Opakovanie 1

  • Slides: 27
Download presentation
Cieľ: Osvojiť si techniku návrhu DPS Opakovanie: 1. Značky el. súčiastok 2. Základné elektrotechnické

Cieľ: Osvojiť si techniku návrhu DPS Opakovanie: 1. Značky el. súčiastok 2. Základné elektrotechnické súčiastky – označenie, jednotky 3. Meranie napätia a prúdu 4. Transformátor, transformátorový pomer 5. Softwerové prostriedky pre návrh schémy, simuláciu a návrh DPS 6. Návrh DPS ručne - princíp

Technológie výroby Dva základné typy: • 1. metóda - nanášanie (tlačenie) vodivých spojov na

Technológie výroby Dva základné typy: • 1. metóda - nanášanie (tlačenie) vodivých spojov na izolačnú vrstvu. • 2. metóda - odstraňovanie časti súvislej vrstvy tenkej medenej fólie naparenej na izolačnom podklade. 1. Strihanie DPS na potrebný rozmer 2. Opracovanie hrán DPS 3. Chemické, alebo mechanické čistenie DPS 4. Odmastenie DPS 5. Prenesenie letovacích bodov jamkovaním z návrhu 6. Kreslenie obrazca návrhu na DPS 7. Leptanie DPS 8. Odstránenie obrazca DPS 9. Vyvŕtanie otvorov pre súčiastky 10. Lakovanie DPS 11. Spájkovanie 12. Lakovanie spodnej vrstvy DPS Dodržanie bezpečnosti práce

Prekreslite v Multisime a navrhnite plošný spoj v Layoute:

Prekreslite v Multisime a navrhnite plošný spoj v Layoute:

Prekreslite v Multisime a navrhnite plošný spoj v Layoute:

Prekreslite v Multisime a navrhnite plošný spoj v Layoute:

Návrh DPS pomocou Sprint-Layout Pracovná plocha Sprint-Layoutu Panel súradníc Panel vrstiev Bočné menu Panel

Návrh DPS pomocou Sprint-Layout Pracovná plocha Sprint-Layoutu Panel súradníc Panel vrstiev Bočné menu Panel parametrov Horné menu Panel vlastností Lišta nástrojov Panel súčiastok

Návrh DPS pomocou Sprint-Layout Menu špeciálnych tvarov Bočné menu Menu pre textové polia

Návrh DPS pomocou Sprint-Layout Menu špeciálnych tvarov Bočné menu Menu pre textové polia

Bočné menu - Zone

Bočné menu - Zone

Bočné menu Connections Autorute

Bočné menu Connections Autorute

Bočné menu - Meradlo Panel nástrojov Bočné menu - Test

Bočné menu - Meradlo Panel nástrojov Bočné menu - Test

Fotografická vrstva Vrstva pre vŕtanie otvorov

Fotografická vrstva Vrstva pre vŕtanie otvorov

Menu mriežka Menu súbor

Menu mriežka Menu súbor

Menu editácie Menu doska

Menu editácie Menu doska

Menu funkcií

Menu funkcií

Základná pracovná plocha s panelom súčiastok, vlastností a parametrov

Základná pracovná plocha s panelom súčiastok, vlastností a parametrov

Menu hlavných nastavení

Menu hlavných nastavení

Menu fototlače

Menu fototlače

Menu pre registráciu software

Menu pre registráciu software

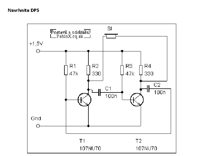
Navrhnite DPS

Navrhnite DPS

Navrhnite DPS

Navrhnite DPS

Navrhnite DPS

Navrhnite DPS

Navrhnite DPS

Navrhnite DPS

Navrhnite DPS

Navrhnite DPS

Navrhnite DPS

Navrhnite DPS

Navrhnite DPS

Navrhnite DPS

Navrhnite DPS

Navrhnite DPS

Navrhnite DPS

Navrhnite DPS

Navrhnite DPS

Navrhnite DPS