Chapter 6 Assembly Drawings Topics Exercises Copyright 2010
Chapter 6 Assembly Drawings Topics Exercises Copyright © 2010 by K. Plantenberg Restricted use only
Assembly : Topics Summary 6. 1) Definitions 6. 2) Views Used in Assembly Drawings 6. 3) Things to Include/Not Include 6. 4) Standard Parts Copyright © 2010 by K. Plantenberg Restricted use only
Assembly: Exercises Exercise 6 -1: Section lines in assemblies Exercise 6 -2: Working drawing package Copyright © 2010 by K. Plantenberg Restricted use only
Assembly Drawings Summary Copyright © 2010 by K. Plantenberg Restricted use only
Summary Ø What will we learn in Chapter 6? → How to create an assembly drawing. → How to create a standard parts sheet. Ø Key Points. → Assembly drawings show individual parts fit together to make a machine. → A standard parts sheet contains purchased items. Copyright © 2010 by K. Plantenberg Restricted use only
Assembly Drawings 6. 1) Definitions Copyright © 2010 by K. Plantenberg Restricted use only
Assembly Drawing Ø What is an assembly drawing and why do we need them? An assembly drawing is a drawing of an entire machine or system with all of its components located and identified. We need to know how to put the machine together. Copyright © 2010 by K. Plantenberg Restricted use only
Parts List (Bill of Materials) Part#’s
Subassembly Drawing Ø Subassembly: Two or more parts that form a portion of an assembly. Ø Can you think of some examples of subassemblies? → A car engine → A bike derailleur → A compressor in an AC Copyright © 2010 by K. Plantenberg Restricted use only
Definitions Ø Does an assembly drawing normally show size? No. Its job is to locate parts. Ø How do we show the size of an individual part? A detail drawing is a drawing of an individual part, which includes an orthographic projection and dimensions. Copyright © 2010 by K. Plantenberg Restricted use only
Working Drawing Package Ø Working Drawing Package: A packet of drawings that gives the specifications necessary to manufacture a design. Ø A typical working drawing package A standard part sheet includes; contains information about → an assembly drawing, purchased items and will be discussed later. → detailed drawings, → and a standard parts sheet. Copyright © 2010 by K. Plantenberg Restricted use only
Drawing Order Ø Drawings included in a working drawing package should be presented in the following order. → → → Assembly drawing (first sheet) Part Number 1 Part Number 2. . Standard parts sheet (last sheet) Copyright © 2010 by K. Plantenberg Restricted use only
Assembly Drawings 6. 2) Views Used in Assembly Drawings Copyright © 2010 by K. Plantenberg Restricted use only
Selecting Views Ø Does an assembly drawing need a FRONT, TOP and RIGHT SIDE view? Sometimes Ø We need as many views as it takes to identify and locate each part. →It may only take one view. Copyright © 2010 by K. Plantenberg Restricted use only
Needed 3 views to locate all of the parts.
Needed only 1 view to locate all of the parts.
Sectional Views Ø Sectional views are used quite often when drawing assemblies. Ø Why? Assemblies often have parts fitting into or overlapping other parts and we need to look inside the assembly to see clearly. Copyright © 2010 by K. Plantenberg Restricted use only
Section Lines in Assemblies Ø Section Lines: Section lines in adjacent parts are drawn in opposing directions. → In the largest area, section lines are drawn at 45 → Next largest = 135 (- 45 o) → Additional areas = 30 and 60 → Smaller areas = The distance between the section lines may also be varied to further distinguish between parts. Copyright © 2010 by K. Plantenberg Restricted use only
Exercise 6 -1 Section lines in assemblies Copyright © 2010 by K. Plantenberg Restricted use only
Exercise 6 -1 Ø Draw the section lines for the assembly shown. Copyright © 2010 by K. Plantenberg Restricted use only
Fill in the section line is the largest area.
Fill in the section line is the 2 nd largest area. 45 o
Fill in the section line is the next largest area. -45 o
Fill in the section line is the last area. -30 o, smaller spacing
30 o
Assembly Drawings 6. 3) Things to Include/ Not Include Copyright © 2010 by K. Plantenberg Restricted use only
Things to Include / Not Include Ø When deciding what to include in an assembly drawing remember; → The purpose of an assembly drawing is to show the individual parts fit together. → It is not used as a manufacturing print. Copyright © 2010 by K. Plantenberg Restricted use only
Things to Include / Not Include Ø The assembly drawing should not look overly cluttered. → Some lines that are necessary in a detailed drawing may be left off the assembly drawing to enhance clearness. Copyright © 2010 by K. Plantenberg Restricted use only
Hidden Lines Ø Do we include hidden lines? Usually → They should be used wherever necessary for clearness. → They should be left off when they impair clearness. → When a section view is used, hidden lines should not be used in that view. Copyright © 2010 by K. Plantenberg Restricted use only
Dimensions Ø Do we include dimensions? Usually not → As a rule, dimensions are not given on assembly drawings. → If dimensions are given, they are limited to some function of the object as a whole. Copyright © 2010 by K. Plantenberg Restricted use only
Identification Ø Ballooning: A part is located and identified, in an assembly drawing, by using a circle containing the part number and a leader line that points to the corresponding part. Copyright © 2010 by K. Plantenberg Restricted use only
Parts List / Bill of Material Ø The parts list is an itemized list of the parts that make up the assembled machine. Copyright © 2010 by K. Plantenberg Restricted use only
Parts List / Bill of Material Ø Parts lists contain the → part number, part name, the number required and the material of the part. Copyright © 2010 by K. Plantenberg Restricted use only
Parts List / Bill of Material Ø Parts lists contain the → Other information can be included, such as, stock sizes of materials and weights of the parts. Copyright © 2010 by K. Plantenberg Restricted use only
Parts List / Bill of Material Ø Parts are listed in order of their part#. Ø Part#’s are usually assigned based on the size or importance of the part. Copyright © 2010 by K. Plantenberg Restricted use only
The parts list may be placed in the upper right corner of the drawing. - Part# 1 is at the top.
The parts list may be placed in the lower right corner of the drawing. - Part# 1 is at the bottom.
Assembly Drawings 6. 4) Standard Parts Copyright © 2010 by K. Plantenberg Restricted use only
Standard Parts Ø Standard parts include any part that can be bought off the shelf. → They do not need to be drawn. → Purchasing information is given on the standard parts sheet attached to the back of the working drawing package. Copyright © 2010 by K. Plantenberg Restricted use only
Standard Parts Sheet Example Copyright © 2010 by K. Plantenberg Restricted use only
Standard Parts Ø What type of information should be included? Copyright © 2010 by K. Plantenberg Restricted use only
General Fastener Specifications Ø Thread specification (for threaded fasteners) Ø Head/Point style or Shape and Name of the fastener Ø Fastener length or size Ø Fastener series Ø Material Ø Special requirements (coatings, finishes, specifications to meet) Ø REQ’D (i. e. number required) Copyright © 2010 by K. Plantenberg Restricted use only
Exercise 6 -2 Working drawing package Copyright © 2010 by K. Plantenberg Restricted use only
Exercise 6 -2 Ø Draw an assembly drawing of the Clamp shown. Ø Draw detailed drawings of the individual parts. Ø Create a standard parts sheet Copyright © 2010 by K. Plantenberg Restricted use only
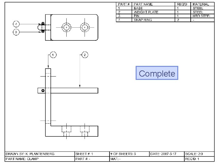
1. Balloon the assembly.
2. Fill in the parts list.
3. Fill in the title block.
Complete
1. Fill in the title block.
Complete
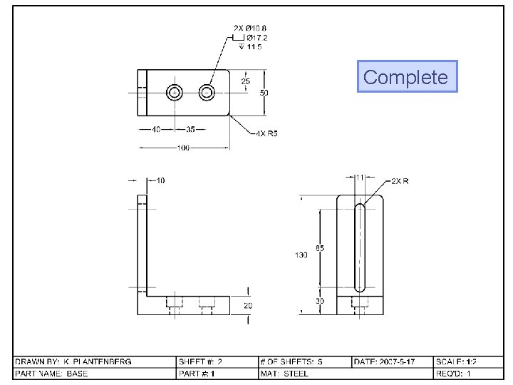
1. Dimension the part.
2. Fill in the title block.
Complete
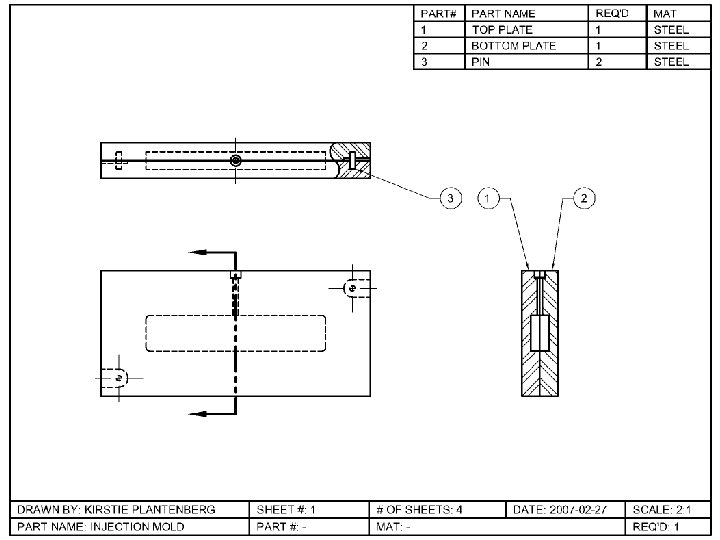
1. Draw and dimension Part#3 and fill in the title block.
Complete
1. Create a standard parts sheet.
Complete
Assembly Drawings The End Copyright © 2010 by K. Plantenberg Restricted use only
- Slides: 64