Chapter 12 Riveted Bolted Welded Connections 1 Riveted
Chapter 12 Riveted, Bolted & Welded Connections 1
Riveted, bolted and welded connections Ordinary bolt (or rivet) Bearing type connections Friction type connections High strength bolt 2
Lab joints (������ ( Butt joints (����� ( main plate cover plate 3
Repeating group Boiler joints (pressure joints) Repeating group Structural joints outer cover plate Inner cover plate 4
Multiple rows 5
long pitch intermediate pitch back pitch short pitch diagonal pitch 6
(1) Shearing (at connector) (2) Tearing (of plate) t st 8
(3) Bearing (of plate) sb (4) Unlikely to occur if the distance from the edge of the plate to the connector is large enough (1. 75 -2 times the diameter of the connector) 9
D (1) Rivet capacity (shearing of rivet and bearing failure) Shearing: 10
(1) Rivet capacity (shearing of rivet and bearing failure) (cont’) sb = 19 ksi bearing: st = 11 ksi (2) Tearing capacity (tension failure of plate) tearing: 3. 25 ” Hence the strength of the repeating section is 6533. 5 lb per 3. 25 in. 11
Internal pressure 12
(1) Preliminary calculation: load that can transmitted by one rivet (shear or bearing) (2) Possible method of failure 13
14
d = 20. 5 mm 15
Row 1 (has 1 -rivet) single shear P-19. 8 k. N main plate cover plate 19. 8 k. N 16
Row 1 (has 1 -rivet) main plate crash in the main plate P 37. 3 k. N cover plate P-37. 3 k. N main plate crash in the cover plate P 26. 7 k. N P-26. 7 k. N cover plate Hence strength of row-1 is 19. 8 k. N 17
Row 2 (has 2 -rivets) double shear 39. 6 k. N 2 x 19. 8 k. N Shear strength at row-2 is 2 x 19. 8 k. N P-99 k. N 19. 8 k. N 2 x 19. 8 k. N 59. 4 k. N 18
Row 2 (has 2 -rivets) crushing at main plate 37. 3 k. N 2 x 37. 3 k. N One possible bearing strength at row-2 is P-94. 4 k. N 19. 8 k. N 37. 3 k. N 57. 1 k. N crushing at cover plate 2 x 26. 7 k. N 53. 4 k. N One possible bearing strength at row-2 is 4 x 26. 7 k. N P-126. 6 k. N 19. 8 k. N 2 x 26. 7 k. N 73. 2 k. N Hence strength of row 2 is 74. 6 k. N 19
Row 3 (has 2 -rivets) double shear 2 x 19. 8 k. N crushing at main plate crushing at cover plate 37. 3 k. N 2 x 26. 7 k. N 2 x 37. 3 k. N 4 x 26. 7 k. N 37. 3 k. N 2 x 26. 7 k. N Hence strength of row 3 is also 74. 6 k. N 20
Total rivet capacity 19. 8 k. N 74. 6 k. N 21
Tearing at row 1 of main plate Tearing at row 2 of main plate 22
Tearing capacity of main plate Row 1 Row 2 Row 3 74. 6 k. N 19. 8 k. N main plate 19. 8 k. N 37. 3 k. N 23
Tearing capacity of cover plate Row 1 Row 2 Row 3 19. 8 k. N 24
Row 1 Row 2 Row 3 19. 8 k. N outer cover plate 9. 9 k. N 19. 8 k. N 79. 2 k. N 19. 8 k. N 9. 9 k. N inner cover plate 25
Rivets failure: 169. 0 k. N Tearing of main plate: 175. 5 k. N Tearing of cover plate: 190. 4 k. N 26
12 -5 STRESSES IN BEARING-TYPE CONNECTIONS Assume each rivet carries a load proportional to its resisting shear area Totally 9 shear areas: 1/2 2 1/2 the average load transmitted by 1 shear area is 1 27
the average shearing stress is Row 1 Row 2 Row 3 4 kips the maximum average bearing stress is 28
main plate (Row 1) main plate (Row 2) 2 kips main plate (Row 3) 2 kips 8 kips 29
Upper cover plate 4 kips 2 kips Lower cover plate 2 kips 4 kips 2 kips 30
Lower cover plate 2 kips 4 kips 2 kips 31
32
Lab joints (������ ( Butt joints (����� ( 33
shearing capacity of 1 -rivet bearing capacity of 1 -rivet Row 1 upper plate Total rivets capacity 34
Hence the joint capacity is Efficiency = Row 2 upper plate 26. 94 k. N Row 3 26. 94 k. N 35
36
37
38
39
40
41
42
(-4. 5, 4) (-1. 5, 4) (4. 5, 4) (-4. 5, 0) (-1. 5, 0) (4. 5, 0) (-4. 5, -4) (-1. 5, -4) (4. 5, -4) Twisting moment 43
44
45
47
49
Fillet Weld )เชอมแบบพอก ( base on AISC, for E 70 electrodes, A 36 steel 51
52
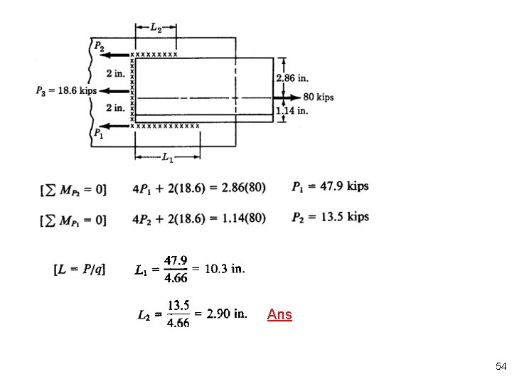
Ans 53
Ans 54
55
56
Torsional couple: Centroid: Polar moment of inertia: 57
58
59
60
61
- Slides: 61