Catalogue of Standard Reticle Patterns by Manufacturer Compiled
Catalogue of Standard Reticle Patterns by Manufacturer Compiled by Dale A. Kopas Issued 10/22/05, Updated 12/15/05 Intended for Educational Use Only – Not for Publication
Schmidt and Bender Reticle Patterns Reticle No. 1 Fixed power only Reticle No. 2 Reticle No. 1 Variable power only Reticle No. 3
Schmidt and Bender Reticle Patterns Reticle No. 4 Reticle No. 7 Reticle No. 6 fine (varmint) Reticle No. 8
Schmidt and Bender Reticle Patterns Reticle No. 8 Dot (varmint) Reticle No. 9 Reticle No. 7 Flash. Dot Reticle No. 8 Flash. Dot
Schmidt and Bender Reticle Patterns - Illuminated Reticle No. L 1 Reticle No. L 7 Reticle No. L 3 Reticle No. L 9
Schmidt and Bender Reticle Patterns – Police Marksman P-1 (Bryant) reticle CQB Reticle P-3 Mil-dot illuminated
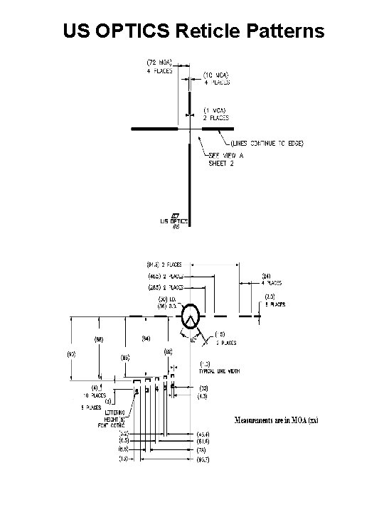
US OPTICS Reticle Patterns
US OPTICS Reticle Patterns
US OPTICS Reticle Patterns
US OPTICS Reticle Patterns
US OPTICS Reticle Patterns
US OPTICS Reticle Patterns GAP Mil-Scale
Horus Vision Reticle Patterns
Horus Vision Reticle Patterns
Horus Vision Reticle Patterns
Hensoldt Reticle Patterns Hensoldt Range Finding Mil Dot Hensoldt SSG - P
DETAILED RETICLE PATTERNS S&B P 4 I. O. R. MP-8
DETAILED RETICLE PATTERNS AI Mil Dot
DETAILED RETICLE PATTERNS Premier Gen 2 Mil Dot Premier Gen 2 XR Extreme Range
Night. Force Reticle Patterns
Night. Force Reticle Patterns
Premier Reticle Patterns #1 – German Post #3 – Dot & Crosshair #5 – Duplex #2 – Post & Crosshair #4 – 3 Post & Crosshair #6 – Crosshair
Premier Reticle Patterns #7 – CPC Tapering #10 – Std Mil Dot Gen 2 Mil Dot #9 – Leupold Dot #10 a – Modified Mil Dot Range Compensating
IOR Valdada Reticle Patterns MP-8
Zeiss Reticle Patterns Victory Varipoint Plane Illuminated reticles 1, 1 - 4 x 24 T* 2 0 1, 5 - 6 x 42 T* 1 (+2) 0 - 54 - 56 2, 5 - 10 x 50 T* 1 (+2) 0 - 54 - 56 3 - 12 x 56 T* 1 (+2) 0 - 54 - 56 Victory Diavari Plane Standard reticles Illuminated reticles 1, 5 - 6 x 42 T* 1 1 - 4 - 6 - 7 - 8 - 11 2, 5 - 10 x 42 T* 1 4 - 8 - 11 2, 5 - 10 x 50 T* 1 1 - 4 - 6 - 7 - 8 - 11 42 0 - 44 - 80 - 88 3 - 12 x 56 T* 1 1 - 4 - 6 - 7 - 8 - 11 43 0 - 44 - 80 - 88 6 - 24 x 56 T* 2 4 - 43 - 61 40 - 43 - 63 6 - 24 x 72 T* 2 40 - 43 - 63 Classic Diavari Plane Standard reticles 1, 1 - 4 x 24 T* 1 2 - 4 - 8 - 11 - 25 1, 5 - 6 x 42 T* 1 1 - 4 - 8 - 11 2, 5 - 10 x 50 T* 1 1 - 4 - 8 - 11 - 42 40 - 44 - 80 - 88 3 - 12 x 56 T* 1 1 - 4 - 8 - 11 40 - 44 - 80 - 88 Classic Diatal Standard reticles 6 x 42 T* 1 - 4 - 8 - 42 7 x 50 T* 8 x 56 T* Illuminated reticles 40 - 44 - 60 - 66 1 -4 -8
Zeiss Reticle Patterns
Zeiss Reticle Patterns
Zeiss Reticle Patterns
Leupold Reticle Patterns
Leupold Reticle Patterns (Detail – Boone & Crockett Reticle)
Swarovski Reticle Patterns Bushnell Reticle Patterns
Kahles Reticle Patterns
Nikon Reticle Patterns
Misc. Reticle Patterns (Mueller, Burris)
Misc. Reticle Patterns (Tasco, Hakko Electro. Dot, Weaver) Hakko Multi-Reticle (MR-02 pattern) Weaver Dual-X Reticle Weaver DOT Reticle Weaver Varminter Reticle
Misc. Reticle Patterns (Pride/Fowler Rapid Reticle)
Misc. Reticle Patterns (Leatherwood Auto/Range Reticle)
Misc. Reticle Patterns (ART I & ART II Reticles)
INFO - US ARMY MILDOT RETICLE INFO - USMC MILDOT RETICLE
The Reticle Patterns in this Catalogue were generated from the following Original Manufacturer’s Web Sites. These images are for educational usage only and not intended for commercial publication or sale. • • • • • Schmidt and Bender US Optics Premier Reticles Horus Vision Systems Hakko Tasco Burris Zeiss Optics Hensoldt Mueller IOR Valdada Nikon Weaver Leupold Kahles Night. Force Swarovski Leatherwood Pride Fowler
- Slides: 40