BLOCUL DE ACTIONARE TPSEM CURS 3 1 SISTEME
BLOCUL DE ACTIONARE TPSEM - CURS 3 1
SISTEME DE ACŢIONARE ELECTRICE Sursă de alimentare Din punct de vedere al performanţelor, sistemele de acţionare electrică sunt mult superioare celor hidraulice şi pneumatice şi ocupă la momentul actual mai mult de 70% din sistemele de acţionare utilizate pe plan mondial CIRCUIT DE FORŢǍ CONVERTOR ELECTROMECANIC Element de execuţie/masina de lucru TPSEM - CURS 3 2
SISTEME DE ACŢIONARE ELECTRICE CONVERTORUL ELECTROMECANIC ØConversie electromecanica de natura electromagnetica Øinteractiunea intre campurile magnetice generate de doi curenti ce parcurg bobinaje situate pe armaturi diferite Øfluxul campului magnetic generat de un curent ce parcurge un bobinaj, flux ce se inchide pe un circuit magnetic cu reluctanta variabila ØConversia electromecanica de natura electrostatica Øinteractiunea intre campul magnetic generat de un magnet permanent si cel creat de un curent sau un circuit feromagnetic TPSEM - CURS 3 3
SISTEME DE ACŢIONARE ELECTRICE BILANTUL ENERGETIC PENTRU UN CONVERTOR ELECTROMECANIC ENERGIE ELECTRICA d. Wel ENERGIE INTERMEDIARA d. WInt ENERGIE TERMICA d. Wterm ENERGIE MECANICA d. Wmec TPSEM - CURS 3 4
SISTEME DE ACŢIONARE ELECTRICE TPSEM - CURS 3 5
SISTEME DE ACŢIONARE ELECTRICE COENERGIA MAGNETICA: Wmag W’mag i TPSEM - CURS 3 6
SISTEME DE ACŢIONARE ELECTRICE TEOREMELE FORTELOR GENERALIZATE SISTEM ELECTROMAGNETIC SISTEM ELECTROSTATIC FORMA LOCALA DE ENERGIE TPSEM - CURS 3 7
SISTEME DE ACŢIONARE ELECTRICE Convertoare de energie CONVERTOARE ELECTROMECANICE Convertoare de semnal Convertoare de energie si semnal Fm – forta/cuplul dezvoltat de convertorul electromecanic Fmut – componenta mutuala, care apare ca urmare a interactiunii intre doi curenti sau intre un curent si un magnet permanent ; Fr – componenta reluctanta, care apare ca urmare a prezentei unui curent ce parcurge o bobina situata intr-un circuit magnetic variabil in timp ; Fmag – componenta datorata prezentei unui magnet permanent intr-un circuit magnetic. TPSEM - CURS 3 8
SISTEME DE ACŢIONARE ELECTRICE MASINI ELECTRICE CU PERII Masini electrice de curent continuu cu perii MASINI ELECTRICE FARA PERII Masini electrice de curent alternativ cu perii Masini electrice de curent continuu fara perii De curent continuu Masini electrice de curent alternativ fara perii De curent alternativ RETEAUA DE ALIMENTARE TPSEM - CURS 3 9
SISTEME DE ACŢIONARE ELECTRICE Sisteme de actionare cu masini electrice de curent continuu cu sistem perie-colector TPSEM - CURS 3 10
Motor de curent continuu – topologie clasica Carcasa Stator Colector Perii Arbore Miez rotoric Rulmenti Infasurare statorica (de excitatie) Pol statoric Colector Perie TPSEM - CURS 3 11
Cu excitatie separata Cu excitatie derivatie Turatie serie separata Cu excitatie serie mixta Cu excitatie mixta Cuplu TPSEM - CURS 3 12
SISTEME DE ACŢIONARE ELECTRICE M M Caracteristica mecanica a motorului de c. c. cu excitatie serie Caracteristica mecanica a motorului de c. c. cu excitatie separata -Face parte din categoria caracteristicilor mecanice rigide - acest tip de motor este utilizat in actionari electrice reglabile -Reglarea vitezei si functionarea in regim de franare electrica nu pun probleme TPSEM - CURS 3 -Face parte din categoria caracteristicilor mecanice moi -De aceea acest tip de motor este utilizat in tractiunea electrica si in instalatiile de ridicat -Pune probleme in regim de franare, recuperativa, dinamica sau prin contraconectare 13
SISTEME DE ACŢIONARE ELECTRICE SERVOMOTOARE DE C. C. -Excitatie sub forma de magneti permanenti -Rotorul are inertie redusa prin scoaterea elementului conductor de curent din crestatura si plasarea lui in intrefier Cu circuit rotoric obţinut prin rigidizarea conductoarelor cu răşini epoxidice Cu circuite imprimate Cu rotor disc Cu rotor cilindric TPSEM - CURS 3 14
SISTEME DE ACŢIONARE ELECTRICE Servomotoarele de c. c. cu circuite imprimate Mod de inchidere a liniilor de camp in masini de c. c cu magneti permanenti si sistem perii-colector Motoare cu flux axial Motoare cu flux radial TPSEM - CURS 3 15
SISTEME DE ACŢIONARE ELECTRICE Servomotoarele de c. c. cu circuite imprimate cu rotor disc Rotorul este de forma unui disc pe care se afla imprimata infasurarea dupa tehnica realizarii cablajelor; ØEste un motor cu flux axial, cu un design foarte compact ØPrin utilizarea unor magneti din pamanturi rare, dimensiunile motorului sunt reduse ØAu o inertie redusa, ceea ce duce la un raport cuplu/inertie foarte bun si cu atingerea rapida a vitezei de regim; ØCu un numar mare de perii si segmente pe colector se obtine un cuplu neted; ØInductanta redusa a masinii permite o viata lunga a periilor, lucrul la viteza mare. TPSEM - CURS 3 16
SISTEME DE ACŢIONARE ELECTRICE Servomotoarele de c. c. cu circuit rotoric obţinut prin rigidizarea conductoarelor cu răşini epoxidice -Constructie inversata, cu rotorul la exterior si statorul(realizat din material magnetic) la interior; -Infasurarea rotorica este realizata din conductoare rigidizate cu rasina, fara miez feromagnetic, usor inclinate pentru reducerea riplurilor de cuplu si cuplate la colector. -Periile sunt realizate din metal pretios asigurand astfel o rezistenta de contact redusa; TPSEM - CURS 3 17
SISTEME DE ACŢIONARE ELECTRICE OBSERVATIE. Datorita inductantei rotorice reduse, utilizarea acestui tip de motor se va limita la sisteme de actionari liniare sau cu frecvente de comutatie foarte mari pentru a reduce riplurile de curent la minim. TPSEM - CURS 3 18
SISTEME DE ACŢIONARE ELECTRICE Servomotoarele de c. c. – avantaje -Putere specifica relativ mare datorita utilizarii rationale a materialelor active; -Caracteristici mecanica sunt riguros liniare din cauza inexistentei saturatiei magnetice, a efectelor curentilor turbionari sau a histerezei; -Constanta de timp electrica neglijabila din cauza inductivitatii extrem de reduse a indusului, iar cea mecanica este foarte mica din cauza greutatii mici a rotorului; -Poseda camp magnetic de excitatie propriu, produs de magneti permanenti; -Gama de viteze foarte larga, in ambele sensuri (1 -6000 rot/min). ØUtilizarea periilor din metal pretios determina frecari reduse si un cuplu de pornire redus; datorita calitatii contactului perie-comutator emisiile perturbative sunt minime; -Suporta bine suprasarcini din cauza densitatii admisibile a curentului in indus (45 A/mm 2 in regim de lunga durata si de 100 A/mm 2 in regim de scurta durata) precum si din cauza aerisirii mai bune a rotorului. TPSEM - CURS 3 19
SISTEME DE ACŢIONARE ELECTRICE MOTOARE DE CUPLU ØSe refera la motoare de c. c. cu diametru mare, asa numitele motoare de c. c. cu magneti permanenti de cuplu ØSunt motoare de cuplu mare si viteza redusa, pentru aplicatii necesitand miscare de precizie la viteze reduse (sisteme de actionare a telescoapelor, de exemplu); ØNumarul de segmente ale colectorului si numarul de perechi de perii este mult mare decat la un motor obisnuit pentru a asigura ripluri cat mai reduse ale cuplului; ØDe cele mai multe ori se construiesc in varianta fara carcasa, direct pe sistemul mecanic, ceea ce presupune o mare atentie la asamblare (pentru a reduce excentricitatile si a pastra un intrefier constant) TPSEM - CURS 3 20
SISTEME DE ACŢIONARE ELECTRICE Controlul turatiei masinii de tractiune de curent continuu Controlul vitezei la masinile de curent continuu Redresor necomandat Controlul alimentat prin tensiunii de autotransformator alimentare Redresor comandat cu tiristoare Variator de tensiune continua Cu tiristoare normale Functionarea la flux slabit Modificarea rezistentei rotorice TPSEM - CURS 3 Cu IGBT-uri Cu tiristoare GTO 21
Cu masurarea directa a vitezei prin tahogenerator Cu determinarea indirecta a vitezei prin calculul tensiunii electromotoare induse TPSEM - CURS 3 22
Controlul de cuplu la masinile de curent continuu T=k. IΦ Prin controlul curentului in circuitul rotoric TPSEM - CURS 3 23
Exemple de aplicatii ale sistemelor de actionare de curent continuu Masini de bobinat sau de intins Masini de extrudat Macarale si poduri rulante Masini de extragere a minereului TPSEM - CURS 3 24
Tipuri de sarcini actionate cu sisteme de actionare de curent continuu T, P v v Masini de bobinat, masini unelte aschietoare, strunguri rotative Macarale, benzi transportoare, raboteze TPSEM - CURS 3 25
T, P v v Calandre, frane pe baza de curenti turbionari Pompe, Centrifugi TPSEM - CURS 3 26
SISTEME DE ACŢIONARE ELECTRICE MASINI ASINCRONE Carcasa Infasurare statorica Rulmenti Ventilator Cabluri de alimentar e in cutia de borne Arbore Rotor TPSEM - CURS 3 27
SISTEME DE ACŢIONARE ELECTRICE AVANTAJE ale utilizarii masinilor asincrone: ØLa puteri egale, au dimensiuni, greutate si cost mai redus decat masinile de c. c. cu colector; ØLa acelasi gabarit, dezvolta putere si turatie mai mari; ØIntretinerea este mult mai usoara; ØFiabilitatea este mai mare. Masina de inductie Convertor static Permit obtinerea unor performante superioare masinilor de c. c. TPSEM - CURS 3 28
SISTEME DE ACŢIONARE ELECTRICE CARACTERISTICA MECANICA A MASINII DE INDUCTIE Mk Mp sk Generator TPSEM - CURS 3 Motor 1 Frana 29
SISTEME DE ACŢIONARE ELECTRICE OBSERVATII. ØAlunecarea nominala corespunzatoare cuplului nominal este cuprinsa in mod uzual intre 1% si 6% (valorile mai mari pentru motoare de puteri mici). ØAlunecarea critica ia valori in jur de 20%. ØIn regim de motor, functionarea stabila este asigurata numai pe portiunea caracteristicii pentru care 0<s<sk. ØComportarea masinii de inductie la socuri de sarcina este caracterizata prin capacitatea de supraincarcare a masinii, definita ca raportul dintre cuplul maxim(critic) si cuplul nominal. La masinile de inductie de puteri mici si medii ia valori intre 2 si 2. 4. ØSe constata ca la o masina de inductie viteza variaza putin de la functionarea in gol la functionarea in sarcina. Se spune ca masina de inductie are o caracteristica mecanica dura(rigida). TPSEM - CURS 3 30
SISTEME DE ACŢIONARE ELECTRICE REGLAREA VITEZEI MASINILOR DE INDUCTIE TPSEM - CURS 3 31
SISTEME DE ACŢIONARE ELECTRICE 1. Reglarea vitezei prin modificarea numarului de perechi de poli – masini de tip Dahlander TPSEM - CURS 3 32
TPSEM - CURS 3 33
SISTEME DE ACŢIONARE ELECTRICE 2. Reglarea vitezei prin intermediul frecventei statorice Ø Modificarea frecventei se va face in asa fel incat fluxul magnetic maxim pe pol sa fie mentinut constant, ceea ce presupune ca, odata cu frecventa sa aiba loc si o modificare adecvata a tensiunii ØRealizarea practica a schimbarii frecventei implica prezenta unui convertor de frecventa §Convertoare directe (cicloconvertoare) §Convertoare indirecte (cu circuit intermediar de c. c. ) TPSEM - CURS 3 34
SISTEME DE ACŢIONARE ELECTRICE Convertoare de putere cu circuit intermediar de c. c. U Redresor comandat f Filtru U Redresor necomandat Invertor Motor f U Filtru Invertor TPSEM - CURS 3 Motor 35
Exemple de aplicatii ale sistemelor de actionare de curent alternativ cu masini de inductie Pompe Banda transportoare Masini de trefilat Strung pentru prelucrarea lemnului TPSEM - CURS 3 36
SISTEME DE ACŢIONARE ELECTRICE MASINI DE C. C. FARA PERII TPSEM - CURS 3 37
SISTEME DE ACŢIONARE ELECTRICE In masina de c. c. clasica excitatia este reprezentata de infasurari de c. c. instalate pe poli aparenti sau de magneti permanenti pe stator, in timp ce indusul este constituit de infasurari distribuite in crestaturi rotorice alimentate in c. c. printr-un sistem perii colector. Excitatie statorica – magneti permanenti Campul de excitatie statoric Indusul Camp de reactie a indusului TPSEM - CURS 3 38
SISTEME DE ACŢIONARE ELECTRICE Pentru masina de c. c. cu colector sistemul perii-colector are doua functii: Detectia pozitiei rotorice Comutatie mecanica Transforma c. c. furnizat de sursa in c. a. polifazat in sectiile rotorice. Frecventa curentilor rotorici este proportionala cu viteza de rotatie. Detectia pozitiei axei campului magnetic rotoric. Pentru masina de c. c. fara perii sistemul perii-colector a fost inlocuit cu un circuit electronic de comutatie TPSEM - CURS 3 39
SISTEME DE ACŢIONARE ELECTRICE Echivalenta intre comutatia mecanica si comutatie electronica Sectiunea s a indusului T 1 D 1 A T 2 colector A D 2 p Lamela rotorica l TPSEM - CURS 3 40
SISTEME DE ACŢIONARE ELECTRICE VA negativ VA pozitiv colector A p p T 1 T 1 D 1 T 2 A D 2 p A D 2 Prima stare: A doua stare: Al treia stare: conductie comutatie conductie TPSEM - CURS 3 41
SISTEME DE ACŢIONARE ELECTRICE Inductorul -dispus pe rotor De precizat: ØExcitatia este instalata pe rotor, reprezentat de magneti permanenti ØInfasurarile statorice sunt distribuite in crestaturi ØColectorul este suprimat ØEste nevoie de un sistem de detectie a pozitiei partii mobile pentru alimentarea fazelor statorice Indusul - dispus pe stator TPSEM - CURS 3 42
SISTEME DE ACŢIONARE ELECTRICE Detectia partii mobile Directa – utilizand traductori de pozitie Indirecta – fara senzori ( sensorless) TPSEM - CURS 3 43
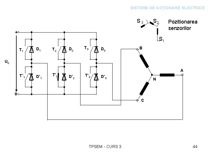
SISTEME DE ACŢIONARE ELECTRICE S 3 S 2 Pozitionarea senzorilor + S 1 T 1 D 1 T 2 D 2 T 3 D 3 B U 0 A T’ 1 D’ 1 T’ 2 D’ 2 T’ 3 D’ 3 N 0 C TPSEM - CURS 3 44
SISTEME DE ACŢIONARE ELECTRICE S 1 S 2 Forma de variatie a semnalelor de la senzorii de pozitie S 3 Tem 1 Tem 2 Tem 3 /3 2 /3 4 /3 5 /3 Forma de variatie a tensiunilor electromotoare induse in infasurarile statorice 2 TPSEM - CURS 3 45
SISTEME DE ACŢIONARE ELECTRICE VARIANTE CONSTRUCTIVE TPSEM - CURS 3 46
SISTEME DE ACŢIONARE ELECTRICE In functie de pozitia rotorului Cu rotor interior stator Cu rotor exterior rotor TPSEM - CURS 3 47
SISTEME DE ACŢIONARE ELECTRICE Cu rotor interior Prin forma partii mobile: Cu rotor disc Cu rotor inel Dezavantaje: ØSuprafata permanent curbata a magnetului ØConsolidarea mecanica a magnetilor permanenti ØIntrefier relativ mare TPSEM - CURS 3 48
SISTEME DE ACŢIONARE ELECTRICE Cu rotor exterior In functie de directia fluxului magnetic in intrefier Cu flux radial Cu flux axial Avantaje: ØMoment de inertie ridicat, ceea ce permite utilizarea lor in sisteme de actionare cu viteza constanta ØMod de instalare simplu al magnetilor permanenti ØSchimb termic mai bun ØMult mai usor de integrat intr-un sistem TPSEM - CURS 3 49
SISTEME DE ACŢIONARE ELECTRICE ik Rezistenta fazei k Inductanta proprie a fazei k Tensiunea indusa de magnetul permanent R L M uk u. Mk ~ uqk TPSEM - CURS 3 Tensiunea indusa datorata inductantelor mutuale Pentru inductante mutuale nule sau pentru curenti constati ea devine zero 50
SISTEME DE ACŢIONARE ELECTRICE Cuplul mediu determinat de o faza: Cuplul total dezvoltat de o masina cu f faze: Fiecare faza are o contributie egala TPSEM - CURS 3 51
SISTEME DE ACŢIONARE ELECTRICE De-a lungul unei perioade in care ik nu e zero uqk este constanta cu valoarea maxima Valoarea medie a curentului Valoarea de varf a tensiunii induse de magnetul permanent: O constanta dependenta de geometria motorului si de numarul de faze TPSEM - CURS 3 52
SISTEME DE ACŢIONARE ELECTRICE Cerinte: Magnetii permanenti trebuie instalati in circuitul magnetic astfel incat sa se obtina inductia magnetica necesara. Magnetii trebuie sa aiba: ØStabilitate a caracteristicilor magnetice ØRezistenta la socuri si la agenti chimici. ØRezistenta electrica suficienta ØO temperatura de functionare superioara celei a circuitului magnetic. TPSEM - CURS 3 53
SISTEME DE ACŢIONARE ELECTRICE ALIMENTARE SI COMANDA PRIN TENSIUNI CVASI-DREPTUNGHIULARE TPSEM - CURS 3 54
SISTEME DE ACŢIONARE ELECTRICE + Alimentarea sondelor Hall Rotor - Sens de rotatie Start/Stop Viteza impusa Bloc logic de comanda Convertor frecventa/tensiune Stator Invertor trifazat Motorul de c. c. fara perii Regulator de tensiune Circuit de limitare a curentului Curent maxim TPSEM - CURS 3 Sursa de c. c. 55
SISTEME DE ACŢIONARE ELECTRICE OBSERVATII Invertorul este de tip trifazat, cu 6 celule de comutatie, permitand alimentarea bidirectionala a fiecarei faze a motorului. Comutatoarele statice sunt tranzistoare MOSFET sau IGBT avand ca avantaje: ØComanda in tensiune cu consum redus de putere ØFrecventa inalta de comutatie ØPosibilitatea integrarii diodei in tranzistor Pentru comanda Start/Stop se poate utiliza un circuit de tip ‘latch’ TPSEM - CURS 3 56
SISTEME DE ACŢIONARE ELECTRICE Pentru controlul vitezei se poate utiliza: ØUn control de tensiune la intrarea invertorului prin variator de tensiune continua ØControl al tensiunii prin utilizarea unui invertor PWM ! Trebuie prevazut un circuit de limitare a curentului pentru a evita curentii periculosi in timpul comutatie! Pentru controlul cuplului trebuie stabilita o lege de variatie tensiune/frecventa. ! Motorul trebuie alimentat printr-un invertor controlat in curent. TPSEM - CURS 3 57
SISTEME DE ACŢIONARE ELECTRICE ALIMENTARE SI COMANDA PRIN CURENTI CVASI-DREPTUNGHIULARI TPSEM - CURS 3 58
SISTEME DE ACŢIONARE ELECTRICE Detectia pozitiei rotorice Comanda invertorului |Id| + Iref Valoare de referinta Sistem de control al curentului Control bipozitional de curent Control liniar de curent cu regulator PI TPSEM - CURS 3 59
SISTEME DE ACŢIONARE ELECTRICE Control bipozitional de curent TPSEM - CURS 3 60
SISTEME DE ACŢIONARE ELECTRICE 2ΔI |Id| i 1 e 1 i 2 e 3 i 3 TPSEM - CURS 3 61
SISTEME DE ACŢIONARE ELECTRICE Curent de referinta + - -ΔI ΔI Modulatie cu frecventa variabila Comparator cu histerezis Curent masurat TPSEM - CURS 3 62
SISTEME DE ACŢIONARE ELECTRICE Control liniar de curent prin regulator PI TPSEM - CURS 3 63
SISTEME DE ACŢIONARE ELECTRICE Curent de referinta + Modulatie cu frecventa fixa + Regulator PI - - Comparator Curent masurat Semnal Pi Tensiune de faza statorica TPSEM - CURS 3 64
SISTEME DE ACŢIONARE ELECTRICE CONCLUZII TPSEM - CURS 3 65
SISTEME DE ACŢIONARE ELECTRICE Avantaje ale masinilor de c. c. fara perii: ØFiabilitate, robustete si simplitate structurala ØNeajunsurile comutatiei mecanice sunt eliminate ØControl usor de viteza ØMult mai mici din punct de vedere al gabaritului ØPosibilitatea alimentarii de la o sursa de c. c. pentru echipamente portabile TPSEM - CURS 3 66
SISTEME DE ACŢIONARE ELECTRICE roboti Aplicatii ale MCC fara perii Masini unelte Vehicule echipate cu motor de tractiune in roata Scule portabile Sisteme de calcul TPSEM - CURS 3 67
- Slides: 67