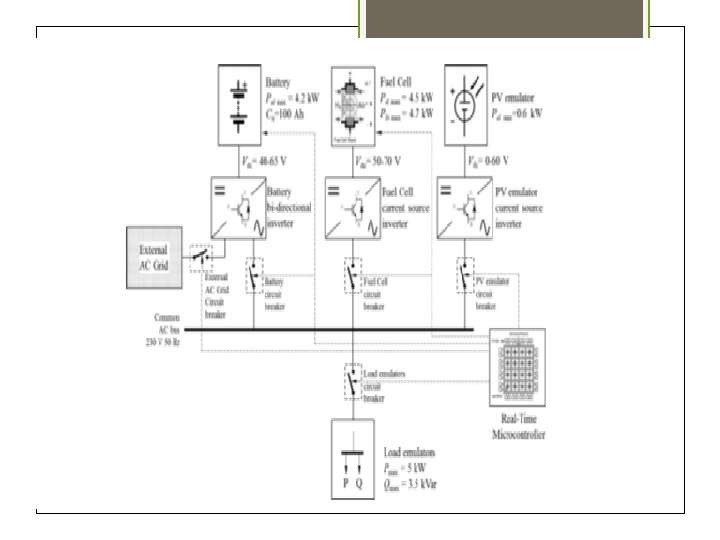
A Microcontroller Based Power Management System for Standalone
A Microcontroller Based Power Management System for Standalone Micro grids With Hybrid Power Supply
INTRODUCTION � DISTRIBUTED generation result in enhanced continuity of service and in increased customer participation to the electricity market. � By allowing the network to operate in islanded conditions these opportunities can be achieved � Fuel cells provide supply of power clean and silent operation, cost effective
PEM FC
DESCRIPTION OF PEM FC �FC stack is fed by hydrogen from anode �Pressure reducing valve reduces the inlet pressure to 1. 8 bar �Two electro valves are placed at inlet and
FUNCTIONS OF AUTOMATIC PMS � Functions of PMS is governed by following peculiarities 1. maximum power provided by pv array is lower than maximum power absorbed by battery during charging phase 2. Fc is requested to operate when the system is disconnected from the external distribution system
OPERATING MODES OF FC
Cont. …
BATTERY STATE OF CHARGE ESTIMATION � Estimation models depends upon five basic criteria 1. measurement of electrolyte specific gravity 2. battery current time integration 3. battery impedance /resistance estimation 4. measurement of battery open circuit voltage 5. models that take into account the electrolyte temperature, discharge, rate and other battery parameters
Cont. � The where equation summarizes the methods 2, 4, 5
Cont. …
EXPERIMENTAL VALIDATION OF THE SOC �ESTIMATION Initial battery SOC is adjusted to 50% � Then microgrid is activated in variable load profiles � The test is stopped when predefined final estimate value is reached � Different test is performed for values 30%, 40%, 50%, 60% � At end of each test battery is disconnected and discharged with a constant rate
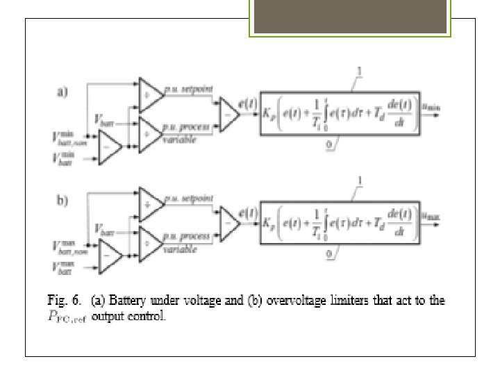
CONTROL STRATEGY AND LIMITERS OF THE BATTERY VOLTAGE � FC output is controlled in order to track a target SOC value, SOC* � SOC* is predetermined as an average SOC level allowing us to: 1. Keep the storage system in a state that is able to supply energy in case of load request or receive energy in case of positive net power produced by PV 2. Minimize the number of FC start-up and shut down manoeuvres
Intervals defining FC in operation
Cont.
PMS IMPLEMENTATION INTO A MICROCONTROLLER � FC control is implemented into a real time microcontroller equipped with an FPGA � Microcontroller runs for four main cycles 1. Data acquisition that calculates microgrid electrical state variables 2. Data acquisition that determinethe FC status 3. SOC estimation 4. FC set point control
Cont. � Cycle #1 processes microgrid electrical variables � These variables are shared with cycle #3 and cycle #4 for microgrid control state � Cycle #2 is responsible for determining the status of FC
- Slides: 24