6 4 Gas exchange The as exchange is

















































- Slides: 49
6. 4 Gas exchange • The as exchange is passive, as oxygen and carbon dioxide move from areas of high concentration to low concentration. • The process of ventilating the lungs in requires energy. • Exchange of gas in the lungs is passive transport as it takes place as a result of diffusion.
• 6. 4 U 1: Ventilation maintains concentration gradients of oxygen and carbon dioxide between air in alveoli and blood flowing in adjacent capillaries. • The lungs are the respiratory surface that is being ventilated. Other respiratory surfaces include gills for fish, skin for worms, leaves for plants, cell membranes for bacteria… Lungs are the specialized structure some animals use.
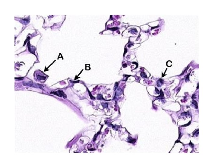
• 6. 4 U 2: Type I pneumocytes are extremely thin alveolar cells that are adapted to carry out gas exchange. • 6. 4 U 3: Type II pneumocytes secrete a solution containing surfactant that creates moist surface inside the alveoli to prevent the sides of the alveolus adhering to each other by reducing surface tension.
• How are Type I pneumocytes adapted to carry out gas exchange?
• What would happen if Type II pneumocytes stopped functioning?
• Capillary • https: //www. youtube. com/watch? v=Q 530 H 1 Wxt. Ow • Blood in capillaries • https: //www. youtube. com/watch? v=4 y. BMY 9 Wj 7 z 0
• 6. 4 U 4: Air is carried to the lungs in the trachea and bronchi and then to the alveoli in bronchioles
• 6. 4 U 5: Muscle contractions cause the pressure changes inside thorax that force air in and out of the lungs to ventilate them. • 6. 4 U 6: Different muscles are required for inspiration and expiration because muscles only do work when they contract. • 6. 4 A 1 External and internal intercostal muscles, and diaphragm and abdominal muscles as examples of antagonistic muscle action.
The table on page 315 -316 nicely summarizes this: Inhalation: Sucking air in! • External intercostal muscles contract pulling the ribs up and out. • The diaphragm contracts and pulls down. • As a result the thoracic cavity around the lungs expands increasing the volume of the lungs. • This causes the pressure inside the lungs to decrease relative to the environment. • Gas moves from higher pressure to lower pressure and moves into the lungs.
• Exhalation: Blowing air out! • The external intercostal muscles and diaphragm relax. • this moves the ribs down and in and the diaphragm up decreasing the volume of the thoracic cavity around the lungs. • This decreases the volume and increases pressure inside the lungs. • Gas moves from high pressure to low pressure, and moves out of the lungs. • The internal intercostal muscles may also contract to force air out when coughing for example.
• 6. 4 A 2: Causes and consequences of lung cancer. Page 316 • Since it is cancer it is a set of mutations in cells that therefore miss checkpoints and divide too fast. • Smoking (87%) Second hand smoke (3%), air pollution (5%), Radon gas, Asbestos, and other particles. • 85% 5 year mortality (and survival often means loss of part of your lungs).
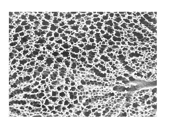
• 6. 4 A 3: Causes and consequences of emphysema. Page 317 • Phagocytes prevent infections by engulfing bacteria and digesting them with a protease called ELASTASE inside vesicles called endocysts. • This breaks down proteins including the protein elastin which serves important functions in the body.
Elastin
• Usually there is an enzyme inhibitor that prevents elastase from digesting lung tissue.
Elastase vs alpha 1 -antitrypsin
• Genetic factors can lead to too little of the inhibitor being produced. • More importantly, in 30% of smokers, there is an elevated level of the protease elastase such that it degrades the alveoli walls and so lung volume decreases. • In addition to tobacco and marijuana smoke, air pollution and other inhaled fumes can be causes.
• 6. 4 S 1: Monitoring of ventilation in humans at rest and after mild and vigorous exercise (PRACTICAL 6) • Look at page 312
• 6. 4: NOS: Obtain evidence for theories: epidemiological studies have contributed to our understanding of the causes of lung cancer. • See page 316 • What is the association between being thin and lung cancer?