555 timer What is the 555 timer Pin





























- Slides: 29
555 timer; - What is the 555 timer? - Pin configurations of the 555 timer ; - 555 timer in astable operation ; - 555 timer in monostable operation ; - What are the 555 timer applications?
555 Timer; The 555 timer is one of the most remarkable integrated circuits ever developed. It comes in a single or dual package and even low power cmos versions exist - ICM 7555. Common part numbers are; LM 555, NE 555, LM 556, NE 556.
Pin configurations
The 555 timer consists of; two voltage comparators a bi-stable flip flop a discharge transistor and a resistor divider network.
555 timer in astable operation ;
555 timer in monostable operation ;
Applications using 555 timer; - Random Flashers ; - A light dimmer ; - A car tachometer ; - Traffic Lights ; - Infra Red (IR) remote control ;
Random' Flasher for 8 LEDs Project'
What is a light dimmer?
A light dimmer is a means of controlling the "brightness" level of a lamp
For the light dimmer to work the 555 timer is configured as a "variable cycle", astable oscillator running some where around 300 Hz.
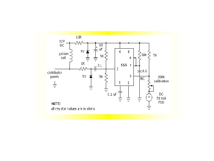
What is a car tachometer?
A tachometer is simply a means of counting the engine revolutions of an automobile engine.
In this suggested idea a NE 555 timer is configured as a monostable or one shot. The period of the 555 timer for our car tachometer is determined by the resistor from the 9 V regulated supply to pin 7 (50 K) and the capacitor from pin 6 and ground (0. 1 u. F). Time "T" = 1. 1 RC or 1. 1 X 50, 000 X 0. 1 X 10 -6 = 0. 0055 or 5. 5 m. S (milli-seconds).
Extra: Supply is taken from the 12 V automobile system and for the NE 555 timer car tachometer is reduced to a regulated 9 V by the 15 ohm resistor in conjunction with the 9 V zener diode. Note that the 10 u. F polarised capacitor must be placed physically as close as possible to the supply pin 8. It is depicted in the schematic diagram in this manner purely for clarity.
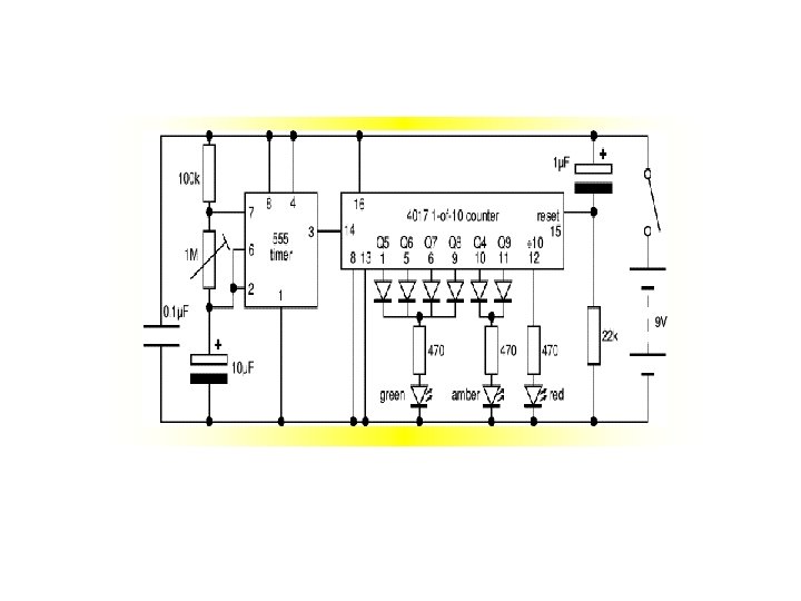
Traffic Light
The time taken for the complete red - red & amber - green – amber sequence can be varied from about 7 s to about 2½minutes by adjusting the 1 M preset.
IR Remote Control
We know that if we want to calculate charging, discharging time and the frequency, we will use these equs.
http: //ourworld. compuserve. com/homepages/Bill_Bowden/555. htm
Questions
If you ask or even try