3 ZPD ZCT DGR ZPC ZCT AS7 2

  • Slides: 2
Download presentation

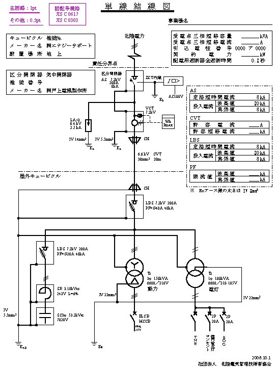
単 線 結 線 図 パーツ集 3 ZPD ZCT DGR I�> ZPC ZCT内蔵 区分開閉器

単 線 結 線 図 パーツ集 3 ZPD ZCT DGR I�> ZPC ZCT内蔵 区分開閉器 AS 7. 2 k. V   200 A    8 k. A ZCT内蔵 EA I�> ED AC 100 V VCT 7. 2 k. V Wh Pmax 3 CV CH DS 7. 2 k. V 400 A VT VS V VCB 7. 2 k. V 600 A 160 MVA G CT 100/5 A 2(I>) R AS A OCR Inst DS 7. 2 k. V 400 A LBS 7. 2 k. V 200 A PF=G 20 A 40 k. A PC 7. 2 k. V 30 A PF付 V結線 灯動Tr 3φ 1φ SR 3. 19 k. Var 243 V L=6% 84 DMS MC SC 3φ 53. 2 k. Var 7020 V KS 3φ 210 V 80 k. W(100 k. VA) G DE 2006. 10. 1 社団法人 北陸電気管理技術者協会